时间:2023-08-22 10:34
人气:
作者:admin
一、 设计要求
1.抢答器同时供4名选手或4个代表队比赛,分别用4个按钮S0~ S3表示。
2.设置一个系统清除和抢答控制开关rst,该开关由主持人控制。
3.抢答器具有锁存与显示功能。即选手按动按钮,锁存相应的编号,并在LED和数码管上显示,同时提示灯亮。选手抢答实行优先锁存,优先抢答选手的编号一直保持到主持人将系统清除为止。
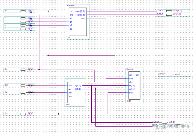
二、方案设计与论证
1、 概述
将该任务分成五个模块进行设计,分别为:抢答器鉴别模块、抢答器计时模块、报警模块、分频模块、译码模块。
2、 抢答器鉴别模块:
在这个模块中主要实现抢答过程中的抢答功能,并能对超前抢答进行警告,还能记录无论是正常抢答还是朝前抢答者的台号,并且能实现当有一路抢答按键按下时,该路抢答信号将其余的抢答信号封锁的功能。其中有四个抢答信号s0、s1、s2、s3;抢答状态显示信号states;抢答与警报时钟信号clk2;系统复位信号rst;警报信号warm。
3、 抢答器计数模块:
在这个模块中主要实现抢答过程中的计时功能,在有抢答开始后进行20秒的倒计时,并且在20秒倒计时后无人抢答显示超时并报警。其中有抢答时钟信号clk1;系统复位信号rst;抢答使能信号start;无人抢答警报信号warn;计时中止信号stop;计时十位和个位信号tb,ta。
4、 报警模块:
在这个模块中主要实现抢答过程中的报警功能,当主持人按下控制键,有限时间内 人抢答或是计数到时蜂鸣器开始报警,计数停止信号stop;状态输出信号alm;计数脉冲clk。
5、 译码模块:
在这个模块中主要实现抢答过程中将BCD码转换成7段的功能。
6、 分频模块:
在这个模块中主要实现抢答过程中所需的时钟信号。
7、 顶层文件:
在这个模块中是对前五个模块的综合编写的顶层文件。

龙腾半导体SGT MOSFET LSGT085R018在智慧农业无