时间:2023-08-17 09:27
人气:
作者:admin
英飞凌将重磅亮相2023 PCIM Asia
设立“绿色能源与工业”
“电动交通和电动出行”
“智能家居”
三大核心展示区域
8月29日-31日,我们现场不见不散!
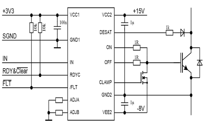
碳化硅(SiC MOSFET)和氮化镓(GaN)因其高频率、低损耗的特性得到广泛的应用,但对驱动系统的性能提出了更高的要求。英飞凌最新一代增强型EiceDRIVER 1ED34X1系列可提供高的输出电流、米勒钳位保护、精准的短路保护、可调的软关断等功能,为新一代的功率器件保驾护航。
EiceDRIVER增强型1ED34X1主要特色:
单通道隔离型栅极驱动芯片
输出电流典型值+3/6/9A
功能绝缘电压高达2300V
带米勒钳位、Desat短路保护、软关断
CMTI > 200kV/µs
输出侧电压供电区间(VCC2-VEE2)最大可到40V
隔离能力和相关认证:UL 1577 & VDE 0884-11
封装:DSO16 300 mil宽体封装8mm爬电距离适用于IGBTs,MOSFETs,CoolSiC SiC MOSFET

北京晶川电子基于1ED3491设计了一款适配于SiC MOSFET驱动板:2SID-1ED3X-62MM-1206D0
主要特色:
2路输出,适用于62mm封装半桥器件
高度集成的隔离电源
短路保护
欠压保护
米勒钳位
兼容5V/15V PWM信号
高级驱动IC:1ED3491MU12M
适配于:
FF4MR12KM1H,1200V,4mΩ 62mm封装模块
FF2MR12KM1H,1200V,2mΩ 62mm封装模块

“
1ED34X1高输出电流能力有利于减少
功率器件的开关损耗,并节约推挽电路成本
EiceDRIVER 1ED3491具有高达9A的输出电流典型值,在驱动大功率模块的时候可省去推挽电路实现节约成本、减少传播延时、提高开关速度,减少开关损耗。

我们通过双脉冲开关实验,对比了两种驱动方式的开关损耗:
测试板1:搭载1ED3491的驱动板2SID-1ED3X-62MM-1206D0
测试板2:搭载1ED020I12-F2(2A)及推挽元件IXDN609(9A)
模块型号:FF2MR12KM1H
驱动电压:+18V/-3.5V
Vbus=600V Id=370A
CH2:下管Vgs、CH3:下管Vds
CH4:电流Id、CHm1:损耗

图1、1ED3491驱动模块损耗Eon=22.3mJ

图2、1ED3491驱动模块损耗Eoff=14.09mJ

图3、2A驱动IC+推挽驱动模块损耗Eon=24.6mJ

图4、2A驱动IC+推挽驱动模块损耗Eoff=15.2mJ
从测试结果可看出,使用1ED3491,比使用2A驱动+推挽的方式,开通损耗Eon降低了2.3mJ,降低大概9.3%。关断损耗Eoff降低了1.1mJ,降低大概7.2%。
“
1ED34X1米勒钳位抑制寄生导通,
可外置MOSFET增强钳位能力
以下图为例展示米勒寄生导通产生的原因:在上管的开通时刻,下管关断,DS间电压上升,产生电压变化率dv/dt,dv/dt通过(Cgd)米勒电容向栅极注入电流。米勒电流跨越整体栅极路径使得下管栅极上出现电压尖峰。如果下管Vgs尖峰超过器件的Vgs(th),则可能会发生半桥直通现象。低阈值电压的功率器件,如SiC MOSFET,更有可能受到此影响损坏。如下图5。

图5、米勒效应图解
1ED34X1系列集成米勒钳位功能。钳位方式分为两种。一种是直接钳位,例如1ED3431,即直接把clamp pin接到IGBT的门极。这种情况下钳位电流的典型值是2A,适用于100A以下的IGBT。

另一种方式是在clamp pin外接一个N-MOSFET,来扩展钳位电流,以适应更大电流IGBT的需求。例如1ED3461及1ED3491。根据外接NMOS型号的不同,钳位电流最大可扩展到20A。

驱动板2SID-1ED3X-62MM-1206D0在做SiC MOSFET双脉冲测试时,首先没有外接米勒钳位MOS,米勒效应引起了明显的门极电压过冲,如图6.1-2中CH1黄色通道红圈部分,Vgs尖峰2.08V, △V=5.58V。然后将1ED3491 CLAMPDRV脚外接5.4A MOS(PMV45EN),米勒钳位功能起到了立竿见影的效果,如图7.1-2中CH1黄色通道红圈部分,Vgs尖峰降为-1.26V,△v只有2.24V。
驱动电压:+18V/-3.5V
CH1:上管Vgs、CH2:下管Vgs
CH3:下管Vds、CH4:电流Id


未加米勒钳位测试的全图与展开波形图


加米勒钳位测试的全图与展开波形图
“
1ED34X1(clamp driver)Desat保护时间、
软关断时间精确可调
由于SiC MOSFET器件短路耐受时间相对较短,CoolSiC MOSFET Easy封装模块在+15V驱动供电时,数据手册标称短路时间只有2us例如:FF17MR12W1M1H_B11。而62mm封装的CoolSiC模块虽然没有标称短路时间,但仍然有一定的短路能力,这里我们使用62mm封装的模块来验证1ED3491的短路保护功能。
1ED34X1具有退饱和保护功能。以往短路保护消隐时间需要通过外接电容来实现,而1ED34X1系列则不需要外接电容,它通过ADJB引脚连接不同阻值的电阻可设置不同的消隐时间,共有16档可调,DESAT滤波时间tDESATfilter:1.6µs至4.0µs,Leading edge消隐时间tDESATleb:0.65µs至1.15µs。1ED34x1还具有在故障情况下软关断的功能。在器件出现过流故障的情况下,驱动芯片将会使用较低的电流关断IGBT,将会减慢IGBT的di/dt,避免出现过高的电压尖峰损坏IGBT。软关断的参数通过ADJA连接的电阻可调。系列中每一款芯片都有16档关断电流。
图8为当ADJA下拉电阻=10K、ADJB下拉电阻=100K的SiC短路波形,此时短路保护时间为1us,软关断时间为1.23us,能够满足SiC MOSFET 2us短路时间的苛刻要求。
CH1:Flt信号、CH2:下管Vgs、CH3:Desat信号

图8、短路保护时间1us+软关断时间1.23us
“
总结
得益于英飞凌驱动1ED3491做强大的后盾,晶川驱动板2SID-1ED3X-62MM-1206D0能出色的驱动和保护SiC MOSFET。1ED34X1系列驱动芯片9A的输出电流能力省钱又省力、Clamp防直通立竿见影、Desat快准稳、Soft-off轻松防过压、DSO16封装小驱动更紧凑。英飞凌X3系列是驱动SiC MOSFET和IGBT的不二之选。
龙腾半导体SGT MOSFET LSGT085R018在智慧农业无