时间:2023-07-28 16:20
人气:
作者:admin
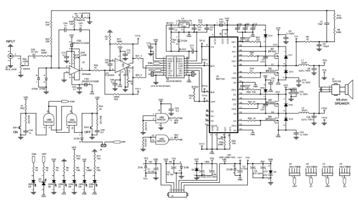
这是使用IC MD7120作为MOSFET驱动器的D类功率音频放大器的电路设计。 MD7120 用于驱动在 H 桥开关两侧运行的四个 N 沟道 MOSFET 晶体管。它由控制器逻辑电路、电平转换器、两个自举供电的高侧栅极驱动器、两个 VDD 供电的低侧栅极驱动器和过流保护电路(不使用电流检测电阻)组成。高侧和低侧的过流保护阈值均可单独通过电阻编程。

MD7120 设计用于驱动 3.0A 快速开关 MOSFET,在高侧和低侧之间以及从通道 A 到通道 B 之间具有匹配良好的输入到输出传播延迟。该电路采用直接耦合方法在其内部电平转换器中,从逻辑输入到 N 沟道功率 MOSFET 的栅极。
通过将 EN 引脚 H 逻辑电压电平连接到与开关控制输入相同的电平,可以将 MD7120 输入逻辑电压设置为 1.8 至 5.0V 之间的任何电压。内部 EN 引脚电路将在高电平时计算逻辑阈值,并在低电平时禁用输出。 MD7120 采用低电感、耐热、32 引脚、7.00×7.00mm QFN 封装。如果使用合适的 PCB 散热器,IC 功耗约为 3.5W。
高侧功率MOSFET漏极可以连接到高压电源,而底部N沟道MOSFET源极如果连接到单个高压电源则接地。在这种情况下,数字音频信号处理器 IC 输出可以直接连接到具有接地参考电平的 MD7120 输入,无需电平转换器。然而,扬声器或单通道输出参考不能接地。
龙腾半导体SGT MOSFET LSGT085R018在智慧农业无