时间:2023-07-07 15:02
人气:
作者:admin
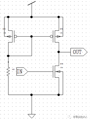
共源级放大器,负载为电流源,电流源采用电流镜实现,偏置为电阻与电流镜实现的简单偏置。各结点号已标注在图中,其中 GND 的默认结点号为 0 结点。

元器件参数:
M1 OUT IN Gnd Gnd NMOS L=2u W=22u AD=66p PD=24u AS=66p PS=24u
M2 OUT N2 Vdd Vdd PMOS L=2u W=22u AD=66p PD=24u AS=66p PS=24u
M3 N2 N2 Vdd Vdd PMOS L=2u W=22u AD=66p PD=24u AS=66p PS=24u
R4 N2 Gnd R TC=0.0, 0.0
C1 OUT GND C
vvdd Vdd Gnd 5.0
*DC analysis

电阻大小对直流传输特性的影响:R=1K~100K
电阻增大,高电平略有降低,低电平降低。转换电平减小,过渡区变窄

PMOS1 W/L对直流传输特性的影响:W=2u~200u
W增大,高电平略有降低,低电平降低。转换电平减小,过渡区变窄

PMOS2 W/L对直流传输特性的影响:W=2u~200u
W增大,高电平略有增大,低电平增大。转换电平增大,过渡区变宽

NMOS W/L对直流传输特性的影响:W=2u~200u
W增大,高电平略有降低,低电平降低。转换电平减小,过渡区变窄
.param R=50K w1=50u w2=5u w3=50u
*C=1ff

.param R=50K w1=50u w2=5u w3=50u C=1p

.param R=50K w1=50u w2=5u w3=50u C=1p

静态工作点:
vin in Gnd sin 0.5 0.1 1000 0.0 0.0 0.0

vin in Gnd sin 1 0.1 1000 0.0 0.0 0.0

vin in Gnd sin 0.6 0.1 1000 0.0 0.0 0.0

vin in Gnd sin 0.7 0.1 1000 0.0 0.0 0.0

vin in Gnd sin 0.4 0.1 1000 0.0 0.0 0.0


Ibias 为自偏置电路

DC ANALYSIS - temperature=25.0
v(N1) = 3.3954e+000
v(N2) = 5.4138e-002
v(N3) = 2.1050e+000
v(N4) = 2.9770e+000
v(Vdd) = 5.0000e+000
v(VN) = 1.2796e+000
i(vvdd) = -8.5459e-005
上一篇:一种基于ARM的航标终端设计方案
龙腾半导体SGT MOSFET LSGT085R018在智慧农业无