时间:2023-06-21 15:11
人气:
作者:admin
SC6301
低功耗超低噪声时钟抖动消除器
SC6301是高性能时钟调节器,支持JEDEC JESD204B。当使用设备和SYSREF时钟时,PLL2的14个时钟输出可配置去驱动7个JESD204B转换器或其他逻辑设备。SYSREF可以使用直流和交流耦合来提供。不仅限于JESD204B应用,14个输出均可单独配置为传统高性能时钟系统输出。
SC6301具有高性能、低功耗、双VCO、动态数字延迟、信号丢失保持等特性。因此,SC6301是提供灵活的高性能时钟树的理想选择。
新品简介
01
主要性能
支持JEDECJESD204B
超低RMS抖动
76fs RMS Jitter (10kHz到20MHz)
-162dBc/Hz@245.76 MHz
PLL2可提供多达14路差分时钟
最多7个SYSREF时钟
时钟最大输出频率3.1GHz
支持LVPECL, LVDS, HSDS, LCPECL等输出接口
PLL1提供一个VCXO/Crystal缓冲输出
支持LVPECL, LVDS, 2路LVCMOS等输出接口
PLL1
3个备用的输入时钟
手动切换模式
无中断切换和LOS
集成低噪声的晶体振荡电路
具有输入时钟丢失的保持模式
PLL2
相位检测速率:=<155MHz
2路集成低噪声VCO
输出支持1到32整数分频,占空比50%
高精度数字延迟,可自适应性
23ps步进模拟延迟
模式:双PLL, 单PLL, 时钟分布
工作温度:-40℃到85℃
工作电压:3.15V到3.45V
QFN-64封装
02
应用场景
无线基础设施
数据交换时钟
网络, SONET/SDH, DSLAM
医疗/视频
测量
03
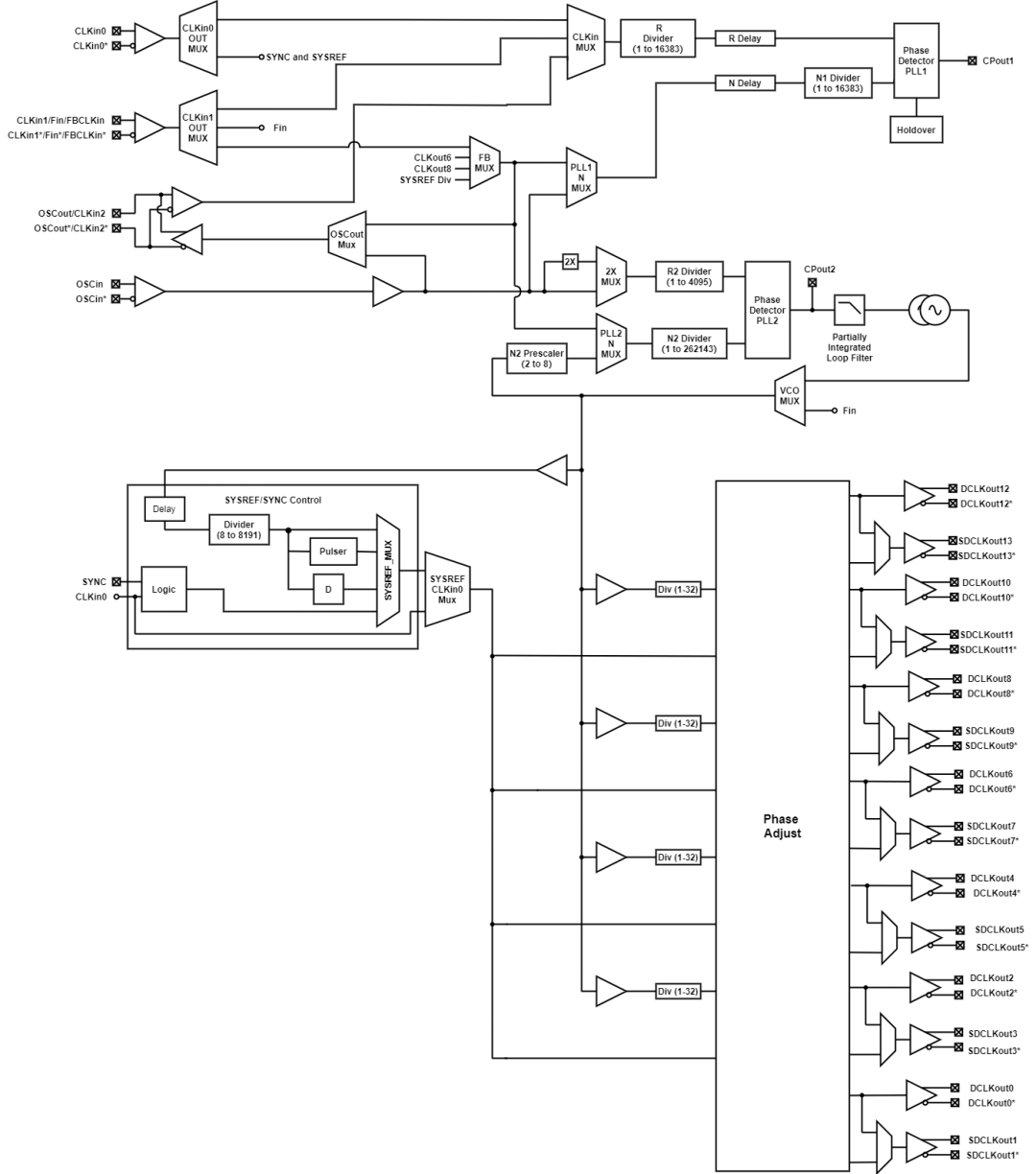
功能框图

审核编辑:刘清
龙腾半导体SGT MOSFET LSGT085R018在智慧农业无