时间:2022-06-15 09:17
人气:
作者:admin

零漂移放大器可以动态校正其失调电压(VOS)并重塑其噪声密度,主要用于精密测量以实现最佳性能。常用的零漂移放大器类型包括自稳零架构和斩波稳定架构,均可实现纳伏级(<1μV)失调电压和极低的失调温度漂移及失调时间漂移。通常来说,斩波放大器更适合用于直流或低频应用,而自稳零放大器则适用于更大带宽的应用。零漂移放大器为设计人员提供了许多好处,帮助他们消除了温度漂移和1/f(频率相关)噪声,而这些噪声一直困扰着用户系统。然而,零漂移放大器是采用数字电路动态校正模拟失调误差的复合放大器,其精密性能需要付出一定的代价,这也是不存在理想放大器的原因之一。当使用零漂移放大器时,必须考虑的应用问题包括电荷注入、时钟馈通、互调失真和过载恢复时间。
Linearin零漂移放大器LTC855x、LTC833x系列采用专利技术和优化的电路拓扑结构,具有极低的失调电压、温漂系数和电压噪声,并具备极高的开环增益、共模抑制比(CMRR)和电源抑制比(PSRR),实现了传感器小信号调理所需的高精度水平。此外,Linearin专利的连续共模反馈控制使得这些器件具有更快的阶跃响应性能,有效降低了信号输出的差错;内部专有技术的高性能时序电路,用以实现这些器件的持久稳定运行。LTC855x、LTC833x系列零漂移放大器可适用于预期设计寿命超过十年的用户系统,特别是用于处理低频、低幅度小信号时使用高闭环增益(例如,>100dB)的信号链设计。典型应用案例包括:精密电流检测、医疗仪器、电子秤、精密计量设备以及热电堆传感器接口等。
用于非接触式温度测量的热电堆传感器是由串联(或偶尔并联)的大量热电偶组成。串联热电偶的输出电压取决于热电偶结与基准结之间的温度差,该原理称为塞贝克效应。热电堆传感器一般具有较高的阻抗,典型值60kΩ~115kΩ,输出电压相对较小,从几百微伏(μV)到几毫伏(mV)。医用级耳温计、 额温枪等设备的最大测量误差一般要求为±0.2℃,运行环境温度范围16℃~35℃,测量温度显示范围35℃~42℃。对于大多数热电堆传感器来说,±12℃对应的输出电压信号变化一般在14μV~20μV之间,因此,热电堆传感器的接口放大电路需要高增益和极低的失调与漂移,以避免直流误差。
LTC855x系列零漂移放大器具有8μV“最大”失调电压和40nV/℃“最大”温漂特性,这对于16℃至35℃的“最大”应用环境温度变化仅会产生≤0.76μV的漂移量。由于每个设备上所使用放大器的失调电压可以在设备出厂前被校准,因此,放大器的温漂特性对用户设备的测量精度影响更为重要。LTC855x系列零漂移放大器在16℃至35℃“最大”变化所可能产生“最大”0.76μV偏移量,远低于医用级±0.2℃精度要求所对应的热电堆传感器的输出典型值(14μV~20μV),这对于提高用户设备的测量精度尤为重要。
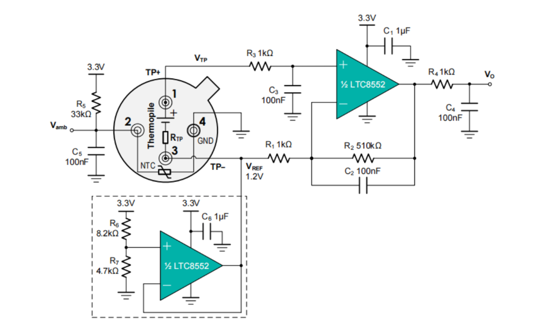
如下图所示,本电路是一个完整基于热电堆传感器的接口电路,其采用了LTC8552零漂移放大器。LTC8552在1kHz下的电压噪声频谱密度仅为19nV/√Hz ,远低于35~40nV/√Hz的热电堆电压噪声密度。本电路适用于耳温计、额温枪等医用级体温测量设备以及工业测温仪等应用。

本电路设计步骤
确定增益电阻R1、R2的阻值。为了使用较低值的增益设置电阻以降低反馈至输出端的电流噪声,R1阻值一般不易过大,建议的R1阻值在220Ω至2kΩ,本电路选择R1=1kΩ。然后,根据放大倍数要求选定R2阻值。
该放大电路传递函数为:VO=VREF VTP×(1R2/R1)
在反馈电阻R2上并联电容C2,以限制信号带宽来降低反馈至输出端的馈通及噪声。由于测温电路接近于DC应用,该电路的带宽可由R2和C2来限定:fP=1/(2Π×R2×C2)
为了使两输入端上的源阻抗及CIN匹配,以使得馈通最小化,IN+输入端增加R3和对地连接的C3,并且,应使得R3=R1阻值,C3=C2容值。
为使得放大级之后建立RC滤波以获得更稳定的输出信号,在输出端连接R4及对地连接的C4。
为更好的利用放大器的线性输出工作范围以及利用ADC的满量程来获得更高分辨率的信号,通常在IN-端提供一个VREF偏置电压。VREF可以采用LDO或基准电压芯片来产生,可以通过电阻分压的方式产生。
通过电阻分压的方式来获得VREF虽然成本较低,但是,如果将分压产生的VREF直接施加在输入端的电阻上时,流经R1的电流将会分流到分压电阻上而引起VREF发生变化。VREF误差将对输出产生影响,由此会影响到系统测量的准确性(即引起额外的温度测量偏差)。
本电路采用LTC8552的一路放大器来驱动VREF以提高系统测量的准确性。
龙腾半导体SGT MOSFET LSGT085R018在智慧农业无