时间:2023-03-17 09:30
人气:
作者:admin
在本文的第一部分——《如何通过改进IGBT模块布局来克服芯片缩小带来的热性能挑战》,我们提到尺寸和功率往往看起来像硬币的两面。当你缩小尺寸时,你不可避免地会降低功率。在那篇文章中,我们介绍了芯片缩小对热性能的影响,以及如何通过优化芯片位置和模块布局来减轻这种影响。现在,让我们来看看我们如何能够改善电气性能。同样,我们将以采用TRENCHSTOP IGBT 7技术的新型1200V、600A EconoDUAL 3模块为例,该模块针对通用驱动(GPD)、商业、建筑和农业车辆(CAV)、不间断电源(UPS)和太阳能等应用进行了优化。
1200V TRENCHSTOP IGBT 7中功率技术与以前的IGBT 4技术相比,芯片缩小了约30%。芯片放置和模块布局可以对较小的芯片的热性能产生积极的影响,但它们也会影响开关损耗。
小芯片的电气挑战
在EconoDUAL 3这样的中等功率模块中,需要并联多个芯片以实现高模块电流。为了充分利用芯片技术的开关性能,一个适当的模块设计是关键,这意味着并联芯片的对称性非常重要。
开关速度和损耗的一个限制因素是在IGBT开启期间从二极管到IGBT之间的换流。图1说明了在相同的di/dt,和相同的IGBT和二极管技术和尺寸下,两种不同模块布局的IGBT开启过程。

图1:模块布局V1和V2的IGBT 7开启过程,开关速度相同
当电流开始上升时,CE电压下降。两种不同布局之间的一个明显区别是,电压(Vce)在V1中显示出一个驼峰曲线,这是由二极管的恢复过程造成的。二极管的电流需要过零,以便能够承担电压。从这点开始,IGBT可以将电压转移到二极管上,让自己的电压下降,直到达到饱和状态(Vcesat)。
由于芯片并联,最慢的二极管决定了整体开关速度。尽管两种布局在第一阶段显示了相等的di/dt,但V2有一个较高的反向恢复电流峰值,而V1在最后阶段显示了一个较高的反向恢复拖尾电流。这表明两种布局的二极管恢复过程是不同的,而且它直接影响到IGBT的开通损耗和二极管的关断损耗。为了更清楚地看到这一点,你可以比较V1和V2的模块布局的简化原理图(图2)。
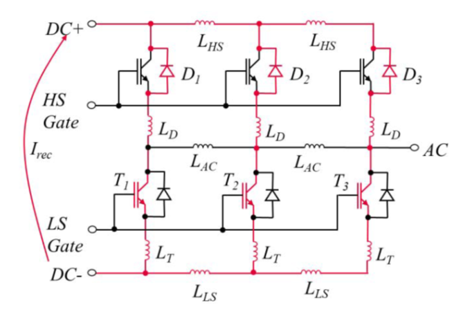
比较模块布局原理图以改善换流能力

模块布局V1的简化示意图;
LD3;
LT3;LLS>LHS>>LT12=LD12

模块布局V2的简化示意图;LLS=LHS=LAC>>LT=LD
图2:模块布局V1和V2的简化示意图。低边IGBT的开启过程和反向恢复电流的电流路径用红色标出。
在V1中,高边(HS)和低边(LS)的所有IGBT和FWD被分别并联,然后通过一个公共电感(LHS)连接。在LS IGBT的开启过程中,所有的高边二极管与低边IGBT通过这个单一的公共电感进行换向,这降低了反向恢复电流上升阶段的di/dt,从而导致载流子的提取速度变慢。
在V2中,使用了不同的物理布局。在这里,每个高边二极管可以在它自己的电流路径上与相应的低边IGBT直接换向。这导致了在二极管电流的过零点到反向恢复电流峰值之间的阶段有一个更陡峭的di/dt。更多的电荷载流子在第一阶段被提取,而二极管可以更快地建立电压(图3)。

图3:在相同的di/dt开关速度下,模块布局V1和V2的二极管关断
当从所有二极管中提取载流子的过程是同步的,IGBT电压可以更快地下降,降低IGBT开启的开关损耗。最好的情况是当并联的IGBT可以直接与对面的各自的续流二极管(FWD)换向,所有的路径都有理想的相同电感。尽管V2中低边和高边的不对称性增加了,但可以实现整体开关损耗的巨大减少--在相同的di/dt下约为7%(图4)。

图4:在图2和图4所示的开关条件下,模块布局V1和V2的相对IGBT 7开关损耗。
比较1200V 600A TRENCHSTOP IGBT 7
与前一代IGBT 4的热和电气性
从本文的第一部分--以及现在的第二部分--可以看出,优化模块布局对散热和电气性能都有重大影响。但是,这在实践中是如何应用的呢?为此,让我们比较一下以前的EconoDUAL 3 1200V, 600A with TRENCHSTOP IGBT4配备的模块布局V1(FF600R12ME4_B72)和新的EconoDUAL 3 1200V, 600A with TRENCHSTOP IGBT7配备的模块布局V2。
为了得到一个实际的比较,让我们看看典型应用条件下的性能(图5)。我们在逆变器工作模式下运行模块,采用强制空气散热器冷却。为了获得模块的完整热图像,我们用红外相机测量了IGBT和FWD的结温。

图5:典型仿真条件
受到二极管瞬变的限制,IGBT4模块(FF600R12ME4_B72)是在du/dt为4.1kV/μs时测试的。IGBT7模块是在两个不同的开关速度--5 kV/μs和6.5kV/μs--下测量的。从图6中的结果可以看出,IGBT4模块的最大有效值电流为490A,而IGBT7模块在5kV/μs的IGBT(du-dt)on下最大可输出520A的电流,在6.5kV/μs的IGBT(du-dt)on下输出电流可达到535A。这意味着,在典型的应用条件下,新的EconoDUAL 3 1200V, 600A TRENCHSTOP IGBT7可以提供约8%的更高的输出有效值电流,而不会受到开关速度的限制。

图6:测量平均芯片温度Tvj,avg作为不同IGBT(du-dt)on的RMS输出电流IRMS的函数
这些数字表明,即使不改变芯片技术,也可以通过模块设计在热和电气方面实现更高的输出电流。在应用条件下的实际测量中,也证实了这些发现。
新开发的带有TRENCHSTOP IGBT7的EconoDUAL 3 1200V, 600A的整体开关损耗与前一代带有IGBT 4的产品相比可减少约10%至25%。此外,其静态损耗可降低20%。测量结果证实,在150°C时,输出电流增加了约7%,但如果使用IGBT7的过载运行温度高达175°C,这种差异会更加明显。
虽然芯片缩小可能会提高热阻,但是通过巧妙的模块设计,芯片的缩小却不一定导致应用性能下降。
龙腾半导体SGT MOSFET LSGT085R018在智慧农业无