时间:2023-03-27 10:17
人气:
作者:admin
宽带接收机设计需要采用外差体系结构,以便在有干扰或者阻塞信号的情况下获得最佳灵敏度。其中在模数转换器(ADC)选型中,IF频率、接收机模拟功率增益、信号带宽和ADC采样时钟频率是通信系统的重要参数,本文重点介绍国产芯炽模数转换器SC2245-10在宽带通信接收机中的带来的应用优势。
SC2245-10是一款14位单通道10Msps低功耗模数转换器,该芯片具有77dB信噪比和82dB无杂散动态范围,低噪音使得该模数转换器在宽带通信设计中不需要降低增益或采用自动增益控制。同时也是一款3V数字电源供电的模数转换器,专为数字化高频宽动态范围信号而设计。

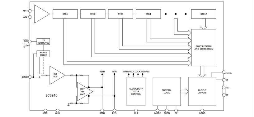
芯片模块示意图
SC2245-10非常适合要求苛刻的通信应用,其交流性能远远超过奈奎斯特频率的信号。直流规格包括±1LSB INL(典型值),±0.25LSB DNL(典型值)和无漏失码。SC2245-10输入端参考噪声很低,仅为0.96LSBRMS。一个单独的输出电源使输出能驱动0.5V至3.6V逻辑电路,一个单端CLK输入负责控制转换器运作。
SC2245-10用于宽带通信接收机中优势如下:
· 3V的模拟电源供电和数字电源供电;
·灵活输入范围:1VP-P to 2VP-P ;
·0.5V至3.3V输出电源;
·低功耗:60mW (10MSPS);
·信噪比(SNR):77dBFS无杂散动态范围(SFDR):82dB ;
·微分非线性(DNL):±0.25LSB(典型值)
·输入端参考噪声:0.96LSBRMS
注:如涉及作品版权问题,请联系删除。
龙腾半导体SGT MOSFET LSGT085R018在智慧农业无