时间:2023-04-03 16:10
人气:
作者:admin
HA2003/HA2004型低噪声8M带宽轨至轨运算放大器是深圳市乾鸿微电子有限公司自主设计,并基于国内代工厂工艺流片的模拟集成电路产品。工作电压范围2.5V~5.5V,带宽8MHz;输入失调电压小于450μV,具有较高的精度。还具备高输入阻抗、轨到轨输入输出、低噪声等特性,使得该产品适用于光电二极管电流信号放大、精密传感器、音频等需要高精度且具备一定带宽运算放大器的应用场合。
HA2003/HA2004的工作温度范围为-40°C~125°C,HA2003单通道放大器采用小尺寸SOT23-5封装,HA2004双通道放大器采用SOP-8封装。




失调电压:450μV
带 宽:8MHz
供电范围:单电源2.5V~5.5V
低 噪 声:6.5nV/√Hz
单位增益稳定、轨到轨I/O
工作温度:-40℃~125℃

01
电池供电设备
02
仪器仪表
03
传感器
04
音频

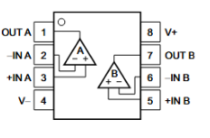
图1


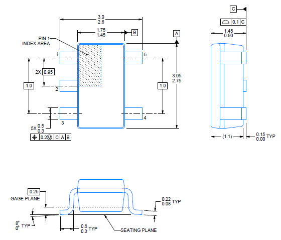
图2



· 推荐工作条件 · 电源电压(VCC): 2.5V~5.5V单电源工作环境温度:-40°C~125°C · 极限工作条件 ·电源电压(Vs):6V结温:150°C
ESD防护等级:2000V(HBM)




HA2003塑封SOT23-5

HA2004塑封SOP-8

龙腾半导体SGT MOSFET LSGT085R018在智慧农业无