时间:2022-04-16 11:42
人气:
作者:admin
IGBT驱动需要电流:
IGBT是一种电压驱动的电子开关,正常情况下只要给15V电压就可以饱和导通,实际器件的驱动是给栅极端口电容充放电,还是需要电流的。IGBT驱动电流峰值电流取决于栅极总电阻,电流取决于栅极电荷,但我们一般讲的是峰值电流。
驱动的峰值电流很好理解,按照欧姆定律,由驱动电压和驱动电阻决定:

但在小阻值驱动回路中,实际测得驱动电流一般比上述公式计算值要小,原因是驱动回路中还有杂散电感存在,因此电流峰值一般为计算值的70%。

如果栅极存在振荡,而且是低阻尼振荡的话,驱动电流会大于计算值,这在驱动电路设计中要考虑到。
栅极电感对驱动电流的影响:
先看一个实测的例子,结果可能出乎你意料,电感大,开通损耗低。
图中给出了一个实验测量结果。该实验中,比较了6cm和18cm长的双绞驱动线下的IGBT动态特性,长线18cm,驱动电感LG大,但开通损耗Eon降低了约31mJ。

这是为什么呢?
当将驱动连接到IGBT栅极时,不可避免地会存在寄生电感,且寄生电感与栅极电阻串联。这个寄生电感包括引线电感(无论这种连接是线缆或是电路板上的走线),栅极电阻自身电感和与模块栅极结构的电感。
栅极引线电感对IGBT开通关断过程的影响如下图所示。引线电感越大,IGBT开通的di/dt和dv/dt越大。然而,关断时开关速度保持不变,但有延迟。

如何解释这一现象呢?电感特性就是阻止电流变化,在电感中电流不能突变,就是说最初时寄生电感阻碍着栅极电容充电,一旦达到最大栅极电流,电感就趋向维持这个电流,释放电感中的能量,就像一个电流源一样为IGBT的栅极电容充电,所以驱动电流是增加的,开通损耗降低。
实验发现只有在正负电源驱动中,如-15V/15V驱动的开通过程中才会出现这种现象,单电源,如0V/15V驱动的开通只会延迟,开关速度没变,开通损耗没有降低。这又是为什么呢?
对于IGBT,当栅极电压达到阀值电压UGE(TO)之前,它是关断的。在栅极电压为0V/15V的驱动器中,如果增加栅极引线电感,一般栅极电压超过UGE(TO)后栅极电流才达到最大值。在这种情况下,离开密勒平台后,才会有储存在寄生电感中的能量去充栅极电容,使得栅极电压最终达到15V,这时有点晚了,只会产生开通延迟,不会对开通速度产生影响。
在-15V/15V的栅极电压下,情况不同,在栅极电压即将达到UGE(TO)时,栅极电流已经达到最大,存储在寄生电感中的能量加快了IGBT开通速度,当然也产生开通延迟。
驱动电流越大越好吗?
这里讲的是实际的驱动电流,不是驱动器输出电流能力。设计驱动电流就是选栅极电阻值,驱动电流大就意味着减小栅极电阻Rg,要使得开关损耗最低,要找到电路不振荡的临界值。

振荡临界值:
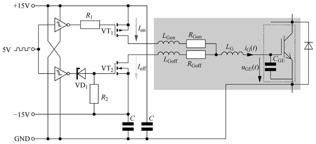
含寄生参数的驱动电路,主要关注驱动线的电感,在这里只研究它对振荡临界值的影响。
在开通和关断时,假设IGBT的内部电容CGE恒定,寄生电感LG和独立的引线电感LGon与LGoff由二阶RLC电路的微分方程推导确定,即:

式中,L为栅极路径中电感的总和(H);RG为外部和内部栅极电阻的总和(Ω),iG(t)为随时间变化的栅极电流(A)。
求解上述微分方程得出Ipeak为:

式中,e为自然对数,e=2.71828。
同时可以得到栅极路径中不会引起振荡的最小栅极电阻RG,min为:

式中,∑LG为栅极负载电感总和(LG+LGon或LG+LGoff)(H)。
从公式中可以看出,如果电感LG比较大,相应的栅极电阻RG的值也必须增大,以避免振荡,尤其要注意RGon选值,太小的话,IGBT开通过快,一方面造成二极管的反向恢复损耗增加,甚至会导致续流二极管会发生跳变行为(snap-off),从而引起振荡,还有可能损坏二极管。

上图解读:开通过程中,由于栅极杂散电感太高(Rg电阻没有为此选很大时)导致二极管振荡并超出SOA (1.7kV IGBT模块)
举个数值例子:
如果驱动为+15V,-10V,那么∆UGE=25V,栅极回路电感量为20nH,IGBT的输入电容为30nF,那么:

如果设计中栅极电阻取值小于1.63欧姆,驱动电路就会振荡,如果在这一临界值上电路不振荡,那么驱动电流峰值为:

如果增加栅极电阻,寄生电感参数影响变小,系数0.74会接近1.0。
结论:
1
理解IGBT驱动电流很重要;
2
IGBT驱动线长,开通损耗可能降低;
3
驱动设计时需要选取合适的驱动电流,太小驱动能力不足,增加功率器件损耗,太大可能引起开通振荡。
上一篇:如何选择车载逆变器
龙腾半导体SGT MOSFET LSGT085R018在智慧农业无