时间:2022-05-26 18:00
人气:
作者:admin
EasyGo DeskSimV3.5正式发布啦!EasyGo DeskSim软件依托PXI平台进行电力与电力电子的实时仿真验证。利用FPGA硬件则可以进行电力电子小步长仿真。其中的EasyGoFPGABlock就是配对FPGA硬件来进行实时仿真的。这次新版本的发布,主要更新的FPGA仿真的新功能,能够更好的满足用户需求。话不多说,小编带大家先来体验一下新产品的特性。
嵌入FPGA模块库,更清晰直观的模型与硬件映射方式
目前市面上有一些电力电子FPGA仿真软件,建模环境与IO配置是分开的,当系统模型复杂的时候,就需要不断的去来回切换检查是否映射错误,不是很直观。EasyGoDeskSim在Simulink中嵌入IO库,搭建模型的同时可以同时拖拽IO模块来定义硬件映射配置,简单清晰。

通过IO模块,可以设置FPGA板卡的型号,IO通道序号,每个通道的信号变比以及偏置情况,十分的方便。

支持多FPGA并行仿真,自动分配至多个FPGA自动运行,采用高速FPGA交互。
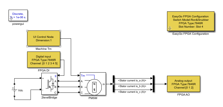
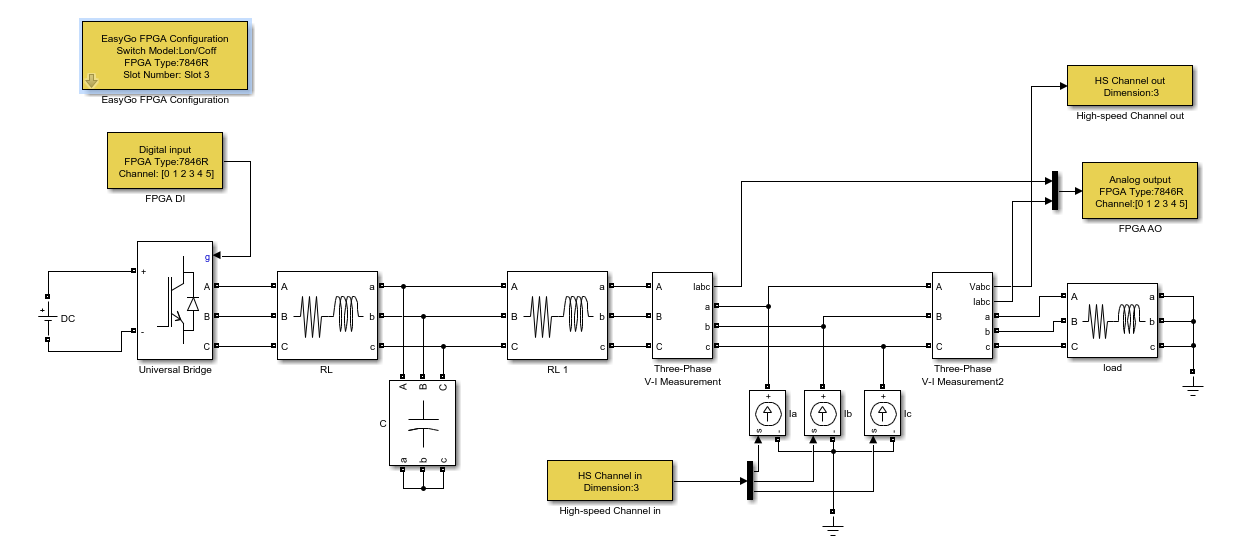
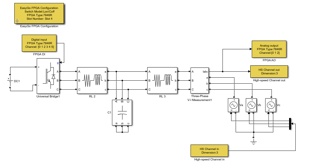
以2个逆变器并行仿真为例,TOP层模型如下所示,将整个slx模型载入到desksim里面,就会将模型分到两个FPGA中运行,其中HIL1运行在一块FPGA, HIL2运行在另外一块FPGA里面。两者之间会通过高速通道交互。

在HIL1和HIL2则分别仿真一个逆变器,定义好两个模型之间的交互信息,以及硬件IO配置信息即可。
HIL1:

HIL2:

支持两种开关建模方式仿真,任意选择
电力电子的建模仿真关键在于对开关器件的仿真,EasyGo 提供了两种开关的建模仿真方式,分别是 Ron&Snubber 和 Lon/Coff 。
Ron&Snubber 的建模方式在开关导通的时候,仿真成 Ron 并联 RsCs,开关断开的时候仿真成RsCs。这种方法是在电力电子离线仿真中是普遍常用的经典方法,仿真结果数值相对比较稳定,但是开关在导通和断开的情况下对应的导纳不同,系数矩阵在仿真过程中需要实时更新,仿真算法比较复杂。
Lon/Coff 的建模方式在开关导通的时候,仿真成 小电感Lon,开关断开的时候仿真成小电容Coff。这种方法是电力电子在FPGA仿真传统经典方法,主要是为了Lon和Coff在离散化的时候的导纳可以相等,从而使得整个电路拓扑的系数矩阵不会因为开关的切换而变化,不需要在运算过程中重新计算系数矩阵,仿真过程更为简单,仿真速度可以更快。

FPGA模型无需编译,直接下载硬件运行
配置好的模型可以直接导入到DeskSim软件中,搭建好人机界面就可以一键运行,没有FPGA编译过程,大大方便了用户。
显示模型信息
点击运行按钮即可运行程序,把相应的控制侧运行起来就可以观测人机界面了。

支持FPGA模型实时在线调整电路参数
FPGA上载入的电路模型中的大部分参数都可以进行修改,点击页面下左侧的小设置按钮,即可打开添加参数的窗口。

在左侧可以选择参数,点击中间向右的箭头,就可以添加到右侧动态参数的列表中。

点击确定,参数就会添加到Model Parameter Manager区域下的列表中,用户在运行过程中可以修改Value列下的值。

除此之外,还有类似
支持模型从零初始状态仿真或者稳态仿真

支持存储数据一键转化

支持用户自定义电路拓扑封装的subsystem下载等等一些实用的小功能。想了解更多产品信息,欢迎联系:刘经理 18621987811。
龙腾半导体SGT MOSFET LSGT085R018在智慧农业无