时间:2022-01-05 17:40
人气:
作者:admin
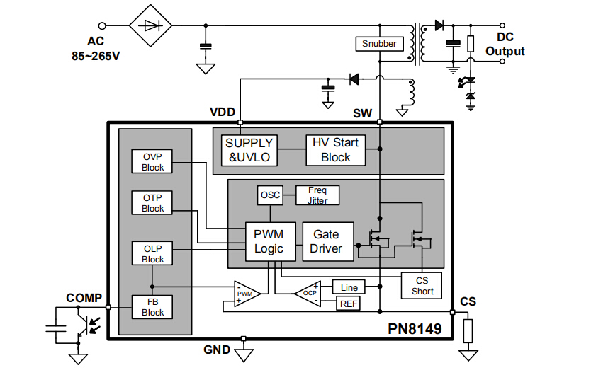
PN8149通过Hi-mode、Eco-mode、Burst-mode的三种脉冲功率调节模式混合技术和特殊器件低功耗结构技术实现了超低的待机功耗、全电压范围下的最佳效率。良好的EMI表现由频率调制技术和Soft Driver技术充分保证。该芯片还内置智能高压启动模块。PN8149为需要超低待机功耗的高性价比反激式开关电源系统提供了一个先进的实现平台,非常适合六级能效标准、Eur2.0、能源之星的应用。

PN8149电源IC小家电专用芯片特点:
1. 待机功耗可显著降低(小于50mW),因为IC自身工作电流极小,且内置高压启动MOS管,IC启动之后自动关闭启动管;
2. 无需高压启动电阻和VDDG电阻,元件精简,且启动更快速(小于200ms),比普通高压电阻启动快10倍。
3. EMI特性好,CE裕量大于8dB(无输出共模电感),RE裕量大于5dB(无输出共模电感);
4. 内置16级软启动功能,更安全。
5. 内置功率MOS管内阻小(1.7-4Ω),同等输出功率下的温升更低。
6. 可承受任何外接元件的开短路/反接破坏测试,包括CS短路保护,防止产线加工时CS电阻短路和其他元件异常而烧毁IC,提高产线直通率;很多竞争产品在CS短路后开机必炸机。
7. 采用自主设计的高雪崩能力智能开关MOSFET,在18W反激系统中去掉RCD/ AC264V下仍能正常工作不烧毁,可见该核心功率器件的耐冲击强度。
8. 通过Hi-mode、Eco-mode、Burst-mode的三种混合调节模式技术,在适当的设计方案中,完全可满足六级能效的四点平均效率标准(带输出线)。

骊微电子代理的PN8149内部集成了脉宽调制控制器和功率MOSFET,专用于高性能、外围元器件精简的交直流转换开关电源。该芯片提供了极为全面和性能优异的智能化保护功能,包括周期式过流保护(外部可调)、过载保护、过压保护、CS短路保护、软启动功能。
下一篇:无锡中微爱芯 入驻华秋商城
龙腾半导体SGT MOSFET LSGT085R018在智慧农业无