时间:2023-04-03 09:30
人气:
作者:admin
集成了主机和屏幕的车载显示面板大多数放置在主控台的中央,显示面板的位置较低会对驾驶员查看信息或者导航地图造成不便,进而对行车安全造成影响。以后越来越多的车载显示面板会放置在主控台上方,甚至略高于主控台。
针对上述情况,有些应用会将音频放大器和主机分离,并且将音频放大器放置在较低的位置,现有的低成本音频放大器采用模拟信号输入,因此主机输出的模拟音频信号需要经过一段较长距离的传输才能到达音频放大器。
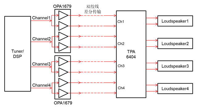
针对车载显示面板远离音频放大器的应用,我们设计了一种低成本的差动音频信号传输方案,如下图3所示。Tuner/DSP输出四路模拟音频信号,音频信号经过两片OPA1679后转换成四对差分信号,经过双绞线的差分传输后进入TPA6404,最终通过扬声器实现音频放大。

图3 差动音频信号传输方案
一方面,上述方案利用OPA1679将音频模拟信号转换为差分信号进行传输,增强了音频信号传输过程中的抗干扰能力,而且,四通道OPA1679能够实现更低的成本。另一方面,因为TPA6404是差分模拟信号输入,相比单端输入的音频放大器不需要差分转单端器件,因此具有成本优势。
使用OPA1678实现的单端转差分信号的具体电路如下图4所示,OPA1678和OPA1679的区别仅仅在于集成的运放数量不同,OPA1678集成了两个音频运算放大器,而OPA1679集成了四个音频运算放大器。OPA1679的共模电压VCM的范围是(Vss+0.5V)~(Vdd-2V),本设计使用5V单电源供电,因此其输入电压范围是0.5V~3V,为了最大化输入电压范围,共模电压设置为1.75V,R2和R3能够为U1和U2运放提供共模电压偏置,偏置电压计算如下:

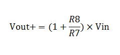
本设计中VDD等于5V电源电压。U1和外围电路形成了同向放大电路,正向输出电压为

U2和外围电路形成了反向放大电路,反向输出电压为

OPA1679的输出电压范围是0.8V~4.2V,需要保证经放大后的输出电压信号在此范围内。

图 4 使用OPA1678实现的单端转差分信号电路
通过令R7开路, R8等于0Ω,并且R4=R5=47KΩ,电路的放大倍数被设置为1,Vout+ =Vin,Vout- =(-Vin)。实际的电路仿真结果如下图5所示,输入信号Vin=2Vpp。图中,Vout+为正相输出信号,Vout-为反相输出信号,从图中可以看出,上述方案能够实现既定的单端转差分信号功能,并且单端输出信号幅度能够达到2Vpp。

图 5 放大倍数为1时,单端转差分电路测试结果
审核编辑:郭婷
下一篇:介绍几种最基本的信号调试方式
龙腾半导体SGT MOSFET LSGT085R018在智慧农业无