时间:2023-03-21 09:42
人气:
作者:admin
三相模块的母线电压可以达到800V,如果DCDC仍然采用传统的两电平拓扑,那么DC MOS管必须采用1200V耐压的MOS管。而目前市场上这样的MOS管型号非常少,而且很贵。如果采用三电平拓扑,就可以继续采用600V的MOS管了,型号丰富,成本也低。
三电平PWM控制已经得到了成熟应用,但是传统的PWM拓扑整体效率低,所以在三电平的基础上,又采用了LLC拓扑,该拓扑从成本、效率等方面都得到了很好的兼顾。

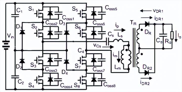
三电平全桥LLC主电路拓扑
电路说明:
1、谐振电感和谐振电容做成两边平衡的方式,是因为项目组在实验过程中发现如果是单Lr, Cr模式,MOS驱动信号容易受干扰,拆成两边对称放置以后,驱动可靠性提高;
三电平全桥LLC电路拓扑示意图如图(图 五‑3)所示,有8个开关管S1~S8,需要8路驱动信号来完成PFM(调频)、PWM(调宽)控制,S1~S8对应的高精度驱动信号编号为PWM1~PWM8。
注:PWM并不单指控制策略采用PWM方式时的开关信号,也包括PFM方式时的开关信号。

三电平LLC电路拓扑框图
在此三电平LLC电路控制中,设计8路驱动信号PWM1~PWM8,从(图 五‑4)的发波时序图来看,这8路驱动有下面的关系:
1) PWM1和PWM4,PWM2和PWM3,PWM5和PWM8,PWM6和PWM7相位互补(不考虑死区时间Td2和提前关断时间Td1);
2) PWM1比PWM2提前Td1关断,PWM4比PWM3提前Td1关断,PWM5比PWM6提前Td1关断,PWM8比PWM7提前Td1关断;
根据控制策略需要,PWM1~PWM8可以实现高精度PFM/PWM/PSM(或者同时实现其中两个状态,如PFM+PWM),在三种控制状态(PFM/PSM/PWM)下PWM1~PWM8在一个开关周期内的输出波形如图(图 五‑4)所示,以高电平(或者为低电平)为有效电平,当PWMx(x=1~8)为高时通过相应的驱动电路使得Sx导通,当PWMx为低时通过相应的驱动电路使得Sx断开。

图 五 4 高精度驱动信号时序图
PFM/PSM/PWM三种工作态下的特性分别为:
1) 在PFM状态时,通过环路控制改变开关频率f(或者说Ts),开关频率f在100kHz~250kHz之间调节,占空比固定为50%(不考虑死区时间Td2和提前关断时间Td1),相移Tps为0;
2) 在PSM状态时,通过环路控制改变相移Tps,移相功率角在0~100%之间调节, f固定为最高开关频率250kHz,占空比固定为50%(不考虑死区时间Td2和提前关断时间Td1);
3) 在PWM状态时,通过环路控制改变占空比,占空比在0~50%之间调节, f固定为最高开关频率250kHz,相移Tps为0。

图 五 5 PFM模态下主要工作原理和波形
以常用的PFM为例,来说明电路的主要工作原理和波形,如下图 五‑5:
模态 1[t0, t1]:在 t0 时刻,S1、S2、S7、S8同时开通。谐振网络中的原边电流 ip 流经上述开关管,并以正弦形式上升。同时因为变压器副边被输出电压钳位,故而励磁电流 im线性增加。副边整流二极管中流过的电流取决于原边电流 ip 和励磁电流 im之差;
模态 2[t1, t2]:当原边电流 ip 谐振过峰值并下降到和励磁电流 im相等时,副边二极管电流就减小为零,整流二极管 DR1 零电流关断;
模态 3[t2, t3]:在 t2 时刻,S1 和 S8 先于 S2和 S7关断。原边谐振电流 ip开始对 S1和 S8的寄生电容 COSS1 和 COSS8 进行充电,同时对 S3/S4/ S5/S6 的寄生电容 COSS3 /COSS4/COSS5 /COSS6 放电,因此上述开关管的寄生电容也参与了谐振过程;
模态 4[t3, t4]:在 t3 时刻,COSS1 和 COSS8上的电压上升到了 Vin/2,钳位二极管 D1 和 D4导通,从而限制了电压进一步上升。同时 COSS3+COSS4和 COSS5+ COSS6 上的电压也被钳位在Vin/2。此时原边谐振电流流经 S2、S7 和 D1、D4 。
模态 5[t4, t5]:在 t4 时刻,开关管 S2 和 S7关断。 与模态 3 相似, 谐振电流 ip 开始对 COSS2和COSS7进行充电和对COSS3+COSS4和 COSS5+ COSS6进行放电。所以此阶段上述6个寄生电容也参与了谐振过程。与此同时 S3/S4 /S5/S6 的寄生体二极管导通,不但提供了电流回路使能量回馈至输入端,也在变压器上产生了反向的电压偏置,使副边整流二极管 DR2 导通,励磁电感 Lm 被输出电压钳位从而脱离谐振网络。
在这一阶段结束的 t5 时刻,COSS2 和 COSS7上的电压为 Vin/2, COSS3~ COSS6 上的电压保持在零,谐振电流 ip 流经 S3~S6 的寄生二极管,从而满足了 S3~S6 零电压开启的条件。此时如果 S3~S6 的开通信号来临,变流器将进入后半个工作周期。
PSM/PWM工作原理均与PFM类似,只是传能阶段的时间缩小了,即有效占空比减小,这样便于在最高频率受限的情况下,迅速的降低输出电压。
上一篇:运放输出钳位机理及避免办法
下一篇:如何选择合适的运放
龙腾半导体SGT MOSFET LSGT085R018在智慧农业无