时间:2023-03-24 09:29
人气:
作者:admin
在测试测量相关应用中,模拟开关和多路复用器有着非常广泛的应用,例如运放的增益调节、ADC分时采集多路传感器信号等等。虽然它的功能很简单,但是仍然有很多细节,需要大家在使用的过程中注意。所以,在这里为大家介绍一下模拟开关和多路复用器的基础参数。
在开始介绍基础的参数之前,我们有必要介绍一下模拟开关和多路复用器的基本单元MOSFET开关的基本结构。
一. MOSFET开关的架构
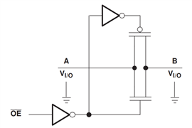
MOSFET开关常见的架构有3种,如图1所示。
1)NFET。
2)NFET和PFET。
3)带有电荷泵的NFET。
三种架构各有特点,本文主要基于NFET和PFET架构展开介绍和仿真,但是涉及到的概念在三种架构中都是适用的。



图 1 MOSFET开关结构
另外,需要注意的是,此处的MOSFET结构,S和D是对称的,所以在功能上是可以互换的,也因此,开关是双向的,为了便于讨论,我们统一把S极作为输入。
二.模拟开关和多路复用器直流参数介绍
1. 导通电阻 On Resistance
(1). 定义

图 2 On Resistance 定义
(2). 特点
1) 随输入信号电压而改变:当芯片的供电电压固定时,对于NMOS而言,S级的电压越高,导通电阻越来越大,对于PMOS而言,S级的电压越高,导通电阻越来越小。


图 3 导通电阻随输入信号电压变化的曲线
2) 导通电阻的阻值与温度有关:当VDD和VSS固定不变时,随着温度的升高,导通电阻的曲线整体向上平移。

图 4 导通电阻随温度变化的曲线
3) 导通电阻的平坦度:On-resistance flatness

图 5 On-resistance flatness
在一定的输入电压范围内,导通电阻的最大值与最小值的差称为导通电阻的平坦度,这个值越大,说明导通电阻的变化幅度越大。
(3). 影响
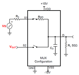
在这里,我们通过一个仿真实例来观察一下导通电阻及平坦度对于系统的影响,如图6。为了更容易地观察到影响,我们选择设置R1和R2为100Ω。

图 6 MUX36S08仿真电路

图 7 输入及输出波形
从仿真的结果我们可以看出:
1) 输出电压并不是我们输入电压乘以放大比例后的结果,这是因为有导通电阻的存在。

2) 输出电压随输入电压的并不是线性关系,这是因为Ron随着Vin在变化,会在输出端引入非线性误差。所以,Ron的平坦度越小,输出的非线性误差越小。
2.漏电流 Leakage current
(1). 定义
1) Source off-leakage current: 在开关断开时,从源极流入或流出的电流称为

,如图8。
2) Drain off-leakage current: 在开关断开时,从漏极流入或流出的电流称为

,如图8
3) On-leakage current: 当开关闭合时,从漏极流入或流出的电流称为

,如图8。


图 8 漏电流定义
(2). 特点
漏电流随温度变化剧烈。

图 9 漏电流随温度变化的曲线
(3). 影响
在很多数据采集系统中,接入MUX前的传感器有可能是高阻抗的传感器。这时,漏电流的影响就会凸显出来。
例如,在图10的仿真中,输入源有1MΩ的源阻抗,我们对这个电阻进行直流参数扫描,观察它从1MΩ变化至10MΩ时,对输出电压的影响,结果可以看到,漏电流通过传感器的内阻会给输出电压带来一个直流误差。所以,在为高输出阻抗的传感器选择MUX时,要尽可能选取低漏电流的芯片。

图 10 漏电流仿真电路

图 11 漏电流仿真结果
三. 模拟开关和多路复用器动态参数介绍
1. 导通电容 On Capacitance
(1). 定义
CS和CD代表了开关在断开时的源极和漏极电容。当开关导通时,CON等于源极的电容和漏极的电容之和,如图12。


图 12 On Capacitance
(2). 影响

图 13 MUX36S08 示例
当MUX在不同通道之间切换时,CD也会随着通道的切换被充电或者放电。例如,当S1闭合时,CD会被充电至V1。那么此时CD上的电荷QD1:

当MUX从S1切换至S2时,CD会被充电至V2。那么此时CD上的电荷QD2:

那么两次CD上的电荷差就需要V2来提供,所以这时候,MUX输出就会需要一定的时间来稳定。

对于一个N-bit的ADC:

K其实是代表RC电路中,电压到达目标误差以内时所需要的时间常数的数量,例如10-bit accuracy (LSB % FS= 0.0977), K= -ln (0.0977/100)=6.931。
接下来用一个仿真来说明这种现象:
为了更明显地观察到这种现象,在Vout 端加入一个电容C1,可以理解为增加了CD,也可以理解为负载电容和CD的并联。

图 14 On Capacitance对输出影响的仿真示例电路
当

时,整个回路的时间常数较大,需要更长时间稳定,所以在开关导通20uS之后,输出电压仍然没有稳定到信号源的电压。

图 15 C1=50pF 仿真结果
当

时,整个回路的时间常数较小,需要较短时间稳定,所以在开关导通20uS之内,输出电压稳定到了信号源的电压。

图 16 C1=10pF 仿真结果
2. 注入电荷 Charge Injection
(1). 定义
注入电荷指的是从控制端EN耦合至输出端的电荷。
(2). 影响
因为在开关导通的通道上,缺乏消耗这部分电荷的通路,所以当这部分电荷流入漏极电容和输出电容上时,会在输出产生一个电压误差。


图 17 Charge Injection过程示意图
过程如下:
当在EN端有一个阶跃信号时,这个阶跃电压会通过栅极和漏极之间的寄生电容CGD,耦合至输出端,输出电压的改变取决于注入电荷QINJ,CD和CL。
所以,当注入的电荷越小时,在输出端引入的误差会越小。
但同时,要注意到,注入电荷是一个与供电电压、输入信号都有关的一个参数。因此,当输入信号的电压在变化时,会在输出端产生一个非线性的误差。所以在选在MUX时,除了要注意charge injection的值以外,也要注意charge injection在输入范围内的平坦度。

图 18 MUX36S08 charge injection 曲线
TMUX6104精密模拟多路复用器使用特殊的电荷注入消除电路,可将源极-漏极电荷注入在VSS = 0 V时降至-0.35 pC,在整个信号范围内降至-0.41 pC。

图 19 TMUX6104 Charge Injection 曲线
3. 带宽Bandwidth
(1). 定义
当开关打开时,在漏极的输出删减至源极输入衰减3dB时的频率,如图20所示。

图 20 带宽定义
(2). 计算方法

图 21 简化的MUX内部的开关模型
为了简化分析,我们忽略RS和CS。根据图21中的阻容网络,我们可以写出该电路的传递函数:

其中,3dB cut off frequency:

根据这个公式,结合MUX和负载的参数,我们就可以算出来在当前条件下MUX的带宽了。
4. 通道间串扰 Channel to Channel crosstalk
(1). 定义

图 22 通道间串扰示意图
通道间串扰定义为当已知信号施加到导通通道的源极引脚时,在截止通道的源极引脚上出现的电压。

(2). 特点

图 23 简化的MUX内部的开关模型及通道间串扰随信号频率的变化
Channel to Channel crosstalk是和频率有关的一种现象。主要是由于关断状态下寄生电容导致的。有时,也会由于布局技术不佳而引入了寄生电容,表现为串扰。
CSS表示两个输入通道之间的寄生电容。 这可能是传输信号的两个输入走线之间的电容,或者是多路复用器的两个输入引脚之间的电容。
在较低频率的时候,从S1到OUTPUT的阻抗是RON ,因为S2是断开的,从S2到OUTPUT的阻抗非常高。随着施加到S1的输入信号的频率增加,寄生电容CSD的阻抗变得更低,并在S2引入了一部分S1的输入信号。
相同的原理,寄生电容CSS随频率的增加也会将一部分输入信号直接耦合到断开的通道S2。
减少杂散电容的电路板布局技术也会有助于通道间的串扰问题。
5. 关断隔离 Off isolation
(1). 定义
关断隔离定义为当在关闭通道的源极引脚上施加已知信号时在多路复用器输出引脚上引入的电压。

图 24 关断隔离示意图

(2). 特点

图 25 简化的MUX内部的开关模型及关断隔离随信号频率的变化
像串扰一样,关断隔离也是一种与频率相关的现象,由于模拟开关或多路复用器的OFF状态寄生电容CSD而发生。而开关在截止状态的寄生电容又取决于多个因素,例如器件封装、引出线、制造工艺以及电路板布局技术。
较低的负载电阻将产生更好的OFF隔离,但由于导通电阻的存在,如果负载电阻过低,会引入失真。 较大的负载电容和漏极电容也将有助于更好的OFF隔离,但会限制多路复用器的带宽。
关断隔离和串扰规范都会分为相邻和不相邻通道两类。
审核编辑:郭婷
下一篇:音频放大器调试小技巧
龙腾半导体SGT MOSFET LSGT085R018在智慧农业无