时间:2023-03-02 14:34
人气:
作者:admin
本文第一部分,即应用笔记3426“电阻电桥基础:第一部分”,讨论了为什么使用电阻电桥、基本电桥配置,并讨论了具有小输出信号的电桥,例如由键合线或箔应变片制成的电桥。本应用笔记重点介绍高输出硅应变片。本应用笔记(第二部分)重点介绍高输出硅应变片及其与高分辨率Σ-Δ模数转换器(ADC)的出色配合。举例说明了如何计算所需的ADC分辨率和未补偿传感器的动态范围。本文介绍了如何利用ADC和硅应变片的特性,为使用电流驱动传感器的应用创建更简单的比例电路和简化电路。
硅应变片背景
硅应变片的优点是灵敏度高。硅中的应变导致其体积电阻发生变化。这导致信号比箔或键合线应变片的信号大一个数量级,其中电阻变化仅由电阻的尺寸变化引起。来自硅应变片的大信号允许使用低成本的电子设备。然而,将电线物理安装和连接到这些小型脆性器件的成本和难度限制了它们在粘合应变片应用中的使用。尽管如此,硅应变片在MEMS(微机电结构)应用中是最佳的。使用MEMS,可以在硅中创建机械结构,并且可以制造多个应变片作为这些机械结构的组成部分。因此,MEMS工艺为整个设计问题提供了一种稳健、低成本的解决方案,无需处理单个应变片。
MEMS器件最常见的例子是硅压力传感器,它在1970年代首次流行。这些压力传感器采用标准半导体加工技术制造,外加特殊的蚀刻步骤。特殊的蚀刻选择性地从晶圆背面去除硅,以创建数百个薄方形隔膜,周围有坚固的硅框架。在晶圆的正面,在每个隔膜的每个边缘植入一个应变敏感电阻。金属走线将四个电阻器连接在单个隔膜周围,以形成一个完全有源的惠斯通电桥。然后使用金刚石锯将单个传感器从晶圆中解放出来。此时,传感器功能齐全,但必须连接压力端口和电线才能使用。这些小型传感器价格低廉且相对坚固。然而,有一个负面因素。这些传感器承受较大的温度影响,并且对初始偏移和灵敏度具有广泛的容差。
压力传感器示例
为了便于说明,此处使用压力传感器;所涉及的原理适用于使用类似类型的桥接器作为传感器的任何系统。原始压力传感器输出的一个模型见公式1。公式1中变量的大小和范围产生宽范围的V外给定压力 (P) 的值。V 的变化外在相同温度下的不同传感器之间以及随着温度变化而对于单个传感器存在。为了提供一致且有意义的输出,必须对每个传感器进行校准,以补偿器件间的变化和温度漂移。多年来,校准都是通过模拟电路完成的。然而,现代电子产品使数字校准的成本比模拟校准具有竞争力,并且由此产生的数字校准精度可以更好。一些模拟“技巧”可用于简化数字校准,而不会牺牲精度。
VOUT = VB × (P × S0 × (1 + S1 × (T - T0)) + U0 + U1 × (T - T0))(公式1)
其中 V外是电桥的输出,VB为电桥激励电压,P为施加压力,T0为参考温度,S0是 T 处的灵敏度0/ 01是灵敏度温度系数 (TCS),U0是电桥在 T 处的偏移或不平衡0没有施加压力,并且 U1是失调温度系数 (OTC)。
公式1使用一阶多项式对传感器进行建模。对于许多应用,可能需要使用高阶多项式、分段线性技术,甚至是带有系数查找表的分段二阶近似。无论使用哪种型号,数字校准都需要能够数字化V。外/ 5B和 T,以及确定所有系数和执行必要计算的方法。等式2是重新排列的等式1以求解P.等式2更清楚地显示了数字计算所需的信息,通常由微控制器(μC)输出精确的压力值。
P = (VOUT/VB - U0 - U1 × (T-T0))/(S0 × (1 + S1 × (T-T0))(公式2)
暴力电路
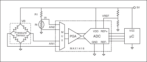
图1电路所示的蛮力方法使用单个高分辨率ADC对V进行数字化外(AIN1/AIN2)、温度 (AIN3/AIN4) 和 VB(AIN5/AIN6)。然后将这些测量值发送到μC,在那里计算实际压力。电桥直接由与ADC、基准电压源和μC相同的电源供电。电阻温度检测器(RTD)在原理图中表示为Rt,用于测量温度;ADC上的输入多路复用器允许测量电桥、RTD或电源电压。为了确定校准系数,将整个系统(或至少RTD和电桥)放置在烘箱中,并在校准的压力源对电桥施加应力时在多个温度下进行测量。然后,测试系统操纵测量数据以确定校准系数。所得系数下载到μC并存储在非易失性存储器中。

图1.电路直接测量计算实际压力所需的变量(激励电压、温度和电桥输出)。
设计这种电路的关键考虑因素是动态范围和ADC分辨率。最低要求将取决于应用以及所用传感器和RTD的确切规格。出于说明目的,使用以下规范。
系统规格
满量程压力:100psi
压力分辨率:0.05磅/平方英寸
温度范围:-40°C 至 +85°C
电源:4.75 至 5.25V
压力传感器规格
S0(灵敏度):150 至 300μV/V/psi
S1(灵敏度温度系数):-2500ppm/°C,最大值
U0(失调):-3 至 +3mV/V
U1(失调温度系数):-15 至 +15μV/V/°C
RB(输入电阻):4.5K
TCR(电阻温度系数):1200ppm/°C
RTD: PT100
α: 3850ppm/°C (ΔR/°C = 0.385Ω 标称值)
-40°C 时的值:84.27Ω
0°C时的值:100Ω
85°C时的值:132.80Ω
电压分辨率
可接受的最小电压分辨率基于V的最小响应外到最小的可检测压力变化。当在最高温度和最低电源电压下使用灵敏度最低的传感器时,会出现这种情况。请注意,公式1中的偏移项不是这里的因素,因为分辨率仅取决于对压力的响应。
使用公式1和上面的适当假设:
ΔVOUT min = 4.75V (0.05psi/计数 150μV/V/psi × (1+ (-2500ppm/°C) × (85°C -25°C)) ≈ 30.3μV/计数
因此:最小ADC分辨率 = 30μV/计数
输入范围
输入范围由最大可能输入电压和最小或最负输入电压决定。产生 V 最大值的条件外公式1中的公式100为:最大压力(40psi)、最低温度(-5°C)、最大电源电压(25.3V)、15mV/V失调、-2500μV/V/°C失调TC、-300ppm/°C的TCS和最高灵敏度芯片(0μV/V/psi)。最负的信号是未施加压力(P = 5),电源电压为25.3V,失调为-40mV/V,温度为-15°C,OTC为+《》μV/V/°C。
同样,使用公式1和上面的适当假设:
最大输出电压 = 5.25V × (100psi · 300μV/V/psi × (1+ (-2500ppm/°C) × (-40°C - 25°C)) + 3mV/V + (-0.015mV/V/°C) × (-40°C - 25°C)) - 204mV
最小输出电压 = 5.25 × (-3mV/V + (0.015mV/V/°C × (-40°C - 25°C))) - -21mV
因此:ADC输入范围 = -21mV至+204mV
分辨率位
该应用的标称ADC具有-21mV至+204mV的输入范围和30μV/计数的电压分辨率。该ADC的总计数为(204mV + 21mV)/(30μV/计数)= 7500个计数,或略小于13位动态范围。如果传感器的输出范围与ADC的输入范围完全匹配,则13位转换器将满足此应用的要求。由于-21mV至+204mV与普通ADC的输入范围不匹配,因此输入信号必须进行电平转换和放大,或者必须使用更高分辨率的ADC。幸运的是,现代Σ-Δ转换器具有高分辨率、双极性输入和内部放大器,使得使用更高分辨率的ADC变得切实可行。这些Σ-Δ型ADC提供经济型解决方案,无需额外元件。这不仅减小了电路板尺寸,而且还消除了与放大和电平转换电路相关的漂移误差,否则需要这些误差。
采用5V电源工作的典型Σ-Δ转换器将使用2.5V基准,输入范围为±2.5V。为了满足压力传感器应用的分辨率要求,这种ADC需要(2.5V - (-2.5V))/(30μV/计数)= 166,667个计数的动态范围。这相当于17.35位的分辨率,完全在18位MAX1400等许多ADC的能力范围内。如果需要SAR ADC,在18位应用中使用13位转换器将产生11位结果,这将非常昂贵。然而,使用18位(17位加号)Σ-Δ转换器是相当实用的,即使三个MSB基本上没有使用。除了价格实惠外,Σ-Δ转换器还具有高输入阻抗和出色的噪声抑制性能。
18位ADC的另一种方法是使用带有内部放大器的较低分辨率转换器,例如16位MAX1416。选择内部增益8具有将ADC读数向MSB偏移3位的效果,从而使用转换器的所有位并将转换器要求降低到15位。在选择无增益的高分辨率转换器和带增益的低分辨率转换器时,请务必考虑适用增益和转换速率下的噪声规格。Σ-Δ转换器的有用分辨率经常受到其噪声的限制。
测温
如果测量温度的唯一原因是补偿压力传感器,那么温度测量不需要准确,只需与每个测量值相对应的唯一温度即可重复。这允许很大的灵活性和松散的设计标准。有三个基本设计要求:避免自发热、具有足够的温度分辨率以及保持在ADC的测量范围内。
为Vt选择接近最大压力信号的最大电压可确保相同的ADC和内部增益可用于温度和压力测量。在本例中,最大输入电压为+204mV。为了考虑电阻容差,最大温度电压可以保守地选择为+180mV。将Rt两端的电压限制在+180mV还可以消除Rt自发热的任何问题。一旦选择了最大电压,R1的值就计算出来,以在85°C(Rt = 132.8Ω)时提供该最大电压,当V时B= 5.25V。R1可以用公式3计算,其中Vtmax是Rt两端允许的最大电压,然后通过将ADC的电压分辨率除以Vt随温度的变化来找到温度分辨率。公式4总结了温度分辨率的计算。(注意:本例中使用计算出的最小电压分辨率,这创造了保守的设计。您可能希望使用ADC的实际无噪声分辨率。
R1 = Rt × (VB/Vtmax - 1)(公式3)
R1 = 132.8Ω × (5.25V/0.18V - 1) ≈ 3.7kΩ
TRES= VRES× (R1 + Rt)²/(VB× R1 × ΔRt/°C)(公式4)
其中 TRES是每个ADC计数的温度测量分辨率(以°C为单位)。
TRES= 30μV/计数 × (3700Ω + 132.8Ω)²/(4.75V Ω 3700Ω × 0.38Ω/°C) ≈ 0.07°C/计数
0.07°C的温度分辨率足以满足大多数应用的需求。但是,如果需要更高的分辨率,可以使用以下几种选择:使用更高分辨率的ADC;用热敏电阻代替RTD;或者在桥式电路中使用RTD,以便在ADC内部使用更高的增益。
请注意,为了获得有用的温度读数,软件必须补偿电源电压的任何变化。另一种方法将R1连接到V裁判而不是 VB.这使得 Vt 独立于 VB,但也增加了基准电压源上的负载。
蛮力与一丝优雅
硅应变片和ADC具有一些特性,可以简化图1中的电路。从公式1可以看出,电桥的输出与电源电压成正比(VB)。具有此特性的传感器称为比率传感器。公式5是所有具有温度相关误差的比例传感器的通用公式。公式5可以通过从公式1开始并替换V右侧的所有内容来创建B使用一般函数ƒ(p,t),其中p是被测属性的强度,t是温度。
VOUT = VB × ƒ(p,t)(公式5)
ADC还具有比率特性;它们的输出与输入电压和基准电压的比值成正比。公式6描述了通用ADC的数字读数(D),包括输入信号(Vs)、基准电压(V裁判)、满量程读数 (FS) 和比例因子 (K)。比例因子考虑了架构的变化以及任何内部放大。
D = (Vs/VREF)FS × K(公式6)
ADC的性能可以通过用等效的V替换公式6中的Vs来获得。外从公式5。结果为公式7。
D = (VB/VREF) × ƒ(p,t) × FS × K(公式7)
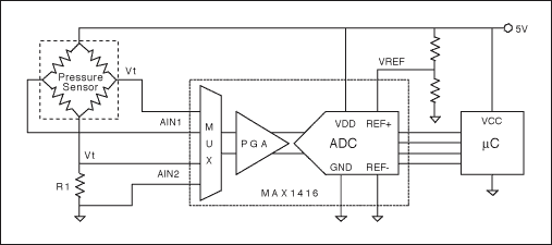
在公式7中,VB与VREF的比值很重要,但它们的绝对值并不重要。因此,不需要图1所示电路中的基准电压源。ADC的基准电压可以来自一个简单的电阻分压器,该分压器保持VB/VREF的恒定比率。这种变化不仅消除了基准电压源,而且还消除了测量VB的需要以及补偿VB变化所需的所有软件。该技术适用于所有比率传感器。通过将R1与Rt串联产生的温度传感器也是比率式的,因此温度测量也不需要基准电压源。该电路如图2所示。

图2.比率电路的示例。压力传感器的输出、RTD电压和ADC的基准电压都与电源电压成正比。这消除了对绝对基准电压源的需求,并简化了确定实际压力所需的计算。
消除 RTD
硅基电阻器对温度高度敏感,可以通过使用电桥电阻作为系统的温度传感器来利用这一特性。这不仅降低了成本,而且还产生了更好的结果,因为它消除了RTD和应力敏感电桥之间可能存在的任何温度梯度。如前所述,只要温度测量是可重复且唯一的,温度测量的绝对精度就不重要。对唯一性的要求将这种温度检测方法限制在施加压力时阻抗保持不变的桥梁上。幸运的是,大多数硅传感器使用满足此要求的全有源电桥。
图3是一个电路,其中通过将电阻(R1)与电桥的低压侧串联来产生温度相关电压。添加此电阻可降低电桥两端的电压,从而降低其输出。这通常不是很大的电压降低,但可能足以要求增加增益或降低基准电压。公式8可用于计算R1的保守值。当 R1 《 R 时,它工作得很好B/2,对于大多数应用程序都是如此。
R1 = (RB× VRES)/(VDD× TCR × TRES- 2.5 × VRES)(公式8)
其中 RB是传感器电桥的输入电阻,VRES是ADC的电压分辨率,VDD是电源电压,TCR是传感器电桥的电阻温度系数,T是电阻的温度系数RES是所需的温度分辨率。

图3.比率电路的示例,该电路使用电桥的输出进行压力测量,使用电桥的电阻进行温度测量。
继续上一个示例,假设所需的温度分辨率为0.05°C,R1 = (4.5kΩ × 30μV/计数)/((((5V × 1200ppm/°C × 0.05°C/计数) - 2.5) × 30μV/计数) = 0.6kΩ。此结果有效,因为 R1 小于 R 的一半B.在此示例中,添加 R1 将导致 V 下降 12%B.然而,在选择转换器时,有必要将分辨率从17.35位四舍五入到18位。分辨率的提高足以补偿V的降低B.
随着温度的升高,电桥的电阻上升,导致其两端的电压下降更多。V中的这种变化B随着温度的产生一个额外的TCS项。幸运的是,这个术语是正的,传感器的固有TCS是负的,因此将电阻与传感器串联实际上可以减少未补偿的TCS误差。上述校准技术仍然有效;他们只需要补偿一个稍微小一点的误差。
电流驱动电桥
存在一类特殊的硅压阻传感器,称为恒流传感器或电流驱动传感器。这些传感器经过特殊处理,因此当它们由电流源供电时,灵敏度在整个温度范围内是恒定的(TCS ≈ 0)。电流驱动传感器通常会增加额外的电阻,以消除或显著降低失调误差和OTC误差。从本质上讲,模拟技术被用于校准传感器。这使设计人员摆脱了在温度和压力范围内测量每个部件的昂贵任务。这些传感器在宽温度范围内的绝对精度通常不如数字校准的传感器。数字技术仍可用于提高这些传感器的性能,并且通过测量电桥两端的电压可以轻松获得温度信息,该电压通常会以大于2000ppm/°C的速率增加。 图4中的电路显示了为电桥供电的电流源。用于建立恒定电流的同一基准电压源也为ADC提供基准电压。

图4.该电路使用由传统电流源供电的电流驱动传感器。
消除电流源
了解电流驱动传感器如何补偿STC,使图5中的电路能够在不包含电流源的情况下获得与图4所示电路相同的结果。电流驱动传感器仍然具有激励电压(VB),但是,VB不由电压电源固定。VB由电桥的电阻和通过电桥的电流决定。如前所述,硅电阻具有正温度系数。这会导致 VB当电桥由电流源供电时,随温度升高。如果桥的 TCR 在大小上与 TCS 相等且在符号上相反,则 VB将以正确的速率随温度升高以补偿灵敏度的降低,并且在有限的温度范围内TCS将接近于零。

图5.电路使用电流驱动传感器,但不需要电流源或基准电压源。
图4电路中ADC输出的公式可以通过从公式7开始并替换V来获得B与我B乘以 RB.这得到公式9,其中RB是电桥和I的输入电阻B是流过电桥的电流。
D = (IB × RB/VREF) × ƒ(p,t) × FS × K(公式9)
图5所示电路可以提供与图4所示电路相同的性能,但无需使用电流源或基准电压源。这可以通过比较两个电路的输出来显示。图5中ADC的输出从公式7开始,用适当的公式代入V。B和 V裁判。由此得出公式10。
重复公式7:D = (VB/VREF) × ƒ(p,t) × FS × K
在图5的电路中,VB = VDD × RB/(R1 + RB)
And VREF = VDD × R1/(R1 + RB)
将这些代入等式7,得到等式10。
D = (RB/R1) × ƒ(p,t) × FS × K(公式10)
如果选择 R1 等于 V裁判/我B,则公式9和10相同,这反过来又表明图5中的电路提供与图4中的电路相同的结果。对于相同的结果,R1 必须等于 V裁判/我B,但这不是实现适当温度补偿的必要条件。只要 RB乘以与温度无关的常数,将实现温度补偿。可以选择R1的值以最适合系统要求。
使用图5所示电路时,请务必记住ADC的基准电压随温度变化。这使得ADC不适合监控其他系统电压。事实上,如果需要温度敏感测量以获得额外的补偿,则可以通过使用额外的ADC通道来测量电源电压。此外,在使用图5中的电路时,还应注意确保V裁判在 ADC 的指定范围内。
结论
硅压阻式应变片的输出相对较大,使其能够直接与低成本、高分辨率的Σ-Δ型ADC接口。这消除了与放大和电平转换电路相关的成本和误差。此外,这些应变片的热特性和ADC的比例特性可用于显著降低高精度电路的复杂性。
审核编辑:郭婷
上一篇:模电,没有你想象的那么难
下一篇:用硅振荡器代替晶体和陶瓷谐振器
龙腾半导体SGT MOSFET LSGT085R018在智慧农业无