时间:2023-03-08 14:42
人气:
作者:admin
本应用笔记介绍如何将DS8500 HART调制解调器用于过程控制应用。本文解释了如何将DS8500连接至微控制器和4–20mA电流环路,以确保正确的HART通信。
介绍
本应用笔记介绍了用于HART通信的单芯片调制解调器DS8500。本文档应与DS8500数据资料配合使用。虽然应用的具体要求可能有所不同,但此处所示的参考设计是实现过程控制电路的基本示例。
哈特概述
高速可寻址远程传感器(HART)通信是叠加在4–20mA电流环路模拟信号上的数字信号的常用传输模式。HART协议基于相位连续频移键控(FSK)技术。位 0 调制为 2200Hz 正弦信号,位 1 调制为 1200Hz 正弦信号,波特率为 1200bps。这两个频率可以很容易地叠加在模拟电流环路信号上,该信号在直流至10Hz的范围内,而不会影响任何一个信号。HART协议的这种独特性使模拟和数字通信能够在同一条线上同时进行。
DS8500 HART 调制解调器
DS8500是一款HART调制解调器,为过程控制应用提供相位连续FSK调制和解调。该器件是一款功能丰富的低功耗调制解调器,满足HART通信基金会设定的物理层规范。DS8500具有许多特性,允许用户轻松有效地设计需要HART调制解调器的过程控制系统。
可靠的信号检测
外部元件少
正弦输出信号
低功耗
标准 3.6864MHz 晶体
内部数字信号处理技术可实现可靠的FSK_IN信号检测;只需极少的外部元件即可将HART信号与噪声分离。FSK_OUT是一种正弦信号,可为系统提供最低的谐波失真。
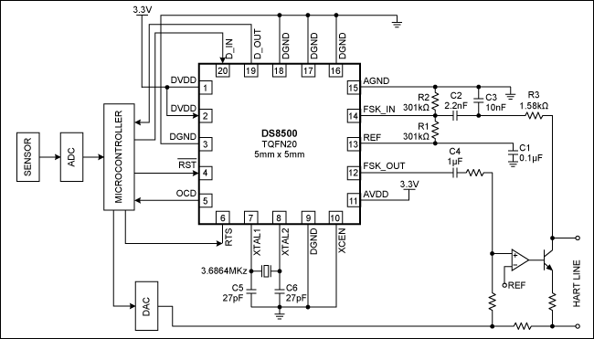
图1所示为DS8500在智能过程变送器中的顶层框图。该设计突出了HART调制解调器与其他外部IC之间的接口。

图1.智能过程变送器采用DS8500 HART调制解调器与系统微控制器通信。
DS8500 基本工作原理
时钟
DS8500需要3.6864MHz时钟作为输入源,精度为±1%,以保证正常工作。图2所示为时钟源的典型电路。当 XCEN 设置为高电平时,用户可以将外部时钟直接驱动到 XTAL1 引脚上。如果需要外部 3.6864MHz 晶体,则应将 XCEN 设置为低电平,并且晶体需要连接在 XTAL1 和 XTAL2 之间。

图2.DS8500 的晶体连接。
微控制器接口
HART协议要求信号以特定的11位UART格式进行通信:起始位、8个数据位、一个奇偶校验位和一个停止位。DS8500的调制器和解调器模块需要与微控制器UART接口,以满足协议要求。
在解调器模式下,DS8500需要有效的UART启动信号来同步数据通信。HART调制解调器和微控制器之间的接口也如图1所示。回到图1,微控制器必须包含通信所需的HART软件堆栈。D_IN是输入DS8500的数字信号数据,将其调制为FSK_OUT信号。D_OUT是DS8500的数字信号数据输出,它已从FSK_IN信号解调。RTS 接收微控制器的请求,以启动调制解调器的解调 (Rx) 或调制 (Tx) 模式。
/RST为DS8500提供复位,并确保所有内部寄存器和滤波器从已知的默认值开始。OCD是一种载波检测信号,用于确定解调器输入端有效幅度的FSK信号。OCD上的逻辑高电平表示FSK_IN信号幅度大于120mV;逻辑低电平表示FSK_IN信号幅度小于80mV或没有载波信号。微控制器可以为DS3提供6864.8500MHz时钟。
调制器波形
图3所示为调制模式下的DS8500,其中D_IN是调制解调器的输入,FSK_OUT是调制输出。数据以 11 位 UART 格式提供。

图3.调制器波形。
解调器波形
图4所示为DS8500在解调模式下,其中FSK_IN是调制解调器的输入,D_OUT是UART的输出。

图4.解调器波形。
外部过滤器
由于DS8500及其内置数字滤波器的数字特性,调制解调器工作所需的外部无源元件数量大大减少。
图5显示了接收端和发送端所需的少量外部元件。DS8500中的解调器只需要一个简单的截止频率为10kHz的低通滤波器(R3,C3)和一个截止频率为480Hz的高通滤波器(C2,R2),即可将HART信号与模拟信号和干扰分开。由R1和R2组成的电阻分压器提供V的输入偏置电压裁判/2 DS8500的接收侧电路。下面显示的 RC 值只是一个示例;如果满足低通和高通滤波器的截止频率,则可以使用一组不同的RC值。
这些外部元件和内部滤波器共同抑制低频模拟信号,防止它们影响数字接收。此外,高频分量也会衰减,以防止HART扩展频段以上的干扰。

图5.接收/发送侧外部元件。
DS8500 作为从机或主站
DS8500调制解调器可用于HART通信的从侧或主机侧。通常,在从机侧,HART调制解调器是智能过程变送器单元的一部分;在主站侧,调制解调器是HART主调制解调器电缆的一部分,用于将中央控制单元或手持设备连接到电流环路。图6显示了主环路、从环路和电流环路之间的接口。

图6.HART设备连接。
图7所示为使用DS8500电路的HART从站和智能过程变送器所需的顶级模块。温度过程变送器就是该电路的一个例子。过程变送器上的传感器以电流或电压为单位测量系统温度,然后将数据传递到ADC。反过来,ADC将这些模拟信号转换为数字等效信号,供微控制器处理。微控制器提供远程存储器和计算能力。微控制器通常托管HART堆栈,并负责协议实现;它还处理来自HART调制解调器的数字数据。微控制器功能还可用于传感器校准、线性化和信号调理。DAC主要负责驱动电流环路。

图7.DS8500位于HART通信的从端。D_IN从微控制器的UART接收数据。D_OUT将数据传输到UART。/RST是DS8500复位。OCD是一种载波检测信号,用于确定解调器输入端具有有效幅度的FSK信号。
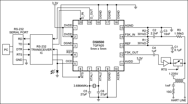
在主机侧,DS8500可以是主机调制解调器的一部分,位于中央控制单元或手持式HART通信器上。图 8 显示了主机端配置。在这种情况下,DS8500通过RS-232串行端口与PC通信。HART协议通常由可以安装在计算机上的软件支持。

图8.DS8500位于HART通信的主站。D_IN从微控制器的UART接收数据。D_OUT将数据传输到UART。/RST是DS8500复位。OCD是一种载波检测信号,用于确定解调器输入端具有有效幅度的FSK信号。
Maxim不对使用完全包含在Maxim产品中的电路以外的任何电路承担责任。没有暗示电路专利许可。Maxim保留随时更改电路和规格的权利,恕不另行通知。
审核编辑:郭婷
下一篇:用于模拟接口的超级放大器和滤波器
龙腾半导体SGT MOSFET LSGT085R018在智慧农业无