时间:2023-03-10 09:21
人气:
作者:admin
IGBT (绝缘栅双极晶体管)作为一种功率半导体器件,广泛应用于轨道交通、智能电网、工业节能、电动汽车和新能源装备等领域。具有节能、安装方便、维护方便、散热稳定等特点。它是能量转换和传输的核心装置。简单概括一下,IGBT可以说是MOSFET(金属氧化物半导体场效应晶体管)和BJT的结合体(双极结型晶体管)。即它结合了MOSFET的栅压控制晶体管(高输入阻抗),利用BJT的双载流子来达到大电流的目的(压控双极型器件)。那么这样的组合内部结构是怎样的呢?
一、IGBT模块详解
二、IGBT内部结构
三、IGBT 内部电流流动
四、如何拆卸IGBT模块?
五、常见问题
一、IGBT模块详解
以拆解的IGBT模块型号为:FF1400R17IP4为例。模块外观及等效电路如图1所示。本模块长宽高分别为:25cmx8.9cmx3.8cm。模块包含两个IGBT,也就是我们常说的半桥模块。每个IGBT的额定电压和电流分别为1.7kV和1.4kA。

图 1. FF1400R17IP4 部分
8、9、10、11、12为电源端子,需要接电源电路。
1、2、3、4、5为辅助控制端,需接门极驱动电路。
6、7为NTC热敏电阻,用于温度检测或过温保护。
在大致了解了它的结构之后,我们可以用这种结构的黑色模块做什么呢?举一个我们身边的例子:新型电动汽车,大家应该都不陌生了。三个这样的黑色模块可以用作三相电机驱动器。如果配备电池,它可以驱动电动公交车。当然,这个模块也用在很多其他的应用中。
二、IGBT内部结构
在初步了解了IGBT模块的外部结构和应用之后,让我们进入本文的主题,看看这个高科技黑模块的内部是什么样的。图3是去掉黑色外壳的IGBT模块内部图。需要注意的是,最常见的铜和铝都在IGBT模块内部。

图 3. IGBT 内部结构
图4是IGBT模块的剖视图。如果去掉黑色外壳和外部连接端子,IGBT模块主要包含散热基板、DBC基板和硅芯片(包括IGBT芯片和Diode芯片)3个元件,其余主要是焊层和互连线用于连接IGBT芯片、Diode芯片、电源端子、控制端子和DBC(Direct Bond Copper)。下面我们将对每个部分进行简要介绍。

图 4.IGBT 剖面图
① 散热基板
IGBT模块的底部是散热基板,主要目的是快速传递IGBT开关过程中产生的热量。由于铜具有更好的导热性,因此基板通常由铜制成,厚度为3-8mm。当然,也有其他材料制成的基板,例如铝碳化硅(AlSiC),两者各有优缺点。
② DBC
DBC(Direct Bond Copper)是一种陶瓷表面金属化技术,共包含3层。中间有陶瓷绝缘层,上下分别有覆铜层,如图5(a)所示。简单的说就是在绝缘材料的两面覆盖一层铜层,然后在正面蚀刻出可以承载电流的图形,而背面必须直接焊接到散热基板上。

图 5. DBC Base 与 PCB
DBC的主要作用需要保证硅片与散热基板之间的电绝缘能力和良好的导热性,同时还要提供一定的电流传输能力。DBC基板类似于2层PCB电路板。PCB中间的绝缘材料一般是FR4,而DBC常用的陶瓷绝缘材料是氧化铝(Al2O3)和氮化铝(AlN)。
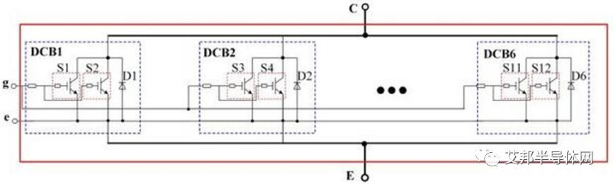
本文分析的IGBT模块,内部有6个DBC,每个DBC有4个IGBT芯片和2个Diode芯片。其中2个IGBT芯片和1个Diode芯片用作上管,其余用作下管。如图6所示。

图 6. DBC 图和等效电路
③ IGBT 芯片模块
内部使用的IGBT 芯片型号为:IGCT136T170。该手册可从英飞凌官网下载。图7为IGBT芯片俯视图及基本参数。IGBT的栅极和发射极在芯片上方(正面),集电极在下方(背面)。芯片厚度为200um。IGBT上电后,电流由下而上流过,所以这种结构的IGBT也可以称为立式器件。


图 7. IGBT 芯片图
如果在200um的芯片上做一个垂直切割,可以得到如图8所示的内部结构,它是由不同掺杂的P型或N型半导体组合而成。图 8 是众所周知的 IGBT 等效电路,通常将其理解为 MOS 控制的 PNP 晶体管。刚开始学习电力电子的时候,你可能会觉得这张图有点陌生。为什么不把集电极画在上面,发射极画在下面呢?直到你明白IGBT的电流是从下往上流的,就不难解释了。

图 8. IGBT 芯片结构和等效电路
下面就让我们对这款IGBT芯片的电气参数有个大概的了解吧。该芯片在 100°C 时可以通过 117.5A 的直流电流。从图4可以看出,模块内部单个IGBT器件一共包含12个IGBT芯片,所以总电流为:117.5*12=1412A,与IGBT模块手册中的1400A额定电流基本一致.
为了保证IGBT芯片之间的均流效果,在每个芯片的栅极内部集成了一个11.5Ω的电阻。同时,考虑到DBC之间的均流,每个DBC上的两个芯片对外共用一个栅极电阻,如图10所示,用万用表测量时,阻值约为4.13Ω。可以结合图9计算一下,看是否与IGBT模块手册中的1.6Ω一致。当然,更详细的IGBT芯片参数可以参考官方手册。

图 9. IGBT 等效电路
④ 二极管芯片
图10是二极管芯片的俯视图,正面为阳极,背面为阴极。二极管的电流方向是从上到下,与IGBT的电流方向正好相反。二极管芯片额定电流为235A,每只IGBT由6个二极管并联组成,总电流可达1410A,与模块说明书中的1400A基本持平。二极管芯片的厚度和IGBT一样,也是200um。更详细的二极管芯片参数请参考官方手册。
| 芯片类型 | VR_ | IFn | 模具尺寸 |
| SIDC130D170H | 1700A | 235A | 16.3×8mm2 |

图 10.二极管图
这么薄的半导体材料能有千伏的电压和几百安培的电流通断,很了不起。这就是为什么大功率半导体器件的价格如此昂贵的原因。IGBT芯片、Diode芯片与DBC的上铜层互连一般通过焊线实现。常用的键合线有铝线和铜线。其中,铝线键合工艺成熟,成本低,但铝线键合的电学和热力学性能差,膨胀系数失配大,影响IGBT的使用寿命。铜线键合工艺具有优良的电学和热力学性能,可靠性高,适用于高功率密度和高效散热的模块。
三、 IGBT 内部电流流动
在对IGBT模块的内部结构有了基本的了解之后,让我们回过头来将上述所有元件互连起来,看看电流在IGBT模块内部是如何流动的。这里我们以其中一个DBC中的上管IGBT为例来说明电流的流动。红色代表上管IGBT(S1和S2)的电流方向,蓝色代表二极管D1的电流方向。图11(b)为图11(b)模块的左剖视图及电流方向示意图。

图 11(a) IGBT 电流

图 11(b) IGBT电流
四、如何拆卸IGBT模块?
可能有些朋友会好奇这个模块怎么拆,其实很简单。你只需要准备两把螺丝刀和一把小锤子。

图 12. IGBT 拆卸
第一步:拧下IGBT模块底部的4颗螺丝。
第二步:用一字螺丝刀撬开IGBT模块正面的所有端子。这一步非常重要。需要保证所有撬开后的端子与模组基板垂直。
第三步:需要将IGBT固定在一处,或者用一字螺丝刀对准IGBT模块塑料外壳与基板连接处的任意位置,用锤子敲打螺丝刀,撬开外壳用螺丝刀从基板上。撬开一个位置后,放上东西,再撬另一个位置,如此反复,慢慢撬开后,直接用手撬开即可。
五、常见问题
1、什么是IGBT模块?
IGBT 是一种功率半导体芯片,是绝缘栅双极晶体管的简称。... IGBT 功率模块用作电子开关设备。通过交替开关,直流电 (DC) 可以转换为交流电 (AC),反之亦然。
2、IGBT模块是如何工作的?
IGBT 结合了功率 MOSFET 的简单栅极驱动特性和双极晶体管的高电流和低饱和电压能力。IGBT 将用于控制输入的隔离栅 FET 和作为开关的双极功率晶体管组合在单个器件中。
3、IGBT的用途是什么?
IGBT 在单个器件中结合了具有MOS 结构的控制输入和用作输出开关的双极功率晶体管。IGBT 适用于高电压、高电流应用。它们旨在以低功率输入驱动高功率应用。
4、IGBT有几层?
IGBT 的工作原理:IGBT由 4 层半导体夹在一起构成。靠近集电极的层是 p+ 衬底层,上面是 n- 层,另一个 p 层靠近发射极,在p 层内部,我们有 n+ 层。
5、IGBT的端子有哪些?
IGBT的三个端子是Gate、 Collector和Emitter。
6. Mosfet有多少个端子?
MOSFET 有四个端子:漏极、源极、栅极和体或衬底。
7、注入层在IGBT中的作用是什么?
p+衬底也称为注入层,因为它向n-层注入空穴。n层称为漂移区。接下来的p层称为IGBT的本体。p+ 和 p 区域之间的 n- 层用于容纳 pn- 结的耗尽层,即 J2。
8. 可以用MOSFET代替IGBT吗?
由于 IGBT 的可用电流密度更高,它通常可以处理比它所取代的典型 MOSFET 多两到三倍的电流。这意味着单个 IGBT 器件可以替代并联运行的多个 MOSFET或当今可用的任何超大型单功率 MOSFET。
9. IGBT 的三个端子是什么,它们的作用是什么?
IGBT(绝缘栅双极晶体管)是一种三端子电子元件,这些端子称为发射极(E)、集电极(C)和栅极(G)。它的两个终端即集电极和发射极与电导路径相关联,其余终端“G”与其控制相关联。
10. 什么是 IGBT 描述其结构?
IGBT –原理、类型、结构、操作和应用。... IGBT(绝缘栅双极晶体管)将 BJT 和 MOSFET 的最佳部分集成到单个晶体管中。它取了MOSFET(Insulated Gate)的输入特性(高输入阻抗)和BJT(Bipolar nature)的输出特性。
11、IGBT如何将直流电转换为交流电?
IGBT充当开关(当信号施加到栅极时,它们打开,然后在信号移除时关闭)。通过关闭 Q1 和 Q4,向负载施加正直流电源。Q2和 Q3 将在负载上产生负直流电源。
12、IGBT有什么优势?
IGBT 相对于功率 MOSFET 和 BJT 的主要优势是:由于电导率调制,它具有非常低的导通电压降,并且具有出色的导通电流密度。所以更小的芯片尺寸是可能的并且可以降低成本。
13.什么是IGBT中的漂移层?IGBT 的漂移区(电场或电荷移动)
作为PNP 晶体管的基极。晶体管的电流增益取决于晶体管的宽度和掺杂水平。
14、IGBT的结构是怎样的?
IGBT 的结构与PMOSFET 的结构非常相似,除了称为注入层的一层是 p+,与 PMOSFET 中的 n+ 衬底不同。该注入层是 IGBT 卓越特性的关键。其他层称为漂移区和体区。这两个连接点标记为 J1 和 J2。
15、IGBT有哪些优势?
IGBT 的优点:
驱动电路简单导通
电阻低
电压容量高
开关速度快
易于驱动
开关损耗
低功耗
低栅极驱动要求低
16、为什么现在IGBT很流行?
凭借其较低的导通电阻和传导损耗以及在高频下切换高压而不会损坏的能力,绝缘栅双极晶体管非常适合驱动电感负载,例如线圈绕组、电磁铁和直流电机。
17、为什么IGBT要用二极管
我们知道MOSFET或IGBT是单向器件,它们只在正向偏置时导通电流,在反向偏置时阻断电流。... 因此,在 MOSFET 或IGBT 或 SCR 两端连接了一个外部二极管,以提供反向电流路径。
审核编辑 :李倩
上一篇:探索GaN-on-Si技术难点
下一篇:定向耦合器的传输损耗
龙腾半导体SGT MOSFET LSGT085R018在智慧农业无