时间:2023-02-24 16:10
人气:
作者:admin
工业控制系统继续采用标准模拟信号在过程和控制设备之间传输数据。稳定的4至20mA电流环路信号可轻松传输数千英尺,±5和±10V信号在工业系统中也很常见。
本应用笔记展示了Maxim的集成数据采集系统(DAS)解决方案。Maxim的DAS解决方案可节省电路板空间、功耗和设计时间,同时只需极少的外部元件即可转换标准工业模拟信号。
介绍
尽管数字现场总线有多种版本,但工业控制系统继续使用标准模拟信号在过程和控制设备之间传输数据。例如,化工厂中的过程变送器将低电平温度和压力信号转换为稳定的4至20mA电流环路信号,这些信号可轻松传输数千英尺。
工厂自动化环境中用于机床和自动搬运机的速度和位置传感器产生单极性和双极性电压信号,通常为0V至5V、0V至10V、±5V或±10V。此外,来自常用的PT100温度检测元件的信号通常无需转换即可直接使用至标准范围,例如10V或20mA。作为由铂(Pt)制成的RTD(电阻式热器件),PT100在100°C时的电阻为0Ω。 其电阻与温度特性呈线性关系,并提供相当高的输出信号电平(由100mA电流源驱动时为>1mV)。
过程环境中的控制功能由PLC(可编程逻辑控制器),PCS(过程控制系统)或(最近)由IPC(工业个人计算机)实现。由于这些设备是使用过程特定软件运行的数字系统,因此所有模拟信号都必须转换为数字,然后计算机才能读取它们。
控制系统中的 A/D 转换由称为“模拟外设”的板或盒子执行。它们通过系统的背板总线或现场总线(如果远程安装(例如在机器上)连接到CPU。除了数字电路(用于与CPU通信)外,这些外围单元还包括各种精密模拟和混合信号组件。每块电路板需要更多通道或更小的封装(安装在机器上)会导致空间和功率短缺,这构成了设计模拟外设的主要挑战。以下电路介绍了信号调理技术,并描述了一种使用单个芯片对多达8个通道进行数字化的方法。
数据采集系统
先进的数据采集系统(图 1)包括一个用于在输入通道之间切换的多路复用器 (mux)、一个为不同输入范围提供增益和失调调整的信号调理电路,以及一个带基准电压 (VREF) 的模数转换器 (ADC)。

图1.此图显示了数据采集系统中的基本组件。
集成式 DAS 解决方案
通过集成图1所示的基本模块,Maxim开发出一系列单芯片数据采集系统,可节省电路板空间、功耗和设计时间。这些芯片只需要很少的外部元件(在某些情况下不需要),可以转换当前使用的大部分标准信号。每个器件均包括一个 12 位 ADC、多路复用器和增益/失调校正,并具有一个串行或并行数字接口,可轻松连接到大多数微处理器。
以下框图(图2)是该系列芯片的典型框图。区别主要在于连接到微处理器的数字部分。每个芯片具有16个或5个单端模拟输入通道,通过故障保护多路复用器连接到内部ADC。任何通道都可以承受高达<>.<>V的输入电压,任何通道上的故障都不会影响任何其他通道上的转换。

图2.图1所示的功能集成在该芯片中。
每个通道可以针对一个标准输入范围(0至5V、0至10V、±5V或±10V)进行独立编程,同时采用单5V电源供电。其他器件具有类似的增益结构,但接受不同的输入范围:单极性或双极性2V或4V,或单极性或双极性VREF或_VREF。增益变化100倍,输入失调10%(从-10V至+2V)的能力将动态范围扩大了14位,从而产生了具有<>位动态范围的系统。
内部ADC是基于容性DAC的12位逐次逼近型,其MSB电容兼作采样/保持电路中的保持电容。每个器件都可以使用内部振荡器或外部时钟工作。
MAX196至MAX199器件采用/WR脉冲启动和停止采集,“外部采集模式”下可提供相对较长的采集时间,而不会减慢转换速度。该器件的短孔径延迟和低孔径抖动(在外部时钟/采集模式下为 <50ps)可实现采集时间的精确控制。此功能对于电力线控制和交流电机控制等相位敏感型应用非常重要。此外,该芯片的宽带输入结构提供高达5MHz的小信号带宽,允许输入频率超过奈奎斯特频率的欠采样技术。
数字接口
需要高速测量的应用最好使用并行数据接口(MAX196至MAX199)。这些器件在100MHz时钟速率下可实现2Ksps的吞吐量,这对于大多数高速控制环路来说已经足够了。对于低速应用,可用的I²C兼容接口版本可节省电路板空间并简化DAS和微控制器之间的通信。这些器件具有快速转换时间(10μs),但串行接口将其吞吐量限制为8kbps。
例如,MAX197接受0V至10V、0V至5V、±5V和±10V输入。驱动这些输入的源阻抗是用户的主要关注点。采样时,ADC吸取电流脉冲为其T/H电容(容性DAC的MSB电容)充电。因此,需要具有足够压摆率的快速建立运算放大器,以确保在采集期间有足够的电压建立。MXL1013/MXL1014 运算放大器在实现快速采样速率方面表现良好。对于速度较慢的运算放大器,必须延长采集时间。
许多自动化系统中使用的差分输入对共模干扰相对不敏感。在大多数情况下,一个简单的差分放大器电路(图3)就足够了,其输入电阻超过1MΩ。(如需更高的输入阻抗,请使用标准 3 运放仪表放大器。图 3 所示的输出为
V外= R2(V+ - V-)/R1。
对于高共模抑制,使R1 = R3和R2 = R4。所示组合的增益为0.876,通过将±10V输入范围扩展约114%,可以测量超出范围的信号。这种调整将±10V频段的分辨率降低到大约11.8位。

图3.一个简单的差分放大器提供高输入阻抗和单端输出。
20mA 电流环路
电流环路在嘈杂的环境中长距离传输小信号。电流通常由过程变送器产生,该变送器将温度或压力等变量转换为0mA至20mA或4mA至20mA范围内的直流电流。然后,电流通过分流电阻器会产生易于数字化的比例压降。由于可用于驱动环路的顺从电压(包括导线电阻)很少超过 15V 至 18V,因此电阻值被限制在几百欧姆(图 4)。

图4.将图3所示放大器与源自220Ω分流电阻的电流环路信号相结合,可产生方便的单端输出。
该电路具有与±10V调理电路相同的差分放大器,以及一个220Ω分流电阻,该电阻在4mA时压降4.20V,在5mA时压降5.25V。差分放大器的增益在ADC输入端调节至最大值4.62V,因此编程为0.5V输入的DAS可以对该信号进行数字化处理,最大分辨率为11.8位。
由于MAX198/MAX199和MAX128的输入范围在该系列中最小,因此采用小分流电阻工作,无需调整增益,因此更适合于不需要其它高电平测量(至±20V)的系统中的10mA测量。为了使图4所示电路适应MAX199的工作,请将MAX199配置为0至2V输入范围,并将536kΩ电阻更改为470kΩ。使用一个86Ω分流电阻。
传感器适配
热电偶、应变片和其他常用传感器提供对EMI敏感的低电平非线性信号。因此,在将此信息发送到控制系统之前,4至20mA的发送器首先对信号进行线性化和调理。对于不太重要的温度测量应用,电阻式热器件(RTD)可以在很远的距离内测量高达850°C的温度,而无需昂贵的信号调理。
最受欢迎的RTD是称为PT100的标准化铂温度传感器,它在100°C时具有0Ω电阻和0.38Ω/°C的线性温度系数。 它还具有更小的非线性温度系数,因此Ω/°C特性在很窄的范围内几乎是线性的。与热电偶不同,热电偶提供的电压代表两个温度之间的差异,RTD的电阻代表该电阻的绝对温度。
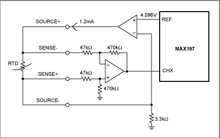
通过驱动1mA至2mA的电流通过传感器并测量其两端的压降来实现测量。较高的电流会导致测量误差,这是由于传感器内较高的功率耗散引起的自发热。内部 4.096V 基准简化了传感器激励电流的产生(图 5)。

图5.该电路为RTD传感器提供电流,并将所得输出数字化。
为了防止导线电阻影响测量精度,四根独立的导线将RTD连接到差分放大器。由于检测线连接到放大器的高阻抗输入,因此它们的电流非常低,几乎没有压降。4096mV 基准和 3.3kΩ 反馈电阻将激励电流设定为大约 4096mV/3.3kΩ = 1.24mA。因此,以相同的基准电压驱动ADC和电流源会产生比率测量,其中基准电压漂移不会影响转换结果。
将MAX197配置为0V至5V输入范围,并将差分放大器设置为增益为10,可以测量高达400Ω的电阻值,代表约800°C。 μP可以使用查找表对传感器信号进行线性化。要校准系统,请用两个精密电阻(100Ω表示零,300Ω或更高表示全量程)替换RTD,并存储转换结果。
与其将特定电路专用于特定输入范围,不如使用以下电路(图6)使ADC输入适应前面描述的任何信号范围。选择输入引脚和ADC输入范围(表1)可选择合适的配置。

图6.该通用输入电路使ADC适应每个输入通道上的信号范围。
| 输入连接--> | 1 | 2 | 3 | 4 | 5 | 模数转换器范围 |
| ±10V 加超量程 | 在- | Z | 在+ | ±10V | ||
| 0mA 或 4mA 至 20mA,外加超量程 | 在- | 在- | 在+ | 0V 至 5V | ||
| 即热处理 | 嘟嘟- | Sns+ | 0V 至 5V |
对于 RTD:Sns- 和 Sns+ 是四线配置上的检测连接。将“源”引脚连接到 IS1 和 IS2。
审核编辑:郭婷
下一篇:多路复用器校准简化了系统校准
龙腾半导体SGT MOSFET LSGT085R018在智慧农业无