时间:2023-02-25 09:31
人气:
作者:admin
本应用笔记介绍了使用基于PC的数字I/O板来表征模数转换器(ADC)的技术。本文将研究静态直流参数,如积分非线性(INL)、差分非线性(DNL)、增益和失调误差,以及噪声、内部基准电压、通道间耦合和匹配,以及电源电压依赖性。
随着模数转换器(ADC)越来越复杂,在实验室环境中分析和表征这些器件变得越来越困难。提高ADC检定彻底性的一种方法是使用PC自动执行台架测试。这种方法有很多优点,只需很少的额外努力。使用自动化代替手动测试的最重要好处是在表征过程的早期获得更完整的转换器性能视图。此外,一旦系统就位,设计矢量来调试甚至复杂的设计错误通常很简单。
PC可用于IC的自动检定方法有很多种。它们的范围从使用简单的并行端口接口来操作控制位,到闭环伺服系统来全面表征设备性能的各个方面。以下讨论将主要集中在表征MAX1115-MAX1119 8位逐次逼近寄存器(SAR)ADC的方法。这种方法足够精确,可用于表征分辨率高达12位的类似转换器。
系统设置
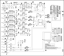
为了表征MAX1115,使用了NI公司的高速数字I/O卡(PCI-DIO-32HS)和定制表征板。PCI-DIO-32HS 32 通道数字 I/O 板可用于以 20MHz 的速率将矢量从定制表征板流入(或传出)PC 硬盘。表征板的原理图如下所示。

图1.
原理图左侧的541个MAX16为27位串行DAC。它们用于提供被测器件 (DUT) VDD 电源电压/基准电压和两个输入信号。此外,还提供一个输入电平转换器电源,用于调节进入DUT的数字输入电压摆幅和输入信号DAC基准电压。DAC右侧的器件是OP27缓冲放大器。OP10是一款高精度运算放大器,可为每个DAC提供高达16mA的驱动电流,DAC的6341位性能仅略有下降。原理图顶部的电路是输入电源调节和调理,MAX4是096.32V精密电压基准。原理图右侧是串行至并行移位寄存器、串联端接器和PCI-DIO-<>HS接口连接。
静态测试
通过静态测试,您可以控制电源和对DUT的参考,将各种测试信号运行到DUT中,并轻松捕获设备对这些信号的响应。在MAX1115中,所有直流精度规格的验证精度都高于在大批量生产测试环境中实现的精度。这是通过使用DUT在每个DAC代码上多次测量ADC输入(实际上是DAC输出)来实现的。利用这些数据,不仅可以确定积分非线性(INL)、微分非线性(DNL)、增益和失调误差,还可以确定噪声、内部基准电压、通道间耦合和匹配,以及每个参数的电源电压依赖性。在几秒钟内获得了一套完整的直流规格,允许在将数据与从生产测试设置中获得的数据进行比较之前收集统计数据。因此,可以更快地识别和解决实验室数据和测试台数据之间的关联问题。
动态测试
为MAX1115开发的测试系统不是用来验证动态参数的,尽管这种系统可以扩展为进行动态测试。为此,可以使用更高速的并行DAC来生成输入信号。也可以通过循环先进先出(FIFO)存储器更新DAC,以产生正弦波(或其他重复波形),在测量过程中从PC发出的信号最少。另一种选择是使用外部信号发生器生成测试信号。
这种类型的测试系统的一个很好的特点是很容易获得大量的数据样本。通过动态测试,此功能允许相对容易地获得精细的频率分辨率和更多的输入测试频率,从而增加人们对DUT特性的信心。
准确性
上述方法是一种开环表征方案,其精度足以扩展到10位系统。这种方法的优点是速度快。表征板的固有精度和分辨率(相对于DUT)允许相对准确地确定每个ADC代码中心和边界。
对于 更 高精度 的 转换 器 (12 位 或 更多), 可能 需要 设计 一个 闭 环 测试 系统。这可以按照与上述相同的方式构建,但增加了一个高精度的数字电压表。数字电压表可以通过通用接口板 (GPIB) 卡、PC 的串行或并行端口或以太网连接连接到同一台测试电脑。PC用于对表征DAC进行步进,并查找DUT中的每个代码边界。一旦确定了每个代码边界(以DAC代码为单位),PC就会使用高精度DVM测量DAC电压。对于非常高分辨率的DUT可以采用多个DAC(分辨率相互缩放)来提高DUT码边界测量的精度。
速度
虽然上面概述的开环测试系统用于相对较慢的转换器(100ksps),但它直接适用于高速ADC。通过增加板载逻辑(甚至可能是现场可编程门阵列)和板载时钟,可以使用National PCI-DIO-16HS接口板提供从20位ADC(串行或并行)以32Msps捕获数据所需的信号。这将需要一个高速并行测试DAC和一个圆形FIFO存储器来加载重复的测试波形,如上所述。
设计错误识别
在需要识别和纠正设计错误的情况下,这种快速的工作台表征允许受控的迭代评估循环(即假设、实验设计、结果的测量和评估,导致进一步的假设、实验设计等),从而更快地识别设计错误。可以想象,与更手动的方法相比,即使是复杂的错误也可以在几天内识别出来,而不是几周或几个月。
基于 PC 的表征系统存在的问题
通常,基于PC的表征系统最重要的问题是信号完整性和常见的电源噪声。一旦理解了这些问题,这些问题就可以得到缓解,在某些情况下可以完全消除。
信号完整性是布线系统中接地太少和寄生效应过高的结果。结果是电缆两端的波形出现较大的过冲和下冲。有许多方法可用于降低此问题的严重程度。最简单的方法之一是使用串联端接。在该方案中,串联电阻(RT) 大致等于特性阻抗 (Z0) 的互连电缆(减去源驱动器阻抗,ZD) 放置在图 2 所示电缆的源端。电缆的寄生电容实际上会将电路变成一阶主导的系统,在不匹配的接收器端的上升时间稍慢。采用这种方案,匹配不良的接收器将快速转换边沿反射回电路的源侧,并在那里被吸收,因为它的端接正确。

图2.
这种方法适用于从检定板传输到PC接口卡的信号,因为端接电阻可以放置在检定板的源端。但是,当信号从PC接口卡传输到表征板时,不可能在PC接口卡上添加这些终端电阻。因此,通常需要通过使用更大的串联端接电阻并在端接电阻之后增加更多的输入电容来进行过度补偿,以获得可接受的结果(图 2)。添加可以更改DIP端接电阻阵列的插座,可以根据电缆长度和所使用的驱动器/接收器组合改变串联端接电阻的值。
在表征板上改善接收器端信号完整性的另一种方法是使用分流端接。在该方案中,如图3所示,接口板的快速边沿被适当匹配的分流端接吸收。由于这种方法降低了信号摆幅(接口卡中的驱动器阻抗很大),因此必须使用终端电源将输入信号电平调整到输入接收器可接受的逻辑电平。这种信号摆幅损失、持续功耗和电缆接地电流增加都是这种方法的显著缺点。交流并联端接,即用电容器代替端接电源,解决了这些问题,但在电平转换期间会导致众所周知的亚稳态困境,因此不建议使用。

图3.
常见的电源噪声是第二个主要问题,这是因为噪声PC接地通过检定板将噪声电流注入检定工作台电源和示波器接地。这种注入的噪声电流会在表征板地上产生显著的压降(几个LSB),这些压降可以耦合到转换器的输入端。
这个问题的一个解决方案是在表征板中使用多个连续接地层(通过多个过孔连接),以降低其阻抗,从而降低压降。隔离接地层往往不太有效,因为隔离接地层之间不可避免地存在容性耦合,而且从PC注入的典型噪声电流频率很高,从而有效地使隔离接地层短路。增加用于为表征板供电的工作台电源的隔离(与接地)也有帮助。建议在从DUT收集数据时移除示波器探头(包括接地),以消除从PC到示波器探头接地的接地电流。另一种解决方案是在表征板上进行本地功率调节和调理。在调试检定系统时,可能需要进行实验以隔离和消除共模噪声的原因。
结论
MAX1115是一款采用低成本PC数据采集系统的8位ADC,其基准表征已被证明是有效和准确的。已经指出了这种工作台表征方法的许多优点,包括易于与复杂器件接口,更完整和更快地表征静态和动态参数,改进设计错误识别的能力以及更快地解决相关问题。虽然方法大纲直接适用于分辨率高达12位,速度高达约500ksps的ADC,但已经讨论了在分辨率和速度方面扩展该测试方法的方法。
审核编辑:郭婷
下一篇:模数转换器架构
龙腾半导体SGT MOSFET LSGT085R018在智慧农业无