时间:2023-02-17 15:11
人气:
作者:admin
MAX1385/MAX1386封装引脚图 应用电路图及其特性概述
MAX1385是一款高性能、低功耗的模拟放大器,可以用于各种应用,如汽车音频、家庭影院、手机音频、医疗设备等。它具有低噪声、低失真、低功耗、高灵敏度等优点,可以满足各种应用的需求。比如可用于汽车音频、家庭影院、扩音器、音箱、耳机等应用。

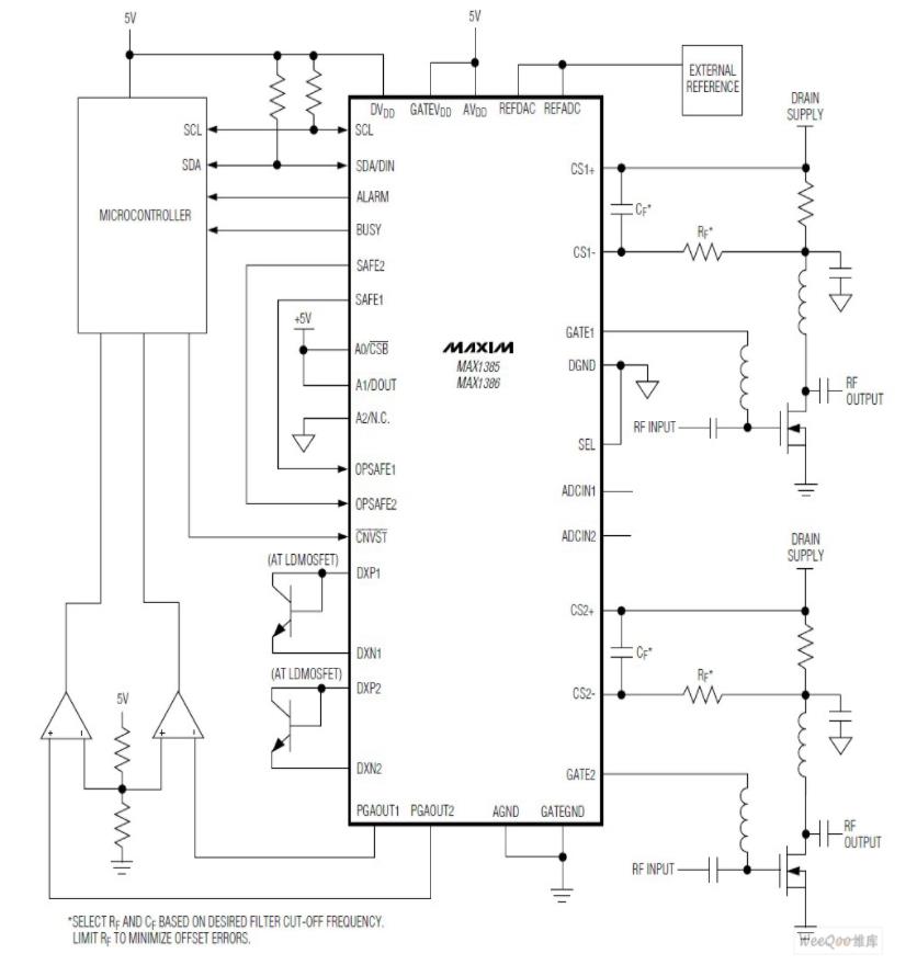
MAX1385/MAX1386可设置和控制蜂巢式基地台的双通道射频(RF)横向扩散金属氧化物半导体(LDMOS)的偏压。每个元件包含一个可编程增益,可设置为2、10和25的高边电流检测放大器,用来检测LDMOS的汲极电流--范围为20毫安培~5安培。两个外部连接二极体的电晶体用来检测 LDMOS温度,内部温度感应器可以测量MAX1385/MAX1386的温度。12位元数位类比转换器(DAC)用于可编程增益放大器(PGA)的输出,外部/内部温度度数以及两路辅助输入进行转换。
元件包含两个闸极驱动通道,每通道包含一个8位元粗调DAC和一个10位元精调DAC以及闸极驱动放大器,可产生用于偏压LDMOS元件的正向闸极电压。 MAX1385包含一个增益为2的闸极驱动放大器;MAX1386包含一个增益为4的闸极驱动放大器。8位元粗调DAC和10位元精调DAC合起来具有 18位元分辨率。MAX1385/MAX1386具有自动校准功能,可降低时间、温度及电源电压变化时的误差。
MAX1385/MAX1386具有I²C/SPI兼容的串接口。两款元件均工作在4.75~5.25伏特(V)类比电源3.2mA电源电流、 2.7~5.25伏特数位电流--3.1mA电源电流以及4.75~11.0伏特闸极驱动电源--4.5毫安培电源电流。MAX1385/MAX1386 采用48接脚薄型四方扁平无接脚(QFN)封装。

特性
●集成高边漏极检流PGA,增益为2、10或25
●75mV和250mV电压检测范围内保持±0.5%的精度
●100mV满量程检测电压,具有25倍增益
●250mV满量程检测电压,具有10倍增益
●LDMOS漏极共模电压范围:5V至30V
●可调节的低噪声、0至5V、0至10V输出栅极偏置电压范围,带±10mA栅极驱动
●快速箝位至0V,用于LDMOS保护
●8位DAC栅极偏置电压控制
●带温度测量的10位DAC栅极偏置失调控制
●内部结温测量
●连接成二极管的晶体管(2N3904),用于外部温度测量
●内部12位ADC,用于测量温度、电流以及电压
●可选的I²C/SPI兼容串行接口
●400kHz/1.7MHz/3.4MHz I²C兼容的控制,用于配置和数据测量
●16MHz SPI兼容的控制,用于配置和数据测量
●内置2.5V基准
●3路地址输入,可在I²C模式下控制8个器件
典型应用电路:
龙腾半导体SGT MOSFET LSGT085R018在智慧农业无