时间:2023-02-16 09:55
人气:
作者:admin
电源规格确定后,将进入设计的第2个步骤“控制用电源IC的选择”。
为什么是“IC的选择”呢?近年来电源电路的设计上一般会利用电源用IC(电源厂商可能不同),除了拥有非常优秀的控制性能外,还会搭载各种保护功能,因此设计简略不复杂,对安装面积等反而有利。
在这里,以设计PWM方式的反激型AC/DC转换器为例,具体设定电源规格,以及决定支持该规格的电源IC。
<AC/DC PWM方式反激式转换器设计方法>
绝缘型反激式转换器的基础
开关AC/DC转换
反激式转换器的特征
反激式转换器的工作和缓冲
不连续模式与连续模式
设计步骤
电源规格的决定
设计使用IC的选择
绝缘型反激式转换器电路设计
变压器设计(数值计算)
变压器设计(构造设计)-其1
变压器设计(构造设计)-其2
主要部件的选定-MOSFET相关 其1
主要部件的选定-MOSFET相关 其2
主要部件的选定-CIN和缓冲
主要部件的选定-输出整流器和Cout
主要部件的选定-IC的VCC相关
主要部件的选定-IC的设定、其他
EMI对策及输出噪声对策
基板布局例
总结
电源的规格是“设计开始的最低限度规格”的项目的基础山个,设定一般的条件。此外,也写下根据该条件选择IC时有哪些注意事项。
| 电源规格范例 | IC选择的要点 | |
|---|---|---|
| ・输入电压:85~264VAC | ⇒ | 广泛输入支持的电源方式 |
| ・输出:12VDC±5% / 3A36W | ⇒ | 外置输出功率晶体管 |
| ・输出纹波电压:200mVp-p | ⇒ | 电流模式型 |
| ・绝缘耐压:一次侧-二次侧间 3kVAC | ⇒ | 由光耦合器反馈控制 |
| ・工作温度范围:0~50℃ | ⇒ | 工作保证温度范围:-40~85℃ |
| ・效率:80%以上 | ⇒ | 开关方式 |
| ・无负载时输入功率:0.1W以下 | ⇒ | 内置启动电路、低功耗型 |
・输入电压:85~264VAC
预设输入规格能支持全球各国要求。IC则挑具有大范围的耐压能力且性能佳的产品。
・输出:12VDC±5% / 3A36W
输出电压为工业设备一般使用的总线电压12V,精度通常为±5%。输出电流为3A,虽然可以选择内置开关用晶体管型IC,但为了理解基本构造,推荐外置开关用的功率MOSFET。
・输出纹波:200mVp-p
输出纹波为标准等级。着重在能降低纹波的电流模式所使用的控制IC。
・绝缘耐压:一次侧-二次侧间 3kVAC
除了变压器外,为了反馈控制以稳定输出电压,必须装设将二次侧电压(输出电压)返回一次侧的线路,而该线路也必须能够绝缘。反馈电路会使用光耦合器来绝缘。
・工作温度范围:0~50℃
工作温度范围为设备一般规格即可。为了达到该标准,应选择温度范围更大的IC和部件。
・效率:80%以上
这也算是一般常见的效率。有的DC/DC转换器会要求效率超过90%,但AC/DC转换器虽然还有改善的空间,不过效率依然达到80%,并未因此而偏低。为了达到该效率,必须采用开关方式的AC/DC转换电路。
・无负载时输入功率:0.1W以下
为了达到其目标值,必须采用能保持低功耗的控制IC才行。
而在寻找可以实现电源规格目标的IC时,也要先了解AC/DC转换的方式和特征、市场流通的控制用IC种类和功能。乍看之下非常复杂,不过只要决定好变压器方式,之后就简单许多了。此次采用PWM方式的反激式转换器,因此在寻找IC时,会先锁定能组成反激式转换器的IC。其次,依照采用PWM方式、符合输入范围和输出规格的顺序来寻找IC。可以前往IC厂商的web网站上限定条件进行搜寻,记得多加利用。
以下为能够实现该电源规格的电源IC。
BM1P061FJ:AC/DC用 PWM 控制器IC
特点
PWM频率65kHz
电流模式方式
轻负载时突发脉冲工作、降频功能
内置650V启动电路
VCC引脚低电压保护、过电压保护
CS引脚开路保护
CS引脚Leading-Edge-Blanking功能
每周期过电流限制功能
过电流限制AC校正功能
软启动功能
2次侧过电流保护电路
还有跳频功能

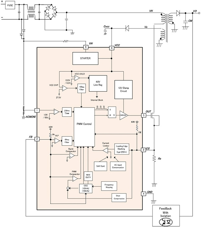
使用BM1P061FJ的绝缘型反激式转换器电路
BM1P061FJ是AC/DC转换器用的PWM控制器IC,能构筑绝缘型的反激式转换器。IC特点如上所述,但此次设计范例的规格中使用该款IC,主要是因为其属于采用内置650V耐压启动电路的电流模式,能充分支持整流264VAC的DC电压的PWM方式开关电源用IC,搭载启动电路和轻负载时开关降频功能、节能且高效率还有BM1PXXX系列产品阵容丰富,在设计途中变更规格也容易等诸多优点。
此外,也列出构筑反激式转换器时的基本电路。如图片所示,IC集成化高,因此外置部件非常少。关于IC的详细数据可以参照技术规格。
那么,设定好决定好能实现电源规格的IC后,推荐再稍微重温一下AC/DC转换,之后再开始进行设计。
审核编辑黄宇
龙腾半导体SGT MOSFET LSGT085R018在智慧农业无