时间:2023-02-09 16:11
人气:
作者:admin
2021 年5 月,USB-IF 协会推出USB PD3.1 最新快充标准规范,最大快充功率由传统的100W(20V/5A)提升到240W(48V5A),这一重大改变,使得USB PD 快充标准的应用市场从手机、笔记本电脑等传统消费类电子领域,扩充到便携式设备、电动工具、通信和安防设备、汽车及医疗等供电的领域,实现了“万物皆可充”的愿景。

USB PD3.1 能够迅速商业化,离不开苹果公司的“鼎力支持”— 2021 年10 月苹果发布的16 英寸MacBook Pro,成为全球首款支持USB PD3.1 快充技术的笔记本电脑,支持140W(28V/5A)的USB-C 快充。紧接着,越来越多快充厂商也迅速响应,积极布局这一全新的快充充电器市场。

南芯科技,作为国内领先的模拟和嵌入式芯片设计公司,全面布局PD 快充全套解决方案,近期重磅推出140W 单C 口、双C 口及2C1A 2C2A 等多种快充电源方案,为客户带来丰富的选择。

方案介绍
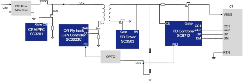
140W 单C 口的参考设计
该方案采用全套南芯明星产品,包括PFC 控制器、高频QR 反激控制器、副边同步整流以及协议芯片等,整体设计外围精简。
方案优势如下:
南芯全套解决方案
方案外围电路精简、效率高
支持PD3.1 28V/5A 及PPS 3.3V-21V
支持多种快充协议
支持CC/CV 模式
PFC 具有2 级OVP 保护
QR Flyback 控制器直驱GaN
同步整流控制器具有很短的开通、关断延时

(方案简要框图)

(demo 展示)
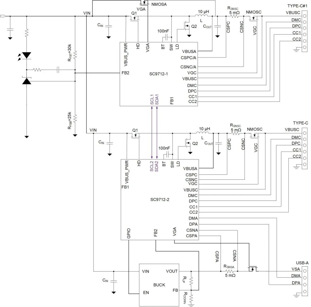
140W 多口的参考设计
该方案采用2 片SC9712 协议芯片,在不需要额外MCU 的情况下可实现多口之间的功率分配,该方案还可以根据用户实际需求变成2C、1C1A、2C1A、2C2A 等方案。
方案优势如下:
南芯全套解决方案
方案外围电路精简、效率高
支持PD3.1 28V/5A 及PPS 3.3V-21V
支持多种快充协议
支持CC/CV 模式
PFC 具有2 级OVP 保护
QR Flyback 控制器直驱GaN
同步整流控制器具有很短的开通、关断延时
单个协议芯片支持C+A 或A+A 应用,并支持双口独立限流
协议芯片支持PD、UFCS、AFC、FCP、SCP 等快充协议
协议芯片自带CPU,多个芯片级联可以自行对多口进行功率分配
1 套固件可支持2C、1C1A 共享、1C1A 非共享、2C1A 共享、2C1A 非共享、2C2A 等应用

(方案简要框图)

(demo 展示)
产品介绍
PFC 控制器 - SC3201
为满足大功率快充应用,南芯推出一款CRM 运行模式的PFC 控制器SC3201,支持DCM,CRM 模式,支持谷底开通降低开关损耗,PFC 升压电感无需辅助线圈,具有高转换效率。具有极低的负载功耗和完备的保护功能,支持9-30V 供电,满足中小功率的PFC 应用,SOT23-6 封装减小占板面积。SC3201 内部集成了两级独立的OVP 电路,分别通过VFB 和ZCD 管脚实现,根据检测到的电压实现过压保护,实现高可靠性的保护。芯片内部还集成了Brown In/Out,简化时序设计,另外加入增益补偿功能,保证不同线电压下增益的一致性,便于环路调试。内置频率折返功能,兼顾效率和THD。

QR Flyback 控制器 - SC3023C
SC3023C 是一款高频准谐振反激控制器,满足各类高频QR 快充需求,SC3023C 专有GaN 直驱设计,省去外置驱动器或者分立驱动器件。SC3023C 集成分段式供电模式,单绕组供电,无需复杂的供电电路。内置高压启动及交流输入Brown In/Out 功能,并集成了X-cap 放电功能,最高可支持170KHz 工作频率。QR 和DCM 模式下通过谷底开通来获得高效率。空载时在低功耗模式下运行,从而降低系统的待机功耗。内置完善全面的保护功能,支持芯片内和外置的过热保护功能。

同步整流控制器 - SC3503
SC3503 是一颗自适应开通检测和快速关断同步整流控制器,无需辅助线圈供电,专利的自适应开通检测电路避免同步整流管误开通,兼容多种MOS,具有超低的静态电流,支持多种工作模式,如支持零电压Flyback/ACF Flyback 和CCM/DCM/QR Flyback 模式,支持高侧和低侧同步整流,外围元件非常精简。SC3503 还支持零电压输出下的驱动钳位,支持4A 拉电流能力保证同步整流管快速关断,自动切换8V/6V 驱动电压,并且具有10nS 的业界最佳关断传输延时和精准的最小导通时间。


集成DC-DC 的协议SoC - SC9712
SC9712 片上集成了40V 高效率同步降压控制器、一组Type C 接口和两组DPDM 快充协议控制接口。无需增加MCU 控制,两颗SC9712 即可相互通讯,实现单一口工作时满功率输出,多口同时工作时自动进行功率分配的功能。SC9712 可同时支持符合最新的USB Type-C 和PD3.1 标准,可以支持PPS、EPR 等PD3.1 协议,支持140W(28V/5A)供电,支持市面上的快充协议同时支持最新的UFCS 协议。

总 结
南芯科技作为氮化镓快充控制器国产化先驱,率先实现氮化镓控制芯片的自主可控,至今已成功量产多款集成GaN 直驱的控制器,凭借成熟的高集成度GaN 解决方案,已与多品牌达成深度合作,得到行业广泛认可。近期推出的140W 的单C 口、双C 口及2C1A 2C2A 等多种快充电源方案,全套采用南芯明星产品,整体设计外围精简,为客户带来丰富的选择。
审核编辑 :李倩
龙腾半导体SGT MOSFET LSGT085R018在智慧农业无