时间:2023-02-03 16:34
人气:
作者:admin
NPN型三极管,由三块半导体构成,其中两块N型和一块P型半导体组成,P型半导体在中间,两块N型半导体在两侧,三极管是电子电路中最重要的器件,他主要的功能是电流放大和开关的作用。
工作原理
实际上,只要你了解了三极管的特性,对你使用单片机就顺手很多了。大家其实也都知道三极管具有放大作用,但如何去真正理解它,却是你以后会不会使用大部分电子电路和IC的关键。
我们一般所说的普通三极管是具有电流放大作用的器件。其它的三极管也都是在这个原理基础上功能延伸。三极管的符号如下图左边,我们就以NPN型三极管为例来说说它的工作原理。

“
它就是一个以b(基极)电流Ib来驱动流过CE的电流Ic的器件,它的工作原理很像一个可控制的阀门。
”

左边细管子里蓝色的小水流冲动杠杆使大水管的阀门开大,就可允许较大红色的水流通过这个阀门。当蓝色水流越大,也就使大管中红色的水流更大。
如果放大倍数是100,那么当蓝色小水流为1千克/小时,那么就允许大管子流过100千克/小时的水。
三极管的原理也跟这个一样,放大倍数为100时,当Ib(基极电流)为1mA时,就允许100mA的电流通过Ice。
这个原理大家可能也都知道,但是把它用在电路里的状况能理解,那单片机的运用就少了一大障碍了。
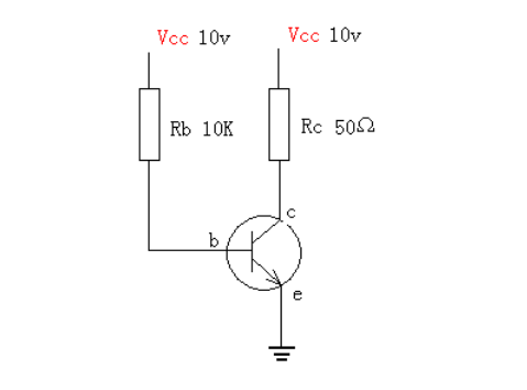
最常用的连接如下图:

我们来分析一下这个电路,如果它的放大倍数是100,基极电压我们不计。基极电流就是10V÷10K=1mA,集电极电流就应该是100mA。
根据欧姆定律,这样Rc上的电压就是0.1A×50Ω=5V。那么剩下的5V就吃在了三极管的C、E极上了。
好!
现在我们假如让Rb为1K,那么基极电流就是10V÷1K=10mA,这样按照放大倍数100算,Ic就是不是就为1000mA也就是1A了呢?假如真的为1安,那么Rc上的电压为1A×50Ω=50V。
啊?50V!都超过电源电压了,三极管都成发电机了吗?其实不是这样的。
见下图:

我们还是用水管内流水来比喻电流,当这个控制电流为10mA时使主水管上的阀开大到能流过1A的电流,但是不是就能有1A的电流流过呢?
不是的,因为上面还有个电阻,它就相当于是个固定开度的阀门,它串在这个主水管的上面,当下面那个可控制的阀开度到大于上面那个固定电阻的开度时,水流就不会再增大,而是等于通过上面那个固定阀开度的水流了,因此,
下面的三极管再开大开度也没有用了。
因此我们可以计算出,那个固定电阻的最大电流10V÷50Ω=0.2A也就是200mA。
就是说在电路中三极管基极电流增大集电极的电流也增大,当基极电流Ib增大到2mA时,集电极电流就增大到了200mA。当基极电流再增大时,集电极电流已不会再增大,就在200mA不动了。
此时上面那个电阻也就是起限流作用了。
下面我们来理解单片机内的IO的状况:

在单片机内有P1-P3的24个IO口的电路都如上图那样。
平常我们用电子电路的目的是最终让目标器件工作,例如让发光二极管亮起来,让电机正常转起来,从根本上说就是让这些器件获得一定的电流让它做功。例如要让发光二极管亮一般就需要1mA以上的电流。
但是,单片机是智能芯片,它可以通过检测各IO口的电压值来做出逻辑分析和判断,并能输出高或低电压作为结果信号,因此可以看出,单片机的各IO口注重的是所产生的电压而不是流过R和三极管的电流。
那么单片机内IO口的电压和电流的关系又是怎么样的呢?
我们还是用水管流水的例子来说明:

假设我们让R的这个阀开的较大,让下面那个控制阀全关,这时如图1所示可以看出P点的压力就是水箱的压力。当我们将下面的控制阀全开,如图2所示,则水将以很大的水流流过管线,而此时P点的压力为0。这个原理和电子电路很相似。
通过三极管的关闭或开大来使输出点P测得的逻辑量为1(电源电压)或0(0电位)。
但这个过程有一个问题,就是当需要P点输出为0时,三极管将开得很大,流过的电流很大,单片机上有32个IO口,这样消耗的电能就很多。
有没有办法改进呢?有!见下图:

见图3,如果我们将上面那个阀门R关得很小,将下面的控制阀全关,这时P点的压力仍旧会是水箱的压力,和上面图1是一样的。但当我们将控制阀开大时,如图4,P点的压力虽然也同样为0,但这时通过的水流就大大减少了。这样我们既能输出1或者0。但消耗的水却很少。
单片机里的电路正是这样做的,它上面的电阻R大约为50K,最大电流是5V÷50K=0.1mA。
也就是说,当P输出1时,不消耗电流,当P输出0时消耗的电流为0.1mA。正因为它的上拉电阻R很大,因此对于初学者来说,要它直接驱动发光管或其它的负载就要有一定的方法技巧了。
这里我再和大家一起分析一下IO口外接负载时的各种情况:

我们先来看看接TTL器件的情况,当P1.0接到74HC373的一个输入脚上时,因为TTL器件的输入阻抗很高,大约几百K到M欧姆级。
这就相当于P1.0接了个500K(我们假设为500K)的电阻到地。这样当三极管导通时,P1.0点为低电平,0.1mA的电流经Rc然后流过三极管一地,Ri上没有电流流过。而当三极管截止后,电流就由Rc流过再通过Ri流到地。由于电阻分压的作用,在Rc和Ri上各有部分电压,P1.0点的电压为Rc和Ri的分压。
总电流=5V÷(50K+500K)=0.009mA,则P1.0点的电压=0.009mA×500K=4.5V。
TTL规定输出2.4-5V为高电平;输出0.4-0为低电平。因此这样接是正确的。
下面我们再来看看用S51来驱动发光管的情况:

先来看看图7的情况,很显然,发光管的方向为上正下负,只有P1.0为高电位才能点亮发光管,要让S51的P1.0为高电位,就必须使三极管截止。当三极管截止后,电流经Rc流到发光管再从发光管流到地。 要让发光管导通必须要在发光管两端有超过2.1V的门坎电压。因此流过发光管的电流=(5V-2.1V)÷50K=0.058mA的电流,你们说发光管能亮吗? 再来看图8。 由图可以看出,要想让发光管导通P1.0就必须为低电位。那P1.0口的三极管必须得导通。 当三极管一导通后,电流一路流过Rc到三极管再从三极管流到地。另一路在发光管上消耗掉2.1V的电压。 然后一路几乎没有阻力地流过三极管,而IO口的三极管最大电流不能超过15mA,超了就会烧坏三极管,因此这个接法不正确。 那么如何才能让这两种接法都可以驱动发光管呢 见下图:

先看图9,在P1.0端和Vcc间接上个电阻Ri。当三极管导通时有两路电流都要从它的CE极流过,一路是内部R上的0.1mA电流,另一路就是Ri上的电流,为了不让三极管过流而烧坏我们就要确定它的电阻值。 Ri=5V÷15mA=0.333K,就大约是330欧姆。这时流过三极管的电流就大约为15mA,此时发光管是不亮的。 当三极管截止后,这两路电流就都要从发光管流过了,这时流过发光管的电流是多少呢。 S51的内部电阻上流过的电流为(5V-2.1V)÷50K=0.06mA,很小我们可以忽略不计了。 流过Ri上的电流为(5V-2.1V)÷330Ω=0.0087A,也就是8.7mA。已经能让发光管比较亮了。 这样驱动是可以的,但发现没有,发光管不亮时所消耗的电流比发光管点亮时消耗的电流还要大。 如果用许多个IO口去点亮很多发光管的话这样的电路就不经济了。好!这就是P1.0高电平直接驱动发光管的状况。 再来看图10,在和发光管串联一个电阻后接在Vcc和P1.0之间。当三极管导通时,也是两路电流都汇合后从三极管的CE流过,内部电阻上的电流仍为0.1mA,发光管上的电流就要由电阻Ri和发光管共同来保证不让三极管的CE超过15mA,则电阻的确定为(5V-2.1V)÷15mA=0.193K,大约是200欧姆。这样流过发光管的电流就约为15mA,发光管比较亮了。当三极管截止后,就阻断了这两路电流的通路,因此不消耗电流。 这个电路是P1.0低电平直接驱动发光管的状况,可以看出这个电路当发光管被点亮时消耗15mA的电流,而熄灭时就不消耗电流,因此这个电路是最适合用的。S51直接驱动数码管一般也都是采用这个电路原理。
下面是数码管的原理图:

审核编辑 :李倩
上一篇:锁相放大器检测微弱信号
下一篇:信号完整性实战:USB3.0
龙腾半导体SGT MOSFET LSGT085R018在智慧农业无