时间:2023-01-30 10:19
人气:
作者:admin
作者:Mike Curtin and Paul O'Brien
本系列的第一部分介绍了锁相环(PLL),描述了基本架构和工作原理。它还包括一个在通信系统中使用PLL的示例。在本系列的第二部分中,详细研究了相位噪声、基准杂散和输出泄漏等关键性能规格,并考虑了它们对系统性能的影响。在本系列的最后一部分中,我们将处理构成PLL频率合成器的一些主要构建块。我们还将比较整数 N 和小数 N 分数架构。该系列文章最后将总结目前市场上可用的VCO,并列出ADI公司频率合成器系列。
锁相环频率合成器基本构建模块
PLL频率合成器可以从几个基本构建模块的角度来考虑。已经涉及,现在将更详细地处理它们:
鉴频鉴相器 参考
计数器 (R) 反馈计数器 (N)
鉴频鉴相器
频率合成器的核心是鉴相器或鉴频鉴相器。在这里,将参考频率信号与VCO输出反馈的信号进行比较,产生的误差信号用于驱动环路滤波器和VCO。在数字PLL(DPLL)中,鉴相器或鉴频检波器是一个逻辑元件。三种最常见的实现是:
专用或(EXOR)栅极
J-K触发器数字
鉴频鉴波器
这里,我们仅考虑PFD,即ADF4110和ADF4210频率合成器系列中使用的元件,因为与EXOR门和J-K触发器不同,当其处于解锁状态时,其输出与两个输入之间的频率差成正比。
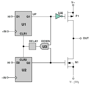
图1显示了PFD的一种实现,基本上由两个D型触发器组成。一个 Q 输出使能一个正电流源;另一个Q输出使能负电流源。假设在此设计中,D型触发器是正边沿触发的,则状态如下:
11 – 两个输出均为高电平,由 AND 门 (U3) 禁用,返回触发器上的 CLR 引脚。
00 – P1和N1均关断,输出OUT基本上处于高阻抗状态。
10–P1 打开,N1 关闭,输出为 V+。
01–P1 关闭,N1 打开,输出为 V–。

图1.典型的PFD,使用D型触发器。
现在考虑一下如果系统失锁且+IN处的频率远高于-IN处的频率,电路的行为,如图2所示。

图2.PFD 波形,频率和相位锁定。
由于+IN处的频率远高于–IN处的频率,因此输出大部分时间都处于高电平状态。+IN上的第一个上升沿将输出发送为高电平,并一直保持到–IN上出现第一个上升沿。在实际系统中,这意味着输出以及VCO的输入被驱动得更高,导致–IN的频率增加。这正是所期望的。
如果 +IN 上的频率远低于 –IN,则会发生相反的效果。OUT 的输出大部分时间都处于低状态。这将具有在负方向上驱动VCO的效果,并再次使–IN处的频率更接近+IN处的频率,以接近锁定条件。图3显示了输入锁定频率并接近锁相时的波形。

图3.PFD波形,处于频率锁定状态,但处于缺相锁定状态。
由于+IN是前导–IN,输出是一系列正电流脉冲。这些脉冲将倾向于驱动VCO,使–IN信号与+IN上的信号相位对齐。
发生这种情况时,如果U3与U1和U2的CLR输入之间没有延迟元件,则输出可能处于高阻抗模式,既不产生正电流脉冲,也不产生负电流脉冲。这不是一个好情况。VCO将漂移,直到产生明显的相位误差,并再次开始产生正或负电流脉冲。在相对较长的一段时间内,这种循环的影响是电荷泵的输出被PFD输入参考频率的次谐波信号调制。由于这可能是低频信号,因此环路滤波器不会衰减它,并且会在VCO输出频谱中产生非常明显的杂散,这种现象称为反冲效应。U3 输出与 U1 和 U2 的 CLR 输入之间的延迟元素可确保不会发生这种情况。使用延迟元件时,即使+IN和–IN完全相位对齐,电荷泵输出端仍会产生电流脉冲。该延迟的持续时间等于在U3输出端插入的延迟,称为反冲脉冲宽度。
参考计数器
在经典的整数N分频频率合成器中,输出频率的分辨率由施加到鉴相器的参考频率决定。因此,例如,如果需要 200 kHz 间隔(如 GSM 电话),则参考频率必须为 200 kHz。然而,获得稳定的 200kHz 频率源并不容易。一个明智的方法是采用一个好的基于晶体的高频源并将其划分。例如,所需的频率间隔可以通过从10 MHz频率参考开始,然后将其除以50来实现。此方法如图 4 中的图表所示。

图4.在PLL频率合成器中使用基准计数器。
反馈计数器,N
N 计数器,也称为 N 分频器,是设置PLL中输入和输出频率之间关系的可编程元件。多年来,N 计数器的复杂性一直在增长。除了一个简单的N计数器外,它还发展到包括一个预分频器,它可以具有双模数。
当需要非常高的频率输出时,这种结构已经发展成为使用基本N分频结构反馈到鉴相器所固有问题的解决方案。例如,假设 10 kHz 间隔需要 900 MHz 输出。可以使用 10MHz 参考频率,R 分频器设置为 1000。然后,反馈中的 N 值需要为 90,000 量级。这意味着至少有一个17位计数器能够处理900 MHz的输入频率。
为了处理此范围,在可编程计数器之前加上一个固定的计数器元件是有意义的,以便将非常高的输入频率降低到标准CMOS的工作范围。该计数器称为预分频器,如图 5 所示。

图5.基本预分频器。
但是,使用标准预分频器会带来其他并发症。系统分辨率现在已降低(F1×页)。这个问题可以通过使用双模预分频器来解决(图 6)。它具有标准预分频器的优点,但不会损失任何系统分辨率。双模预分频器是一种计数器,其分频比可以通过外部控制信号从一个值切换到另一个值。通过使用带有A和B计数器的双模预分频器,仍然可以保持F的输出分辨率1.但是,必须满足以下条件:

图6.双模预分频器
如果计数器未超时,则两个计数器的输出信号均为高电平。
当 B 计数器超时时,其输出变为低电平,并立即将两个计数器加载到其预设值。
加载到 B 计数器的值必须始终大于加载到 A 计数器的值。
假设 B 计数器刚刚超时,并且两个计数器都已重新加载值 A 和 B。让我们找到再次达到相同状态所需的VCO周期数。
只要 A 计数器没有超时,预分频器就会除以 P+1。因此,每次预分频器计数(P+1)VCO周期时,A和B计数器都将倒计时1。这意味着 A 计数器将在 ((P+1) × A) VCO 周期后超时。此时,预分频器切换到 P 分频。也可以说此时 B 计数器在超时之前仍有 (B-A) 周期要经过。这样做需要多长时间:((B-A)×P)。系统现在回到了我们开始时的初始状态。
实现此目的所需的 VCO 周期总数为:

使用双模预分频器时,重要的是要考虑N的最低值和最高值。我们真正想要的是可以以离散整数步长更改 N 的范围。考虑表达式 N = A + BP。若要确保 N 的连续整数间距,A 必须在 0 到 (P–1) 范围内。然后,每次 B 递增时,都有足够的分辨率来填充 BP 和 (B+1)P 之间的所有整数值。正如双模预分频器已经指出的那样,B 必须大于或等于 A,双模预分频器才能工作。由此我们可以说,在能够以离散整数步长递增的同时,可能的最小除法比是:

N 的最大值由下式给出

在这种情况下一个.max和B.max仅由 A 和 B 计数器的大小决定。
现在来看ADF4111的实际示例。
假设预分频器被编程为 32/33。
计数器:6位意味着A可以是26- 1 = 63 B 计数器:13 位表示
B 可以是 213- 1 = 8191


ADF4110系列
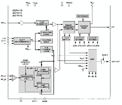
前几节中讨论的构建模块均用于ADI公司新的N整数频率合成器系列。ADF4110系列频率合成器由单器件组成,ADF4210系列由双通道版本组成。ADF4110的框图如下所示。它包含上述参考计数器、双模预分频器、N 计数器和 PFD 模块。

图7.ADF4110系列框图
小数N分频合成器
许多新兴的无线通信系统需要本振(LO)中更快的开关和更低的相位噪声。小数N分频合成是实现这两个目标的一种手段。
该技术最初是在 1970 年代初开发的。这项早期工作主要由惠普和拉卡尔完成。该技术最初被称为“digiphase”,但后来被普遍命名为分数N。
在标准频率合成器中,RF信号只能被整数除以。这就需要使用相对较低的参考频率(由系统通道间距决定),并导致反馈中的N值很高。这两个事实对系统建立时间和系统相位噪声都有重大影响。低参考频率意味着较长的建立时间,而高N值意味着较大的相位噪声。
如果反馈中可以发生分数除法,则可以使用更高的参考频率并仍然实现通道间距。这个较低的分数也意味着较低的相位噪声。
如果事实如此,可以通过交替除以两个整数来实现在很长一段时间内除以分数(除以 2.5 可以通过连续除以 2 和 3 来实现)。
那么,如何除以 X 或 (X + 1)(假设小数在这两个值之间)?好吧,可以允许数字的小数部分以参考频率速率累积。

图8.小数N分频合成器。
图9的示意图显示了图8中描述的小数N分频系统的时序。出于此示例的目的,我们假设分频比为 4.6。
信号 F外显示 FREF 执行 10 个周期期间的 46 个周期。在 FREF 生成其第一个周期期间,N 计数器需要除以 4.6。当然,这是不可能的。它除以 4。因此,在第一个周期中,计数器输出中“缺少”0.6个脉冲。这是使用累加器在系统中记忆的。累加器使用与F寄存器相同的代码。在每个参考周期开始时,累加器将F寄存器内容添加到其先前的累积值中。因此,从时间 0 开始,累加器将跟踪“缺失”的脉冲分数。
在第二个参考周期中,N 计数器将再次除以 4。累加器现在将在第一个参考周期累积的 0.6 的基础上增加 0.6。这在累加器中给出了 1.2 的值,但由于它只能存储小于 1 的值,因此将生成溢出并将 0.2 保留为累加器内容。
溢流用于激活脉冲消除电路。因此,VCO产生的下一个脉冲从输入端移开至N计数器。这种脉冲去除与除以 5 而不是 4 具有相同的效果。如图所示,累加器在第 4、5、7、9 和 10 个周期再次溢出。因此,在一系列 10 个参考周期中,有 6 个溢出,产生总数为 (4 × 4) + (6 × 5) = 46。这正是我们想要的。

图9.小数 N 分频时序。
VCO制造商摘要
随着无线通信的爆炸式增长,对合成器和VCO等产品的需求在过去五年中急剧增加。有趣的是,到目前为止,市场一直由两组不同的制造商提供服务。下面列出了VCO领域的一些参与者。这个列表并不是包罗万象的,而是让读者对一些主要参与者有所了解。
审核编辑:郭婷
龙腾半导体SGT MOSFET LSGT085R018在智慧农业无