时间:2023-02-01 11:35
人气:
作者:admin
我将信号发生器设置为以特定功率输出CW音,根据我的数学计算,该功率应在ADC上提供–1 dBFS信号。但是,我看到的是–15 dBFS!谁吃了我所有的分贝?
通常,ADC(模数转换器)性能额定为–1 dBFS。一些数据手册规定失真低于满量程0.5 dB。无论是低于满量程1 dB还是0.5 dB,这样做都是为了防止在满量程(0 dBFS)下运行ADC输入时信号削波。台式RF信号发生器通常以dBm为单位输出信号。为了在1.1 V p-p满量程ADC上实现–7 dBFS,只需要7.6 dBm信号电平(基于50 Ω的基准阻抗)。但是,当您这样做时,ADC的单音FFT输出显示–6.7 dBFS。有人吃掉了所有的分贝吗?
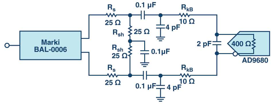
答案就在眼皮底下...的 ADC。它是ADC的前端网络。让我们仔细看看AD9680 ADC的默认前端网络。

图1.AD9680评估板的默认前端网络。
单端至差分转换由宽带巴伦BAL-0006SMG完成。快速浏览一下BAL-0006SMG的数据手册,就会发现它的插入损耗为6 dB。跟随巴伦(Rs和 R.SH) 再增加 6 dB。需要此匹配网络才能提供与巴伦输出的宽带匹配。ADC前面的串联电阻会产生少量插入损耗(R千字节).该电阻通过减少来自ADC采样级和保持级的反冲,有助于改善三次谐波性能。
因此,让我们从ADC向外工作,看看信号发生器需要多少功率才能在ADC上获得–1 dBFS信号。50 Ω的基准阻抗用于数学运算。对于1.7 V p-p的默认满量程电平,–1 dBFS信号为1.515 V p-p。由于10 Ω电阻两端的损耗非常小,我们可以假设这是终端网络输出的电压。巴伦端接的损耗为6 dB,因此巴伦每个支腿的摆动应大约是1.515 V的两倍。这导致单端输入约为3.03 V p-p。因此,信号发生器必须提供对应于约3.03 V p-p或大约14 dBm的信号。请注意,这不包括通过带通滤波器或连接器电缆的插入损耗。因此,再次回顾图 1,这次带有一些注释,我们得出图 2。

图2.带带通滤波器和信号发生器的前端网络。
再次回到我们的问题,如果ADC前面除了信号发生器之外什么都没有,那么在ADC上获得-1 dBFS信号需要7.6 dBm信号的前提是正确的。好吧,也许扔一个巴伦。现在还有其他组件(宽带巴伦、匹配网络、反冲控制等),它们都会导致插入损耗,从而导致-6.7 dBFS的信号衰减。所以,你可以放心地说“我的前端吃掉了所有的dBs”。你看,数学永远不会错。
有助于的方程式:

其中 VIN 是输入电压,VFS 是满量程电压

其中Vrms是均方根电压,V p-p是峰峰值电压

其中 PdBm 是以 dBm 为单位的信号发生器功率,Vrms 是均方根电压,R 是系统阻抗(在本例中为 50 Ω),P0 为 1 mW。
审核编辑:郭婷
上一篇:以双极性方式驱动单极栅极驱动器
龙腾半导体SGT MOSFET LSGT085R018在智慧农业无