时间:2023-01-12 11:56
人气:
作者:admin
上期主要对三极管H参数的四个参数从物理意义上进行了说明,但是求得的三极管等效H参数模型比较复杂,需要对其进行简化,而动态电阻rbe就可以进行简化。
关键词:动态电阻rbe;
01简化三极管动态电阻
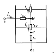
三极管的结构示意图如图1-1所示:

图1-1 晶体管的结构示意图
如图1-1可以看出,三极管b-e间电阻由基区体电阻rbb’、发射结电阻rb’e’和发射区体电阻re三部分组成,rbb’与re仅与杂质浓度以及制造工艺有关,由于基区很薄且多子浓度很低,rbb’数值较大,对于小功率管,多在几十欧到几百欧,可以通过查阅手册得到。 由于发射区多数载流子浓度很高,re数值很小,只有几欧姆,与rbb’和rb’e’相比可以忽略不计。 因此,晶体管输入回路的等效回路如图1-2所示:

图1-2 晶体管等效电路
由图1-2可知,流过rbb’的电流为Ib,而流过rb’e’的电流为Ie,所以满足:

同时,发射结的总电流为:

式(1.2)中u为发射结所加总电压。
所以将式(1.2)和式(1.1)合并可以求得基区体电阻为:

但是由于发射结处于正向偏置,u大于开启电压(硅管的开启电压约为0.5V),而常温下UT≈26mV,因此可以认为:

将式(1.4)代入式(1.3)可得:

当用以Q点为切点的切线取代Q点附近的曲线时:

根据rbe的定义:

由此得出rbe的近似表达式:

式(1.8)进一步表明,Q点越高,即IEQ越大,rbe越小。
三级管H参数等效模型如图1-3所示:

图1-3 H参数等效模型
由以上分析,在输入回路中,内反馈系数H12很小,即内反馈很弱,近似分析可以忽略不计,故晶体管的输入回路可近似等效为只有一个动态电阻rbe; 在输出回路由于H22很小,即rce很大,说明在近似分析中该支路的电流可忽略不计,故晶体管的输出回路可近似等效为只有一个受控电流源Ic=βIb,所以简化后的三极管H参数等效模型如图1-4所示:

图1-4 简化的H参数等效模型
同时电阻rbe也可以由上述分析进行简化计算。
上一篇:三极管H参数的物理意义及求解方法
下一篇:放大器的基本概念
龙腾半导体SGT MOSFET LSGT085R018在智慧农业无