时间:2022-11-03 18:12
人气:
作者:admin
由于各级电路的电路形式以及增益不同,故等效的RC时间常数也不同。输出级为电压跟随器形式。其增益最低,但带宽最宽(即RC低通截止频率最高)。即RC时间常数最小。
运算放大器在输入为0V的时候,输出不一定为0V,可能几十uV到几mv,这个叫做运算放大器的直流偏置,如果放大倍数比较大的话,这个直流偏置也会被放大,为了消除直流偏置,在运放的电源端和输入端加一个几M的电阻,或者有的运放本身就有调零端Voffset,接上一个电阻用于抵消直流偏置,这个电阻就叫做偏置电阻。
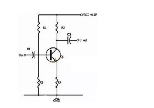
放大电路的核心元件是三极管,所以要对三极管要有一定的了解。用三极管构成的放大电路的种类较多,我们用常用的几种来解说一下。图1是一共射的基本放大电路,一般我们对放大路要掌握些什么内容?
(1)分析电路中各元件的作用;
(2)解放大电路的放大原理;
(3)能分析计算电路的静态工作点;
(4)理解静态工作点的设置目的和方法。
以上四项中,最后一项较为重要。

偏置电阻的计算
图1中,C1,C2为耦合电容,耦合就是起信号的传递作用,电容器能将信号信号从前级耦合到后级,是因为电容两端的电压不能突变,在输入端输入交流信号后,因两端的电压不能突变因,输出端的电压会跟随输入端输入的交流信号一起变化,从而将信号从输入端耦合到输出端。但有一点要说明的是,电容两端的电压不能突变,但不是不能变。
R1、R2为三极管V1的直流偏置电阻,什么叫直流偏置?简单来说,做工要吃饭。要求三极管工作,必先要提供一定的工作条件,电子元件一定是要求有电能供应的了,否则就不叫电路了。
在电路的工作要求中,第一条件是要求要稳定,所以,电源一定要是直流电源,所以叫直流偏置。为什么是通过电阻来供电?电阻就象是供水系统中的水龙头,用调节电流大小的。所以,三极管的三种工作状态“:载止、饱和、放大”就由直流偏置决定,在图1中,也就是由R1、R2来决定了。
首先,我们要知道如何判别三极管的三种工作状态,简单来说,判别工作于何种工作状态可以根据Uce的大小来判别,Uce接近于电源电压VCC,则三极管就工作于载止状态,载止状态就是说三极管基本上不工作,Ic电流较小(大约为零),所以R2由于没有电流流过,电压接近0V,所以Uce就接近于电源电压VCC。
若Uce接近于0V,则三极管工作于饱和状态,何谓饱和状态?就是说,Ic电流达到了最大值,就算Ib增大,它也不能再增大了。
以上两种状态我们一般称为开关状态,除这两种外,第三种状态就是放大状态,一般测Uce接近于电源电压的一半。若测Uce偏向VCC,则三极管趋向于载止状态,若测Uce偏向0V,则三极管趋向于饱和状态。
理解静态工作点的设置目的和方法
放大电路,就是将输入信号放大后输出,(一般有电压放大,电流放大和功率放大几种,这个不在这讨论内)。先说我们要放大的信号,以正弦交流信号为例说。在分析过程中,可以只考虑到信号大小变化是有正有负,其它不说。上面提到在图1放大电路电路中,静态工作点的设置为Uce接近于电源电压的一半,为什么?
这是为了使信号正负能有对称的变化空间,在没有信号输入的时候,即信号输入为0,假设Uce为电源电压的一半,我们当它为一水平线,作为一个参考点。当输入信号增大时,则Ib增大,Ic电流增大,则电阻R2的电压U2=Ic&TImes;R2会随之增大,Uce=VCC-U2,会变小。U2最大理论上能达到等于VCC,则Uce最小会达到0V,这是说,在输入信增加时,Uce最大变化是从1/2的VCC变化到0V.
同理,当输入信号减小时,则Ib减小,Ic电流减小,则电阻R2的电压U2=Ic&TImes;R2会随之减小,Uce=VCC-U2,会变大。在输入信减小时,Uce最大变化是从1/2的VCC变化到VCC。这样,在输入信号一定范围内发生正负变化时,Uce以1/2VCC为准的话就有一个对称的正负变化范围,所以一般图1静态工作点的设置为Uce接近于电源电压的一半。
要把Uce设计成接近于电源电压的一半,这是我们的目的,但如何才能把Uce设计成接近于电源电压的一半?这就是的手段了。
这里要先知道几个东西,第一个是我们常说的Ic、Ib,它们是三极管的集电极电流和基极电流,它们有一个关系是Ic=β&TImes;Ib,但我们初学的时候,老师很明显的没有告诉我们,Ic、Ib是多大才合适?这个问题比较难答,因为牵涉的东西比较的多,但一般来说,对于小功率管,一般设Ic在零点几毫安到几毫安,中功率管则在几毫安到几十毫安,大功率管则在几十毫安到几安。
在图1中,设Ic为2mA,则电阻R2的阻值就可以由R=U/I来计算,VCC为12V,则1/2VCC为6V,R2的阻值为6V/2mA,为3KΩ。Ic设定为2毫安,则Ib可由Ib=Ic/β推出,关健是β的取值了,β一般理论取值100,则Ib=2mA/100=20#A,则R1=(VCC-0.7V)/Ib=11.3V/20#A=56.5KΩ,但实际上,小功率管的β值远不止100,在150到400之间,或者更高,所以若按上面计算来做,电路(找元器件现货上唯样商城)是有可能处于饱和状态的,所以有时我们不明白,计算没错,但实际不能用,这是因为还少了一点实际的指导,指出理论与实际的差别。
这种电路受β值的影响大,每个人计算一样时,但做出来的结果不一定相同。也就是说,这种电路的稳定性差,实际应用较少。但如果改为图2的分压式偏置电路,电路的分析计算和实际电路测量较为接近。

偏置电阻的计算
在图2的分压式偏置电路中,同样的我们假设Ic为2mA,Uce设计成1/2VCC为6V。则R1、R2、R3、R4该如何取值呢。计算公式如下:因为Uce设计成1/2VCC为6V,则Ic&TImes;(R3+R4)=6V;Ic≈Ie。可以算出R3+R4=3KΩ,这样,R3、R4各是多少?
一般R4取100Ω,R3为2.9KΩ,实际上R3我们一般直取2.7KΩ,因为E24系列电阻中没有2.9KΩ,取值2.7KΩ与2.9KΩ没什么大的区别。因为R2两端的电压等于Ube+UR4,即0.7V+100Ω×2mA=0.9V,我们设Ic为2mA,β一般理论取值100,则Ib=2mA/100=20#A,这里有一个电流要估算的,就是流过R1的电流了,一般取值为Ib的10倍左右,取IR1200#A。则R1=11.1V/200#A≈56KΩR2=0.9V(/200-20)#A=5KΩ;考虑到实际上的β值可能远大于100,所以R2的实际取值为4.7KΩ。这样,R1、R2、R3、R4的取值分别为56KΩ,4.7KΩ,2.7KΩ,100Ω,Uce为6.4V。
在上面的分析计算中,多次提出假设什么的,这在实际应用中是必要的,很多时候需要一个参考值来给我们计算,但往往却没有,这里面一是我们对各种器件不熟悉,二是忘记了一件事,我们自己才是用电路的人,一些数据可以自己设定,这样可以少走弯路。
阴极偏置电阻和反馈电阻的计算?
对于输入级阴极处施加了大环路负反馈的功放来说,在设计的过程中,EP2C8F256CXNAA对阴极偏置电阻和反馈电阻的计算,容易成为最复杂的计算。不过,如果我们能保持镇定,通过画出众多简明扼要的电路分析图,把所有信息全部做好标注,那么,问题就可以得到简化,能达到我们可掌控的程度。
只在信封背面写写画画,是难以得到答案的。我们需要同时考虑如下4个主要因素。
·我们需要正确地设置好阴极偏置电压。通常来说,这是欧姆定律的简单应用;但这里稍复杂一些,因为偏置电流将同时流过阴极电阻和反馈电阻。
·榆入管本身在阴极电阻上产生电流反馈,而这个阴极电阻,还有来自于放大器输出端的电流流过。
·我们需要设定好阴极电阻与反馈电阻的阻值比例,以便获得所需的负反馈量。
·就我们关心的AC来说,阴极电阻是与输入管的‰并联的。我们已知道限制因素,现在,应该可以画图作标注,并利用公式进行一些计算。
由于我们需要让阴极电压等于2.5V,而阳极电流为190V/47kQ,因此,阴极与地线之间的总电阻必定为618.4Q。
要实现Mullard所称的11W的EL84推挽输出功率,需要让输入管阳极信号摆幅达到8.636。这意味着,阳极信号电流须为8.636V/47kQ=0.1837mARMs。这个电流也流进阴极电路,在没有作旁路处理的电阻上形成反馈电压。
我们希望这台功放的输入灵敏度为2Ms,我们还知道,在施加大环路负反馈之前,输入灵敏度为298Ms。因此,阴极处的反馈电压需为2V一0.298V=1.702Ms。我们知道,在输出10W时,功放的输出信号将是8.944Ms。
审核编辑:刘清
上一篇:电压反馈型运算放大器的增益和宽带
下一篇:运放使用时高频增益的制约因素
龙腾半导体SGT MOSFET LSGT085R018在智慧农业无