时间:2022-09-25 11:43
人气:
作者:admin
比较器是几乎在每个应用中都可以找到的基本模拟元件。描述比较器的一种方式是它们是 1 位 ADC:比较器有两个输入端,其中一个通常用作电压基准,另一个用作输入电压信号。根据哪个输入端是基准以及输入电压是多少,比较器输出将切换为高电平或低电平。这些元件用途广泛,特别是在混合信号和控制应用中,例如过压和欠压检测以及温度传感。
虽然比较器的概念很简单,但在实现过程中会有几个常见的设计挑战。为了应对这些挑战,本文将介绍设计人员为实现出色的比较器性能而必须应对的三个最常见设计注意事项 - 从颤振开始。
什么是颤振?
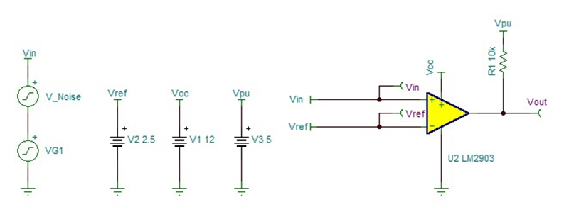
为了演示颤振现象,将 LM2903 双路差分比较器设置为同相配置(图 1),将噪声添加到以基准电压 (VREF) 为中心的 1V 峰峰值三角波中。当输入电压 (VIN) 接近 IN– 上的基准电压时,会出现多个快速转换,如图 2 所示。

图 1:同相比较器设置

图 2:比较器颤振
这些快速转换有时会被误认为是振荡;然而,该行为实际上称为颤振。颤振不代表器件存在缺陷;这是正常行为。从比较器的角度来看,它看到的是信号变得高于和低于基准阈值。即使是基准附近非常轻微的变化也会导致输出进入转换状态。比较器的响应时间相对较短,只要信号变化处于其最大切换频率以内,它就会改变状态。
颤振的原因和影响
颤振的主要原因是系统中存在的噪声,该噪声的来源可能有多个,包括输入、VREF 、电源、元件、原型设计板 - 甚至是比较器本身。甚至仅仅是比较器的噪声就可能引起颤振,此时输入端连接在一起以获得大约 0mV 的内部失调电压 (VOS) 。无论噪声源如何,比较器的输出都会出现颤振,因为输入电压会快速、随机、连续地高于和低于基准电压。
如果不对输出上的颤振加以抑制,这会成为一个严重的问题。不必要的输出状态转换可能会向 FET 开关等下游器件提供错误信息并对其施加错误的控制,从而导致不稳定的系统(找元器件现货上唯样商城)行为并可能导致系统无效。例如,颤振可能会导致控制 DC/DC 转换器使能引脚的比较器反复对系统进行上电和断电。此外,电池电压或温度传感器电压等缓慢移动的信号更容易受到颤振的影响,因为信号缓慢地越过基准,从而可能会因噪声而导致更多越过基准的情况。这可能会意外地激活和停用欠压或过压以及温度保护电路。
颤振解决方案
解决颤振的方法主要有两种,每种方法都有相应的子集选项。第一个选项是通过正反馈实现外部迟滞。外部迟滞可以有效地增加高于和低于基准的失调电压阈值。图 3 显示了具有外部迟滞的同相配置下的比较器及其传输特性曲线。

图 3:具有外部迟滞的同相比较器
另一种消除颤振的方法是使用具有集成或可变迟滞的比较器,例如 TLV7012。集成迟滞还可以提供额外的优势,即通过消除布局中的元件来节省空间受限的印刷电路板上的空间。
例如,TLV3603 和 TLV3605 具有用于提供可调内部迟滞的引脚。利用 LE/HYS 引脚(参见图 4)功能,可实现可变迟滞,具体取决于连接在该引脚和发射极电源电压 (VEE) 之间的电阻器值,其中减小电阻会将迟滞增大至某个点。如果芯片提供的迟滞不够大(大于系统中存在的噪声),仍然可以实现外部迟滞。

图 4:VHYST(毫伏)与 RHYST(千欧)之间的关系
对于直流精度至关重要的高速系统,应使用反馈电容器而非电阻器来提供短期迟滞,从而在不影响阈值电压的情况下实现交流迟滞。
减小颤振可能性的第二个选项是对输入信号、基准信号或两者进行滤波。适当地绕过电源也将有助于尽可能减小大电流尖峰的干扰。对输入进行滤波的缺点是会造成信号延迟,从而可能违反严格的系统时序要求。不过,对输入进行滤波可以在不改变状态转换的电压阈值的情况下消除颤振。
下面的图 5 显示了一种可能的滤波方案,它与迟滞相结合,以消除颤振。注意 C1 是如何被划掉的,因为在实现正反馈时向同相节点施加电容可能会导致反馈发生延迟并可能完全将其消除。建议在布局允许的情况下尽可能靠近该引脚放置任何旁路或滤波电容器,以尽可能提高效率。通过在不同的十倍程范围内使用多个旁路电容器(例如,1µF、100nF 和 100pf),可以在整个频率范围内提供出色的降噪效果。

图 5:具有外部迟滞和滤波的同相比较器
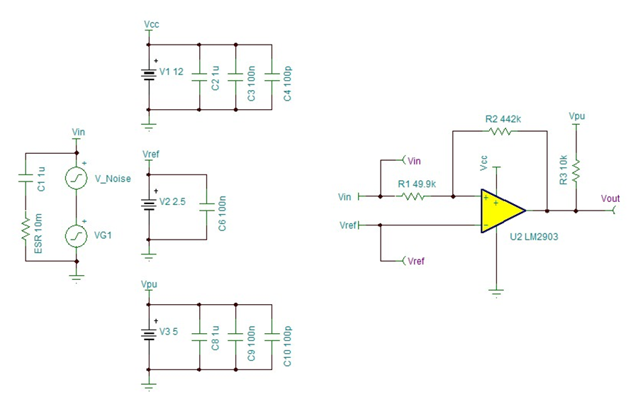
图 6 和图 7 显示了应用迟滞、滤波和适当旁路后产生的波形以及电路配置。使用“具有迟滞功能的同相比较器电路”中的公式以及选择的值 R1=100kΩ、R5=10kΩ、VHYST=500mV、VO(max)=5V、VO(min)=110mV 和 VREF=2.5,计算得到的值为 R2=100kΩ、R3=49.9kΩ 和 R4=442kΩ。请注意,所有电阻器值都四舍五入到最接近的 1% 标准电阻器值。

图 6:已解决比较器颤振

图 7:具有外部迟滞和滤波设置的同相比较器
下一篇:解决比较器的主要挑战:颤振
龙腾半导体SGT MOSFET LSGT085R018在智慧农业无