时间:2022-08-31 16:09
人气:
作者:admin
MVS7200适用于电机控制的隔离放大器
MVS7200具有可靠隔离、较高频宽和较低讯号传输延迟使得它成为电机驱动系统(交流和无刷直流电机驱动器,伺服电机驱动器)、工业变频器、太阳能逆变器、风力发电机、电源转换器等设计应用于电子驱动器等电子功率转换器应用中的电流检测和可再生能源系统的最佳隔离电流分流测量解决方案。在典型的电机驱动程序中,MVS7200可检测到电机电流通过外部电阻所产生的模拟电压降,隔离屏障的另一端则产生差分正比于电机电流的差分输出电压。
电机驱动系统和光伏逆变器系统需要可靠的电流监视以及强大的抗噪性。与竞争对手AVAGO品牌的HCPL-7840、HCPL-7800、ACPL-7900、TI品牌的AMC1200、AMC1100、SKYWPRKS品牌的SI8920等产品相比,MVS7200器件提供了高达±150KV/us(典型值)的共模瞬变抗扰度(CMTI)。改器件高达±150KV/us(典型值)的共模瞬变抑制能力可在高噪声的电机控制环境下检测电机电流所需的精度和稳定性,可减少各类不同的电机控制应用中转矩波动。并可确保在要求严苛的工业应用获得可靠、准确的电流数据,器件内部输入共模过压和高边电源丢失检测功能有助于故障诊断和系统安全。
共模抑制比测试电路图

共模抑制比测试电路图
MVS7200器件采用5V单相电源供电,兼容于3.3V输出电压,具有出色的低非线性度和温漂: 额定范围内 0.01%(典型值),±1 ppm/°C(典型值) 、低输入失调电压和温漂:25°C 时±1 mV(最大值),±4 μV/°C(最大值) 、低增益误差和温漂:25°C 时±0.5%(最大值),±50 ppm/°C(最大值) 和68 dB 信噪比SNR的动态性能。凭借310KHz带宽,1.2µs的快速响应时间、高达±150 kV/µs(典型值)的共模瞬变抗扰度(CMTI)可捕获短路和过载情况下的瞬变。
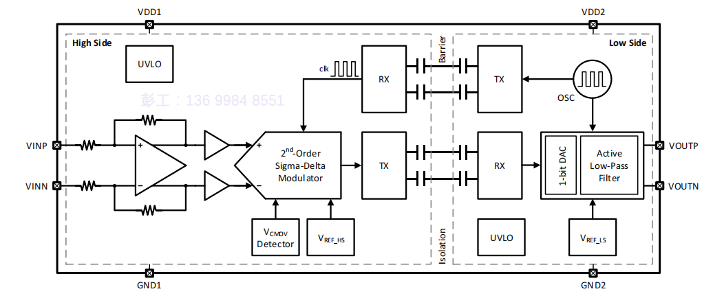
MVS7200功能框图

MVS7200功能框图
MVS7200 电气特性图

MVS7200 电气特性图
应用
•工业电机控制和驱动
•隔离式开关电源
•UPS不间断电源
•工业和可再生能源逆变器
•通用电流检测和监控
•通用模拟信号隔离
•开关电源信号隔离
•白色家电中的变速电机控制
•汽车电池和电机/光伏逆变器系统
电流检测的典型应用
电流检测的典型应用电路图

电流检测的典型应用电路图
电流检测的典型应用如上图所示,MVS7200器件被用来放大分流电阻(Rshunt)上的压降,然后将其传输至低压侧供控制电路处理。MVS7200的差分输入和高CMTI共模瞬变抑制能力确保在诸如工业电机驱动等高噪声、高功率开关应用中可靠和准确地测量。在开关时Rshunt到PGND的电压可以从0V变化到高母线电压,因此隔离是必须的。MVS7200器件支持高达3750Vrms(MVS7200UR)或5000Vrms(MVS7200GR)的电气隔离,因此十分适合高压工业应用场合。
在三相电机驱动应用中,上述电路可以被重复三次,每次对应一个相电流的测量。
选择合适的Rshunt
分流电阻值的选择是功耗和测量精度之间的一种折中。小的电阻值可以减少功耗,而大的电阻值能充分利用Sigma-Delta调制器满量程输入范围内的全部性能。
考虑下列两个限制条件来选择合适的分流电阻的值:
* 由标称测量电流在Rshunt上产生的压降在额定线性差分输入范围(Vfsr)内。
* 由最大允许的电流在Rshunt上产生的压降一定不能超过满量程输入电压范围(Vclipping)。
为了获得最好的性能,将分流电阻尽可能放在靠近MVS7200的输入的位置并且保持输入连接布线的对称性。这确保发生在高边的噪声同等耦合到输入端并作为共模信号被抑制。推荐在Rshunt和MVS7200的输入之间采用开尔文连接,从而消除走线和引脚上的压降的影响。
输入滤波器
MVS7200的典型输入带是1MHZ。一阶无源RC低通滤波器可以被放置在Rshunt和器件的输入之间来缩窄带宽。选择R1=R2=10Ω和C1=20nF可以提供大概400KHz的截止频率。R1和R2应该选择比MVS7200的输入电阻小得多的值来减少增益误差。
电源供电推荐
MVS7200的高边电源供电可以通过使用齐纳二极管(D1)直接从高边栅极驱动的电源产生3.3V或5V(±10%)电压。推荐在离MVS7200的VDD1引脚尽可能近的位置放置0.1uF低等效串联电阻的解耦电容(C2)。额外电容(C3)被推荐用来更好地对高边供电路径进行滤波,其值可以从2.2uF到10uF的范围内选择。
类似的,0.1uF解耦电容(C4)和从2.2uF到10uF的电容(C5)应该放置在离MVS7200的VDD2引脚尽可能近的位置来对低边供电路径进行滤波。 输出滤波器。
另一个一阶无源RC低通滤波器可以放置在MVS7200的输出和ADC之间来满足潜在的抗混叠滤波的要求。该滤波器的特性由ADC的结构和采用频率决定。选择R4=R5=4.7KΩ和C6=180pF可以提供大概94KHz的截止频率。
电压检测的误差分析
如下图所示,MVS7200也可以被用在电压检测的应用中。电阻R11、R21和R31组成电阻分压网络来缩小母线高压。R11和R21的值通常比R31大很多,保证MVS7200的输入电压在额定范围内。
在MVS7200中,电阻R41和R51(或R42和R52)被用来设定前段运放的增益。典型值是R41=R42=12.5KΩ和R51=R52=50KΩ。电阻R61和R62被用来检测MVS7200的输入共模电压,典型值是R61=R62=100KΩ。
首先考虑R32未使用的情况。MVS7200在这些应用中会产生额外的增益误差和失调。一方面,MVS7200有限的输入阻抗和外部检测电阻R31并联,导致阻抗变化继而产生额外的增益误差。另一方面,MVS7200的前端差分运放的输出共模电压Vcm偏置在1.875V,会产生偏置电流IINP和IINN流过前端电阻网络。偏置电流IINP同时流过R31,而IINN在没有R32的情况下直接流向PGND,会导致不平衡继而产生额外的失调。
为了消除偏置电流的影响,和检测电阻R31相同阻值的电阻R32被推荐在VINN和PGND之间。电阻R31会带来额外的增益误差EGA,如式1计算所得。
式1:EGA=R31/(R31+R41)
为了减小上述增益误差,R31的值(相比于R41)应该选取得尽可能小。该增益误差也可以在系统级别的增益修调中减小。
电压检测的典型应用电路图

电压检测的典型应用电路图
审核编辑:汤梓红
龙腾半导体SGT MOSFET LSGT085R018在智慧农业无