时间:2022-07-06 16:35
人气:
作者:admin
本文将详细介绍运算放大器的影响,它用作具有不同实际电路要求的比较器。
适用于简单直流电压应用的比较器电路
低压指示器电路 - 示例:
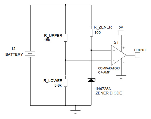
考虑使用单个铅酸电池运行的家用 UPS 系统,该系统需要一个低电压指示器来警告客户电池当前的低电压状态。铅酸电池在开路条件下的电压等级为 11.7V 至 13.5V。因此,当电池电压低于 12V 时,应打开低电流蜂鸣器和警告 LED,并留有余量。选定的 LED 和蜂鸣器电压假定为 3V,工作电流假定为 3mA。低压指示器电路可以使用比较器来实现,如图 1 所示。

图 1:使用比较器/运算放大器的低压指示器电路
使用齐纳二极管将恒定的 3.3V 基准电压施加到同相比较器引脚。R_Zener 是根据齐纳电流值选择的。根据 1N4728A 数据表,该电路中的齐纳电流等于其 76mA 的测试电流。

图 2:Vishay 1N4728A 齐纳二极管规格

110.5Ω 值不是标准电阻值。因此,R_Zener 选择 100Ω。
连接到比较器反相引脚的分压器提供电池电压详细信息,每当反相引脚电压低于 3.3V 时,LED 和蜂鸣器将由比较器内部的晶体管激活。
比较器输出配置:
在为任何应用选择比较器 IC时,要考虑的重要参数是比较器的输出配置。比较器具有两种类型的输出配置,如图 3 所示,并且必须根据比较器输出配置的类型仔细配置比较器的输出负载。

图 3:比较器输出配置
对于基于集电极开路输出的配置,上拉电阻应放置在比较器的输出引脚和源之间,它为输出负载供电。它可以是比较器 Vcc 电源或其他电源。在推挽配置中,最大比较器输出电压将几乎等于比较器 Vcc,并且输出负载直接连接到比较器的输出引脚。
不同比较器和运算放大器的输出配置:
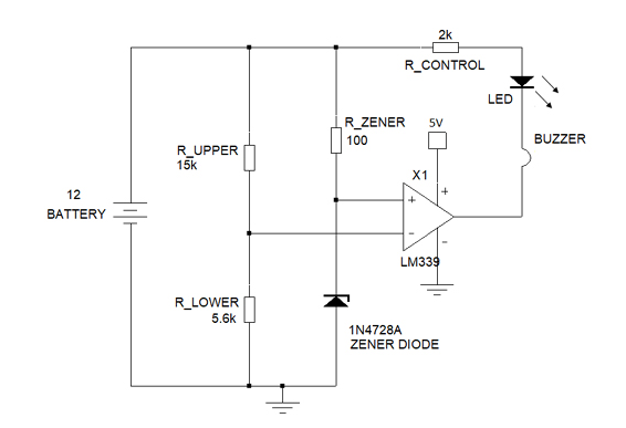
下图显示了从制造商数据表中获得的比较器的不同输出配置。根据数据表,LM339 具有集电极开路配置。因此,对于输出负载,需要一个推挽电阻和电源。

图 4:LM339 的简化原理图 – 集电极开路输出

图 5:使用 LM339 比较器的低压指示电路
使用 LM339 集电极开路输出配置的低压指示电路如图 5 所示。这里,LED 和蜂鸣器通过上拉电阻连接到比较器输出(集电极开路)端子。
根据以下计算选择用于控制通过蜂鸣器和 LED 的电流的上拉电阻。假设 LED 和蜂鸣器电压为 3V,工作电流为 3mA。LED和蜂鸣器与R_CONTROL电阻串联,串联电路中的电流相同,等于3mA。

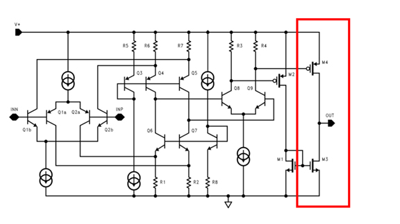
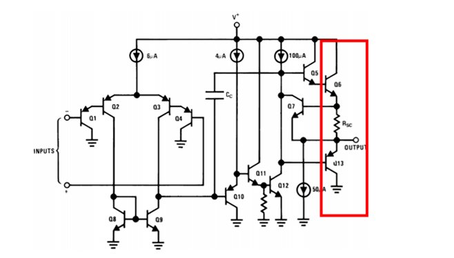
同时,图 6 所示的 LMV7239 比较器的输出配置具有推挽式输出配置。使用 LM7239,输出负载直接连接到 LM7239 的输出引脚。LM324 运算放大器内部原理图如图 7 所示,它具有推挽输出配置,所有运算放大器仅具有推挽输出配置。

图 6:LMV7239 的简化原理图——推挽输出
在直接连接到推挽配置比较器/运算放大器的输出时,应考虑两个重要点。
负载电压要求应小于或等于比较器输出电压。
负载电流要求应小于比较器输出电流规格。

图 7:LM324 的简化原理图——推挽输出
在数据表上检查推挽输出配置的重要参数
在使用基于推挽配置的比较器和运算放大器时,输出电压摆幅是定义输出负载如何与比较器或运算放大器的输出端连接的重要参数。

图 8:LMV7239 输出电压摆幅
根据图 8 所示的规格表,输出比较器的最大输出电压在 V + - 0.25 至 V + - 0.15V 之间变化(V + = Vcc = 5V)。因此,对于 5V Vcc,高轨输出电压在 4.75V 和 4.85V 之间变化。低轨输出电压在 230mV 至 450mV 之间变化。
同样,运放也有推挽输出配置,LM324运放的输出电压摆幅如下图所示。

图 9:LM324 输出电压摆幅
根据LM324 Op-Amp数据表,最大值输出电压为 Vcc-1.5 = 5 – 1.5 = 3.5V。因此,对于 5V Vcc,在任何情况下,我们都不能从运算放大器输出中获得超过 3.5V 的电压。在LM7239 比较器中,对于相同的 5V Vcc,我们得到的最大值为 4.85V。然而,如果我们在 LM339 比较器中搜索高电压输出电平,则数据将不可用,因为 LM339 的输出电压电平将取决于连接到输出晶体管的电源
为了使用 LM7239 比较器和 LM324 运算放大器实现低电压指示器,LED 和蜂鸣器分别需要 3V。因此,LED和蜂鸣器的串联需要总共6V的输出,LM7239和LM324不能同时提供。因此,LED 和蜂鸣器串联,R_Control 电阻值可以计算如下。负载并联,因此总电流要求为 6mA。

308.3Ω 和 83.3Ω 不是标准电阻值。因此,可以选择 300Ω 和 82Ω 标准值。
图 10 显示了采用推挽配置的低电压指示器电路的实现。在该电路中,输出负载电压要求低于比较器或运算放大器的输出电压电平。如果 LED 和蜂鸣器需要串联,则必须对电路进行修改,如图 11 所示,使用外部 MOSFET 或 Vcc,可以根据比较器或运算放大器的最大电压电平将其增加到更高的电压电平。

图 10:使用 LM7239 比较器的低压指示电路(负载电压/电流要求小于比较器输出电压/电流规格)

图 11:使用 LM7239 比较器的低压指示电路(负载电压/电流要求高于比较器输出电压/电流规格)
输入引脚上要考虑的参数
共模电压:
在输入引脚上应考虑的重要参数是反相和非反相引脚的共模电压。在 LM324 运算放大器中,共模电压范围如下图所示。LM339 也具有相同的共模电压电平,LM7239 可接受高达 Vcc+0.1V。根据数据表,它是 Vcc-1.5 = 5-1.5 = 3.5V。因此,在任何情况下,任何引脚的输入电压都不应超过共模电压。根据上述实现,齐纳二极管在同相端的参考电压为 3.3V,低于 3.5V 的限值。在反相端,当电池电压小于 12.9V 时,从分压器得到的电压小于 3.5V。但是,从规格上我们可以知道,电池电压在11.7V到13.5V之间变化,超过12.9V,该设计将超过共模电压限制并在电路操作中产生问题。为了缓解 LM339 和 LM324 中的这个问题,有两种可能的方法可用。
比较器或运算放大器的 Vcc 可以增加到更高的电压电平
同相引脚和分压器的参考电压可以根据共模电压电平进行修改。(此处可以相应地修改 2.7V 参考和分压器值而不是 3.3V 参考)。
可以使用具有 5.1V 共模电压范围的 LMV7239 代替 LM339 和 LM324。

图 12 :共模输入电压范围 LM324
差模电压:
使用运算放大器作为比较器时,基本决定特征是运算放大器的差分电压规格。差分电压是同相和反相引脚电压电平之间的差值。在大多数比较器中,差分电压将等于 Vcc。但是,在运算放大器中,它会因运算放大器模型而异。对于某些运算放大器,如 LM324,其差分电压电平等于 Vcc,而其他运算放大器的差分电压电平小于 Vcc。

图 13 :差模输入电压范围 LM324
在某些情况下,运算放大器在运算放大器的输入端具有双向背靠背保护二极管。在这种情况下,输入端之间的最大允许电压差仅为0.7V左右。例如,如果同相输入端的输入电压基准为 1V,那么在反相引脚,最大允许电压变化范围为 0.3V 至 1.7V。低于或高于提到的电压限制,运算放大器电路可能会出现异常并导致错误的结果。LM324 的差模电压范围如图 13 所示,允许的电压电平远高于我们的要求。

图 14:运算放大器输入端的背靠背二极管——降低差分电压规范
输出电流额定值和温度注意事项:
在推挽输出配置中,整个负载电流通过运算放大器或比较器提供。因此,电流要求应小于运算放大器或比较器的输出电流规格。此外,在这种比较器操作模式下,运算放大器可以在饱和电压条件下工作。因此,负载电流的增加也会导致运算放大器中更多的功耗,并会增加运算放大器 IC 的温度,因此需要对此部分进行严格控制。
结论
基于上述数据,在非常简单的直流电压应用中仔细考虑不同的输入和输出电压参数,用运算放大器替换比较器是一项相当容易的任务。然而,在高频应用中,更换并不容易,需要考虑运算放大器的频率响应、压摆率和传播延迟参数,在没有详细分析的情况下更换会导致设计完全失败。
下一篇:EDA上云的需求与挑战
龙腾半导体SGT MOSFET LSGT085R018在智慧农业无