时间:2022-07-19 09:00
人气:
作者:admin
产品描述:
MS9708/MS9710/MS9714 是一个 8-Bit/10-Bit/14-Bit 高速、低功耗 D/A 转换器。当采样速率达到 125MSPS 时,MS9708/MS9710/MS9714 也能提供优越的 AC 和 DC 性能。
MS9708/MS9710/MS9714 正常工作电压范围为+2.7V ~ +5.5V,功耗低能很好地适用于便携式及低耗能产品。在不影响性能的前提下,通过降低满刻度电流输出,其功耗能进一步减小至 45mW。另外,在睡眠模式下能降低功耗至约 20mW。MS9708/MS9710/MS9714 采用先进的制造工艺。一个分段电流源结构与专用的开关技术相结合以减少寄生合成和提高动态转换性能。该芯片将边缘触发输入锁存器和温度补偿能隙带集成在一起以得到一个完整的单片集成电路 DAC 解决方案。支持+3V 和+5V 。电流满刻度输出为 20mA,输出阻抗大于 100kΩ。

互补电流输出提供了单端或差动两种应用。电流输出端也可以直接分别与两个输出电阻相接来实现两个互补单端电压输出。输出电压默认范围为 1.25V。
MS9708/MS9710/MS9714 包含一个 1.2V 内部基准,和通过调节外接电阻来设置满刻度 电 流 的 基 准控 制 放 大 器 。 且 能 接 外 部 基 准 。 在 不 影响 驱 动 能 力 的 情 况 下 ,MS9708/MS9710/MS9714 输出电流能在 2mA 至 20mA 范围内调整。
MS9708/MS9710/MS9714 采用 28 引脚的 TSSOP 封装,在工业标准下正常工作。
DC 特性

动态性能说明


数字性能说明

引脚结构图


特性描述
整体非线性误差(INL)
整体非线性误差定义为实际的模拟输出与理想输出间的最大误差,理想的输出直线为零点到满刻度间的直线。
差分非线性(DNL)
用于测量小信号非线性误差。计算方法:本输入代码和其前一输入代码之间模拟量的变化减去 1 个最小有效位(LSB)大小。
单调性
模拟输出必须随着数字输入的增加而增加。
偏移误差
偏移误差是输入码为零时的模拟输出。
增益误差
增益误差定义为偏移误差已经减小到零后,满刻度理想曲线与实际曲线的差异。
输出动态范围
输出超出满刻度后会出现引起非线性误差。
温度波动
温度波动定义为 25°C 时的值与 TMIN 或者 TMAX 时的值的差别。单位是满刻度值的百万分之一/每度。
毛刺
由于开关时间的不一致输出会有毛刺。测量毛刺面积的单位是 pV-s 。
建立时间
建立时间(settling)是指输出值达到并稳定在预定值的±1/2LSB 范围或某些别的规定范围之内所需的时间。
信噪比(SNR)
信噪比(SNR)是通过给 DAC 施加一个满刻度正弦波数字代码再分析其输出波形频率特性而得到的。DAC 的输出经过滤波滤除基波分量以及所有谐波分量后剩下部分就是噪声。SNR就是基波分量与所有噪声分量之和的比值。
信号与噪声谐波比(SINAD)
信号与噪声谐波比(SNDR 或 SINAD)跟 SNR 的计算方法一样,只是谐波分量也计算在噪声内。
全谐波失真(THD)
全谐波失真(THD)和 SINAD 相似,但它只包含谐波分量不包括噪声。在这个比值计算中,基波分量是分母而不是分子。
无杂波动态范围(SFDR)
无杂波动态范围(SFDR)是指基波或载波分量与其它非基波和载波的最大杂波的频率分量(可以是谐波或失真波)的比值,单位是 dB。
功能描述
MS9708/MS9710/MS9714 包含了一个 PMOS 电流源阵列,最大可产生 20mA 的电流。电流源阵列分为相等的 31 块,由高五位控制。剩下的低三位总共控制的是一位高五位控制电流的 7/8th。将高位和低位控制的电流源分开可以保持 DAC 的高输出电阻。
MS9708/MS9710/MS9714的模拟电路和数字电路使用不同的电源供电(AVDD和DVDD),都可以在 2.7v 到 5.5v 之间的电压范围内工作。数字部分,工作在 125MSPS,包含有触发器和译码单元。模拟部分包含有 PMOS 电流源阵列,与之相连的差分开关,1.2v 带隙基准,和基准控制的放大器。
通过调节 Rset ,满刻度电流 IOUTFS 可从 2mA 调到 20mA。外部电阻 Rset 与基准控制放大器和电压基准 VREFIO 相连,产生基准电流 IREF,是 IOUTFS 的 32 倍。
DAC 传输特性
MS9708/MS9710/MS9714 有两路互补输出 IOUTA和
IOUTB,计算公式为
IOUTA=(DAC CODE/256) × IOUTFS
(1)IOUTB=(255–DAC CODE)/256× IOUTFS
(2)IOUTFS=32×IREF
(3)IREF=VREFIO /RSET
(4)两电流输出可直接连接电阻负载,IOUTA和 IOUTB上接的电阻必须匹配,电阻的另一端接地。
电阻值为 50 Ω或者 75 Ω。
VOUTA=IOUTA× RLOAD
(5)VOUTB=IOUTB× RLOAD
(6)VOUTA和 VOUTB的电压值不能超过允许的最大值,否则会引起非线性误差。
VOUTA和 VOUTB的差值为
VDIFF=(IOUTA – IOUTB) × RLOAD(7)
VDIFF = {(2 DAC CODE – 255)/256}/ × (32 RLOAD/RSET)× VREFIO
电压基准和控制放大器
MS9708/MS9710/MS9714 包含一个内部 1.2V 带隙基准源,并且可外接基准源。REFL接地时,内部基准有效,REFIO 作为输出 pin,REFLO 接电源时,外部基准有效,REFIO作为输入 pin,接入外部基准源。使用内部基准时,REFIO 上需接 0.1µF 电容。REFIO 无法驱动外部负载,如需接外部负载必须由外部运放缓冲,运放的输入电流不能超过 100nA。


将 REFLO 接 AVDD 可让内部基准无效。外部基准可通过 REFIO 加入。外部基准可增加精确度。接外部基准时, 0.1 µF 的电容可不接。REFIO 的输入电阻为 1 MΩ,可最小化外部基准的负载。
MS9708/MS9710/MS9714 包含内部控制放大器,可以控制 DAC 的满刻度电流,IOUTFS。
放大器被设置为 V-I 转换器,如下图所示。放大器的电流输出,IREF,,由 VREFIO 和外接电阻RSET的比值决定。
IOUTFS 的范围是 2mA 到 20mA,相应的 IREF 的范围是 62.5 µA 到 625 µA。这样做首先一个好处就是可以控制芯片功耗。另一个好处就是通过 20dB 的调整,可以控制系统增益。
基准控制放大器的小信号输入带宽大约是 1.8MHz,这与 COMP1 上面接的电容有关,在COMP1 上面接电容可以滤除基准放大器引起的噪音。推荐接 0.1 µF 的电容。
通过改变外围基准的值也可以改变 IREF,外围基准值的范围是 1.25 V 到 0.10 V.

模拟输出和输出设置
MS9708/MS9710/MS9714 有两个互补的电流输出,IOUTA 和 IOUTB,通过外接电阻,可以将其转为电压值,VOUTAand VOUTB,两个端口可以只用一端,不用的端口接地或者接与另一端口匹配的电阻。
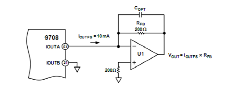
通过外接运算放大器可以将输出电压转为负值。如下图

审核编辑:汤梓红
龙腾半导体SGT MOSFET LSGT085R018在智慧农业无