时间:2022-04-21 11:10
人气:
作者:admin
有时需要在有较大共模信号的情况下测量小信号。在这类应用中,通常使用两个或三个运算放大器的集成仪表放大器。尽管仪表放大器具有出色的共模抑制比(CMRR),但价格因素,性能指标阻碍了其在此类应用中的使用。
下面就来分享构建差动放大器及其性能优化方法!
仪表放大器可能不具备用户要求的带宽、直流精度或功耗。因而,在这种情况下,用户可通过一个单放大器和外部电阻自行构建差分放大器,以替代仪表放大器。不过,除非使用匹配良好的电阻,否则这种电路的共模抑制比将很差。本应用笔记将探讨构建分立的差动放大器并优化其性能的数种方法,同时还将推荐几款可使解决方案的整体性价比能与单片仪表放大器相媲美的运算放大器产品。
一起来找“茬”(问题发现)
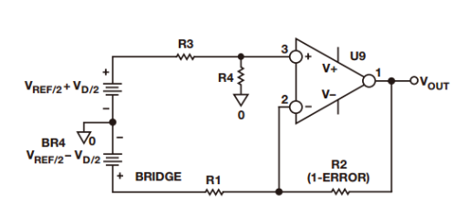
图1为采用一个典型的由单放大器构建的差动放大器,该放大器与一个传感器桥路相连。

图1
通过叠加原理可知,该电路的输出为两个输入之差的函数。图1所示电路的传递函数为:

下列情形下会出现一种特殊情况:当

等式(1)可以简化为等式(2):

输出等于两个输入之差乘以增益系数,该系数可设定为1.当电阻比匹配良好时,等式2成立。假定完美匹配电阻值 分别为:R2 = R4 = 10 kΩ,R1 = R3 = 1 kΩ,V1 = 2.5 V, V2 = 2.6 V,则有VOUT = 1 V.
如上所述,图1所示电路的缺点之一在于其共模抑制比较低,这是因电阻匹配误差所致。出于讨论方便和清晰考虑,我们重新画出该电路图,如图2所示。

图2
电阻R2的公差引起的误差为R2 (1 – error)。通过叠加原理,同时使R1 = R3,R2 = R4,在计算并进行排列之后,输出电压(VOUT)为:

根据等式3,共模增益(Acm)和差分增益(Adm)可定义为:

从等式4可见,当电阻值不存在误差(即error = 0)时,则 Acm = 0,放大器仅对差分电压作出响应,则为:

因此,当电阻比率误差为零(error = 0)时,电路的共模抑制比将在很大程度上取决于所选放大器的共模抑制比。当电阻比率误差不为零时,如图2所示,电路共模抑制比可表示为:

当R2误差极小时,以上等式中的第二项可忽略不计且:

对于R2 = R4 = 10 kΩ,R1 = R3 = 10 kΩ且error = 1%的单位增益分立差动放大器,其共模抑制比约为46 dB。这比单片差动放大器(AMP03)的性能差得多,后者的共模抑制比如图3所示。

图3. AMP03(单片差动放大器)共模抑制比与频率的关系
如上所示,因电阻不匹配导致的误差可能构成分立差动放大器的一大不足。但通过一些方法是可以优化这种电路的。
好办法助你解决问题
➤ a.在等式3中,差分增益与(R2/R1)之比成正比。因此,优化以上电路性能的一种方法就是尽可能将该放大器置于一种高增益配置中(在高增益设置中使用大电阻会引发噪声问题,同样需要解决)。
通过选择阻值更大的R2和R4(R2 = R4),以及阻值更小的R1和R3(R1 = R3),可获得的更高的增益,这样共模抑制比越佳。举例来说,当R2 = R4 = 10 kΩ、R1 = R3 = 1 kΩ且error = 0.1%时,则共模抑制比将得到改善,优于80 dB。对高增益配置,请选择IB极低、增益极高的放大器(如ADI公司出品的AD8551系列放大器),以降低增益误差。电路的增益误差和线性度是放大器性能的函数。

图4a. AD8605的共模抑制比(其中G = 1)

图4b.AD8605的共模抑制比(其中G = 10)
➤ b.选择公差更小和精度更高的电阻。电阻越匹配,共模抑制比越佳。例如,如果以上电路需要90 dB的共模抑制比,则电阻匹配公差应在0.02左右。这种情况下,电路的共模抑制比将不亚于某些高精度仪表放大器,只是它们的交流和直流特性更好。

图5a. OP1177的共模抑制比(其中G = 1)

图5b. OP1177的共模抑制比(其中G=10)
➤ c. 改善图1所示电路共模抑制比的另一种方法是使用机械微调电位计,如图6所示。

图6
借助这种方法,用户可使用公差较低的电阻,但需要定期进行调整。
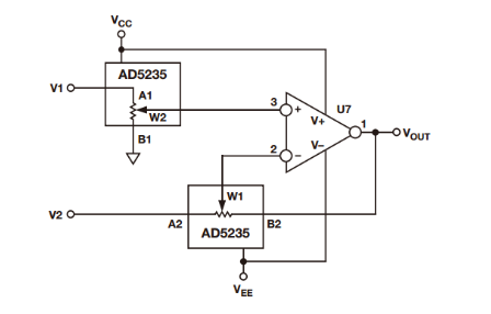
➤ d. 作为对精度要求不高的电路的替代途径,可使用数字电位计,如图7所示。AD5235(一种非易失性存储器、双路 1024 位数字电位计)配合AD8628构成一种差动放大器,其增益为15(G = 15)。
通过使用电位计,能获得编程能力,可一步完成增益设置和微调。这种电路的另一优势在于,双电阻(AD5235)的温度系数为50 ppm,使电阻比率匹配更为方便。根据电路所需精度和公差,也可选择其它数字电位计。

图7

图8. 图7所示电路的共模抑制比与频率
➤ e. 使用双路或四路放大器构建共模抑制比更佳、高输入阻抗的仪表放大器。这是一种成本更高的解决方案,也是单片仪表放大器所用方法。应根据实际需要选择相应的放大器,比如更出色的BW、ISY和VOS,此类需求可能是仪表放大器所不能满足的。
自稳零放大器,如AD8628和AD855x系列是此类应用的最佳选择。这类放大器具有极高的直流精度,不会给输出增加任何误差。自稳零放大器具有长期稳定性,无需像某些系统那样反复进行校准。自稳零放大器的最低共模抑制比为 140 dB,因而在多数电路中,电阻匹配将成为限制因素。因此,用户最好根据上述指南来构建差动放大器并优化其性能。
审核编辑:彭菁上一篇:射频放大器及其应用
龙腾半导体SGT MOSFET LSGT085R018在智慧农业无