时间:2022-06-10 15:31
人气:
作者:admin
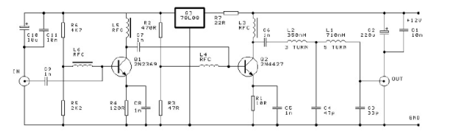
这是一个250mW射频功率放大电路项目。该电路设计用于将大约7mW宽带FM发射机的输出放大到大约250mW的最终电平。通用12V直流电源可用于操作此射频放大器电路。
原理图,示意图:

组件列表:

该电子电路是一个简单的2晶体管VHF功率放大器,增益约为16dB,无需调谐或校准程序。设计中使用了宽带技术,电路配备了“低通”滤波器,以确保良好的输出频谱纯度。该项目设计用于在单面印刷电路板上进行组装。该电路专门设计用于将7mW至10mWWBFM发射器(宽带)的输出放大至滤波器后250mW至300mW的最终电平。
龙腾半导体SGT MOSFET LSGT085R018在智慧农业无