时间:2022-06-24 14:33
人气:
作者:admin
什么是电路放大倍数,什么是增益?要说清这个问题,先得从基本概念入手。
1.指数和对数的关系。
指数函数f(x)=ax,表示有x个a相乘,当有5个a相乘时,f(5)=a×a×a×a×a=a5,(自)变量是指数。而g(x)=xa,就不是指数函数,它是幂函数,它的指数是常量而不是变量。
一个指数函数,y=f(x)=ax,如果常数a是已知量,变量f(x)的值也已知,求指数是多少,如果需要书写下来,就需要再定义一种函数,称为对数函数,指数函数和对数函数互为逆运算。化做x=logay,为了将对数函数统一成函数通常的书写样式,得:

求对数函数的值,上式可以理解为,5的几次方等于25?
这里,a被称为对数的底,底数。
数学规定:以10为底的对数函数称为常用对数,并需要将log10x简写为lgx,以自然数e为底的对数函数称为自然对数,需要写作lnx。

2.放大电路的放大倍数和增益的规定

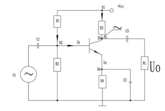
图1 一个放大电路
以图1所示比喻。
如电压的放大倍数,为输出电压Uo与输入电压Ui的比值,Uo/Ui,这是对放大倍数的规定。
同理,电流放大倍数为输出电流(流过RL的电流)和流过C1的电流大小的比值。
功率也是输出功率和输入功率的比值。
可能,我仅仅是说可能,放大倍数会很大,写起来要写一长串数字,且看起来不那么高大上,逼格也不够高,倍数?什么倍数?我小学没念完就会,有什么高深的?于是,有聪明的懒癌患者或者好事者,想到了另一种表示法,对放大倍数取常用对数,并捣鼓出另一个概念:增益。
看到这两个字,我先是想起来高中时候背诵孟夫子的话:“故天将降大任于斯人也,必先……所以动心忍性,增益其所不能。”不过这段话,并不能指导我推导出所需的公式。
取常用对数的过程,如下。
若输出输入的功率之比为Po/Pi=np,(o=out,i=in)则对n(p)取常用对数,即
增益x=lgn(p)bel (此文中n(x)是指x输出输入量的比率,因为不想用角码套角码的方式书写,不想编辑公式,公式在网页里往往以图片的方式显示),bel(贝尔)是一个单位,但贝尔这个单位有点大,导致数值看起来小的有点过头,于是,增益一般用分贝尔(简称分贝,写作dB)来表示,此处的分即是“分、厘、毫”中的“分”,以10倍为换算(这道理和物理学家们在定义电量库仑、电容法拉时有点像,一不小心整出的单位太大,于是只好取豪、微、皮等作常用单位量)。
那么增益要写成:

3 贝尔和分贝的数学意义
什么是贝尔,这是一个值得讨论的问题。
从以上的描述中,可以得知,它表示了对某个数(例如比率)取常用对数后是几。化为逆运算后,它表示了几个10相乘能等于某个数(例如比率)。贝尔不是底数的倍数,而是指数函数中指数1的倍数。
对电功率,如果放大倍数是100,则增益为2贝尔,即20分贝。
对电压或者电流,如果放大倍数是100,则增益为4贝尔,即40分贝。
那么,贝尔和分贝用以表征对数函数的一些量,如地震等级和声压强弱,就可以理解其大小的意义了。
龙腾半导体SGT MOSFET LSGT085R018在智慧农业无