时间:2022-06-25 17:59
人气:
作者:admin
说明
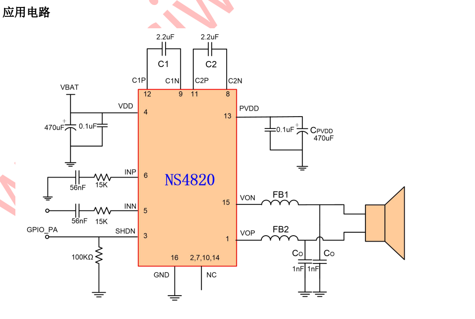
NS4820 是一款带有自动增益控制(AGC)功能、内置高效电荷泵升压电源的免滤波器 G 类音频功率放大器。芯片持续地检测输出功率并相应调整内部增益,以避免扬声器长时间的过载。
内部集成的电荷泵可以为功放的输出级产生5.9V 的供电电压。在 4Ω负载和锂电池 4.2V 供电条件下,可以持续输出 3W 的恒定功率(THD+N=1%)。NS4820 最高效率高达 76%,极大延长了播放音乐时电池的续航时间。
特性
输出功率:
防破音模式 3.0W
不防破音模式 3.5W
内置电荷泵电源系统
最大输出功率 PO=3.5W
(RL=4Ω, VDD=4.2V, THD+N=10%)
低 THD+N=0.022%
(f=1kHz, RL=4Ω, PO=0.5W, VDD=3.8V)
内置热保护和 VDD 欠压保护功能
内置 Pop 和 Click 噪声抑制
高抗射频干扰能力
一线脉冲控制
ESOP16 封装
应用范围
智能音响
便携媒体播放器


龙腾半导体SGT MOSFET LSGT085R018在智慧农业无