时间:2021-01-29 16:13
人气:
作者:admin
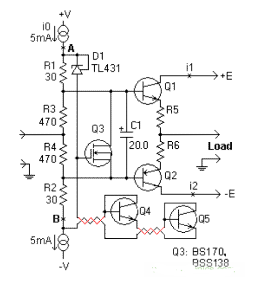
广泛应用的AB类放大器push-pull电路如图1,但是现在有了一些改进。首先,我们来看看它的热补偿是如何工作的。Q1和Q2表示输出晶体管的捷径,因为通常这些输出器件是达林顿或互补对。Q1和Q2的偏置电压与齐纳(D1)电压和Q4和Q5晶体管的Vbe压降相加,后者与温度有关。通常Q4和Q5与晶体管Q1和Q2位于同一散热片上。

图1 AB类放大器电路有一些改进
首先,我们来看看它的热补偿是如何工作的。Q1和Q2表示输出晶体管的捷径,因为通常这些输出器件是达林顿或互补对。Q1和Q2的偏置电压与齐纳(D1)电压和Q4和Q5晶体管的Vbe压降相加,后者与温度有关。通常Q4和Q5与晶体管Q1和Q2位于同一散热片上。
通常Vbe(在我们的上下文中是Uk)的值约为0.8V(如果使用达林顿配置,则为1.8-2.5V)。
通过晶体管Q1和Q2的静态电流为:
i1 = i2 = ((Vz +n*U4)*R3 / (2*(R1+R3)) – U1) / R5
其中n是补偿链中晶体管的数量(图1中的2个晶体管Q4和Q5)和Uk,其中k=1,2,3,4是晶体管Qk的Vbe。
设 K = R1/R3, 则:
i1 = i2 = ((Vz +n*U4) / (2*(K+1)) – U1) / R5
取导数:
di1/dT = ( n / (2*(K+1)) * dU4/dT – dU1/dT) / R5
其中导数dUk/dT表示晶体管Qk的Vbe的热依赖性,k=1,2,3,4。
因此,例如,如果晶体管U1和U4的热依赖性接近,则最佳条件如下:
K=n/2–1,这明显是或多或少的,但我们必须得出它。
通过串联更多的晶体管可以增加补偿:使用两个串联的晶体管Q4和Q5,而不是只使用一个。所以电压变化可以加倍。当晶体管Q1和Q2不共用一个散热器时,这也会有所帮助。然后,将Q4(Q5)与Q1(Q2)放置在同一个散热器上以控制温度。
在这种设计中,齐纳二极管比电阻的优点是热反馈的衰减更低,因此可以实现更精确的补偿。TL431优于普通齐纳二极管,因为TL431具有更低的动态电阻和更低的工作电流。
所有这些类型的热补偿都有相同的缺点:由于热传感器(在我们的例子中是Q4、Q5)需要放置在输出晶体管的散热器上(即远程放置,而不是放置在公共PCB上),一些连接布线(带或不带插座)几乎是不可避免的(注意图1中Q4和Q5的布线)。
如果热传感器的链(在我们的例子中,该链是D1、Q4、Q5)由于插座中的接触不良或仅仅是导线中的断裂而断裂,这将不可避免地在晶体管Q1和Q2中产生大而不可控的通电。这些晶体管会被电流破坏,相应的热失控也会发生。
高质量互补功率晶体管Q4/Q5,可能相当昂贵,但濒危负载可能更昂贵!
此外,这种电路可以包括一个电位器来调节静态电流,这使得这种电路容易受到电位器质量的影响。应该采取措施防止这种灾难。
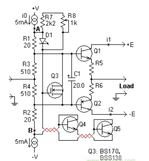
图2中的电路可以解决所有这些问题。它保护昂贵的输出晶体管和负载不受大的不可控电流的影响。

图2该电路保护昂贵的输出晶体管和负载免受不可控的大电流影响。
以下是保护工作原理:晶体管Q3控制链D1、Q4、Q5的完整性。如果该链是开放的,Q3的栅极上的电压就会升高,从而使Q1和Q2的基极偏置几乎为零。如果完整性被破坏,这确保了非常低的静态电流i1和i2。
为了计算元件,让我们考虑Q3的最大栅极阈值电压,该FET为开(关);我们将该值指定为Vgso:
Vgso=0.8V(适用于BS170和BSS138)
在正常工作期间,当链D1、Q4、Q5没有断开时,晶体管Q3断开(关闭),点A和点B之间的电压由链D1、Q4、Q5决定:
Vab=Vz+n*U4,其中,如上所述,U4代表Q4的Vbe。
如果出现以下情况,则为真:
i0 * (R1+ R2 + R3 + R4) > Vz + n * U4
通过R1、R2、R3、R4的电流为:
i14 = Vab / (R1+ R2 + R3 + R4)
假设我们确实知道电流i0,它的值不仅可以由上面的不等式决定,而且还可以知道输出功率、输出晶体管Q1/Q2的增益、频率范围和电路的寄生电容。
现在,差值i0–i14不应小于齐纳二极管的最小容许电流:
i0–i14>=Izmin(该值可在数据表中找到,对于TL431为1 mA)
那么,对于R2:
R2 <= (n * U4 – Vgso / 2) / (i0 – Izmin)
为了确保晶体管是开(关)的,我们只取一半Vgso:
i14*R2+Vgso/2<=n*U4 R3(R4)的值以及热反馈链(Q4、Q5、D1)应为Q1(Q2)提供必要的偏差:R3=R4>=(U1+i1*R5)/i14
现在让我们研究当链D1,Q4,Q5断裂时会发生什么。
当Q3关闭(on)时,我们指定Vgsc为Vgs的最小值。
那么,我们对Vz来说:
i0 * (R1 + R3 + R4) – Vz > Vgsc
所以我们对Vz有:
Vz < min((i0 * (R1 + R3 + R4) – Vgsc), (i0 * (R1+ R2 + R3 + R4) – n * U4 ))
图2中的电路使用绿色LED代替齐纳二极管。这种电路的优点是:
1.LED指示链D1、Q4、Q5的完整性。
2.通过LED的电流可能远小于通过齐纳或TL431的电流。
这里使用绿色LED是因为它具有最合适的压降(约2.2V)。注:下降取决于制造技术,某些类型的绿色LED可能超过3V,因此请注意。
在R7、R8链的帮助下,我们可以控制通过电流i1(i2)。该链也将有助于一个坏的LED的情况下,限制a和B之间的电压和通过电流i1(i2)。
电容器C1确保在电路通电期间通过晶体管Q1和Q2的静态电流为零。它还消除了基于Q1和Q2的交流差异,消除了可能的失真源。
注:电阻对R1和R2、R3和R4具有相同的值。这种对称性降低了输出级的总谐波失真(THD)。
编辑:hfy
龙腾半导体SGT MOSFET LSGT085R018在智慧农业无