时间:2020-12-28 11:26
人气:
作者:admin
相位裕度与增益裕度都是用于评估放大器的稳定性的参数。其中,相位裕度使用更为普遍。本篇将介绍使用相位裕度分析放大器稳定性的方法。
1 相位裕度与增益裕度定义
如图2.109(b),相位裕度(Phase margin,φm)定义为在放大器开环增益与频率曲线中,180°的相移与开环增益下降为1(单位增益)处的相移之差的绝对值,如式2-68:

如图2.109(a),增益裕度(Am)定义为放大器开环增益与频率曲线中,180°的相移处的增益与放大器开环增益下降为1处的增益之差的绝对值。

图2.109 相位裕度与增益裕度
通常相位裕度、增益裕度越大,放大器越稳定。但是放大器稳定不是电路的唯一要求,尤其在高速放大电路中还需要考虑系统响应速度进行折中评估,如表2.9。

表2.9 相位裕度与增益裕度及阶跃响应
2相位裕度与放大器电路稳定性分析
从电路方面进行分析,输出信号通过反馈网络β回到反相输入端。如果输出信号由于外部配置电路,产生相位延迟180°时,与原来的输入信号同相位、进行电压叠加增大差分输入信号引发振荡。
如下通过两个示例电路,使用相位裕度分析放大电路是否稳定。
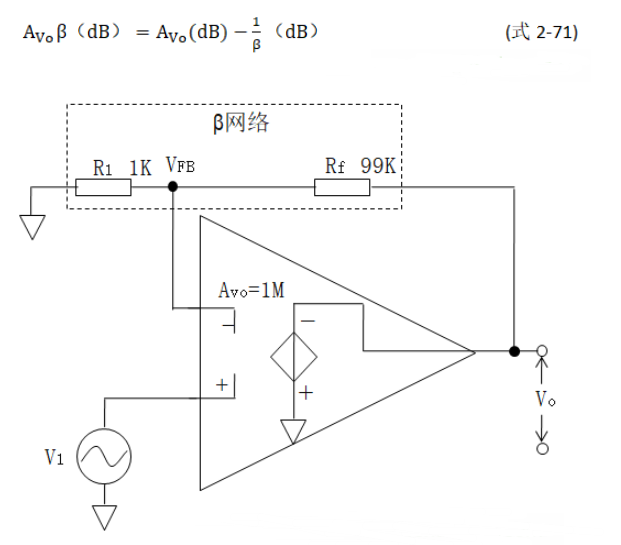
示例一如图2.112,同相放大电路的开环增益为120dB,闭环增益1/β为常数100倍(40dB)。开环增益、闭环增益与频率曲线如图2.113(a),关系满足式2-70。

整理环路增益函数为式2-71。

图2.112示例一同相放大电路
环路增益Avoβ的幅度与频率曲线如图2.113(b),以dB为单位的开环增益与闭环增益之差。放大器主极点fp前后20倍频范围产生90°的相移,如图2.113(c)。而在环路增益Avoβ为0的频率点fc处相移为90°,相位裕度为90°电路是稳定。

图2.113示例一电路环路增益的相位分析
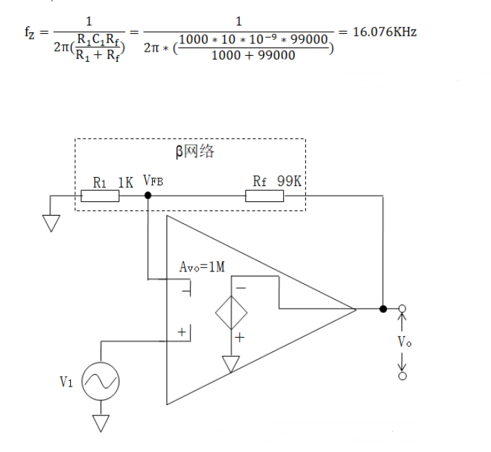
示例二如图2.114,在示例一电路基础上增加电容C1(10nf)与R1并联,电容C1与电阻R1在1/β曲线产生的零点的频率为:

图2.114示例二同相放大电路
如图2.115(a),开环增益保持不变,在低频率范围内C1为断路,闭环增益的幅值是40dB。当频率高于16.076KHz时,电阻R1,电容C1并联的阻抗降低,闭环增益以+20dB/十倍频变化,在fc处开环增益与闭环增益相交。开环增益的相频特性曲线,在极点十倍频率以后相移为90°,如图2.115(b)。电路闭环增益的相频特性曲线,在零点前后20倍频率范围,相位以+45°/十倍频变化,在fc频率处相移接近90°,如图2.115(c)。开环增益相频曲线与闭环增益相频曲线之差为环路增益的相频曲线,如图2.109(d)。在fc处其相移接近180°,相位裕度不足,电路不稳定。

图2.115示例二电路环路增益的相位分析
3相位裕度与放大器电路稳定性仿真
分析图2.116(a)放大器电路稳定性,需要通过 AVO、1/β波特图,得到AVoβ的相位裕度进行判断。其中开环增益的分析需要断开输出反馈回路,并在反馈的断开处接入一个激励信号VIN,如图2.116(b)。放大器输出节点电压为VOUT,放大器反相电压输入端为VFB。其中开环增益Avo如式2-72,与反馈系数β如式2-73。

将式2-72、式2-73代入式2-71,得到环路增益曲线为式2-74。

图2.116AVo、1/β、AVoβ波特图仿真分析电路
但是在仿真中断开放大器的反馈网络,将造成放大器的工作异常。可行的仿真电路如图2.117,使用电感L1(10MH)连接到放大器输出OUT节点与IN节点,激励信号通过电容C1(10MF)连接在IN节点。由此,在直流路径中,L1视为短路,为放大器提供反馈回路,C1视为断路;在交流路径中,L1视为断路,C1视为短路引入激励信号实现测试。

图2.117示例一AVo、1/β、AVoβ波特图仿真测试电路
示例一电路波特图AC分析结果如图2.118,开环增益AVO(V(out)/V(fb))幅频曲线在直流、低频率范围为134.6dB,低频极点位于34.11Hz,超过低频极点开环增益以-20dB/十倍频率变化。开环增益AVO(V(out)/V(fb))相频曲线的初始相位是180°,频率超过低频极点十倍频以后,其相位变为90°。闭环网络为纯阻性网络,闭环增益曲线1/β(V(in)/V(fb))保持为40dB,相位是0°。开环增益AVO曲线与闭环增益曲线1/β相较于1.767MHz。

图2.118 示例一AVo、1/β、AVoβ波特图AC分析结果
环路增益AVOβ相频特性曲线中初始相位是180°,在1.767MHz处的相位是83.11°,产生的相移为96.89°,相位裕度为83.11°,电路保持稳定。
对示例一进行瞬态分析,电路如图2.119。使用交流激励源Vin是峰峰值为2mV,频率为50KHz的方波信号,通过交流耦合进入放大器同相输入端。

图2.119 示例一瞬态分析电路
示例一电路瞬态分析结果如图2.120,电路输出稳定,信号峰峰值为200mV,频率为50KHz的方波信号。

图2.120 示例一电路瞬态分析结果
如图2.121,使用ADA4807-1实现示例二电路。使用电感L1连接到放大器的输出OUT节点与IN节点,激励信号通过电容C1连接到IN节点。由此,在直流路径中,L1视为短路为放大器提供反馈路径,C1、C2断路。在交流路径中,L1断路,C1短路引入激励信号,C2短路,改变电路的增益与相位。

图2.121 示例二AVo、1/β、AVoβ波特图仿真测试电路
示例二电路波特图AC分析结果,如图2.122。开环增益的波特图与图2.118示例一情况相同。闭环增益1/β(V(in)/V(fb))的幅频曲线,在低频率范围内保持为40dB,频率上升到零点频率16.37KHz时增益为42.9dB,高于零点频率后幅频特性以+20dB/十倍频变化,并与开环增益幅频曲线相交于60.8dB处 (170.1KHz)。闭环增益曲线1/β(V(in)/V(fb))的相频特性曲线,初始相位为 0°,超过零点后以相位+45°/十倍频变化,频率为170.1KHz的相位接近90°。

图2.122 示例二AVo、1/β、AVoβ波特图AC分析结果
环路增益AVOβ相频特性曲线初始为180°,低频极点(34.11Hz)处相位是134.8°,16.37KHz处的相位是45.1°。在AVOβ为0(170.1KHz)处的相位是4.44°,相比初始相位移动175.46°,相位裕度为4.44°,放大器工作不稳定。
对示例二电路进行瞬态分析,如图2.123。增加交流激励源Vin是峰峰值为2mV,频率为50KHz的方波信号,通过交流耦合进入放大器。

图2.123 示例二瞬态分析电路
示例二电路瞬态分析结果,如图2.124。电路输入波信号是,输出存在严重振荡。

图2.124 示例二瞬态分析结果
综上,判断电路稳定的方式,是在AVOβ在0dB时,电路的相位裕度对应表2-9是否留有合理的余量。并且由式2-71可见,AVOβ曲线的极点会受到AVO曲线中极点,与1/β曲线中零点影响。

表2.9 相位裕度与增益裕度及阶跃响应
编辑:hfy
龙腾半导体SGT MOSFET LSGT085R018在智慧农业无