时间:2021-01-03 09:27
人气:
作者:admin
对于精密电子,放大电路必须满足设计指标中的 要求。设计这些放大器时所面临的一个问题是:流入放大器输入端的电流所产生的电压失调。本文中,我们首先分析了产生失调的原因,并基于集成电阻网络给出了相应的解决方案。
问题分析
在试图解决问题前,我们需要先了解问题的起因。因此,我们首先考虑一个理想运算放大器的简化电路(图 1)。

图 1. 理想运算放大器简化电路
很多一年级学生都非常熟悉该电路的分析(假设放大器输入电流为零):

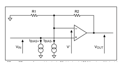
引入有限的输入阻抗可以使分析结果更接近实际情况,此时运算放大器将存在一定的输入偏置电流。我们在理想运算放大器的每个输入端增加一个电流源来模拟这一效应(图 2)。
图 2. 图 1 理想运算放大器的电流源模型,模拟输入偏置电流。
为了分析每个电流源的影响,假设 VIN = 0V。假设 VIN 阻抗小于公式中的其它阻抗,IBIAS+将旁路到地,不会产生任何影响。由于 VIN = 0V,V- 也等于 0V。此外,由于 R1 两端电位相同,为 0V 电位,分析中可忽略。这样,我们很容易得到由于输入偏置电流(IBIAS-)和反馈电阻(R2)所产生的输出失调(VOUT):
解决问题
为了改进电路我们增加一个电阻(图 3 中的 R3),需要验证这一外加电阻的影响,该电阻会在同相端输入引入一个负的偏压:IBIAS+ × R3。由此可以通过调节 R3 消除偏置电流对反相端输入的影响。当然,合理的选择是将同相端与反相端输入的偏置电流调整到近似相等。

图 3. 图 2 电路中加入补偿电阻(R3),抵消输入偏置电流的影响。
时,注意到我们在电路中叠加了一个电压,可以很容易得到 VOUT,即,输出电压等于同相端电压乘以电压增益,加上由于反相端输入漏电流产生的失调。因为 VIN = 0,同相端作用的任何电压都是该端和 R3 的漏电流:
如果 R3 等于 R1 和 R2 并联,将抵消输入偏置电流所产生的电压。对于经常采用这一技术的精密应用,应按照以下原则选择电阻:
比值必须具有较高 ,以设置高 增益。
与 R1 和 R2 并联电阻需 保持相等,以补偿输入偏置电流引入的误差。
这些电阻应保持相同的温度特性。

图 3 中的精密运算放大器可以采用集成或分立电阻。
VIN = 0时,注意到我们在电路中叠加了一个电压,可以很容易得到VOUT,即,输出电压等于同相端电压乘以电压增益,加上由于反相端输入漏电流产生的失调。因为VIN = 0,同相端作用的任何电压都是该端和R3的漏电流:

如果R3等于R1和R2并联,将抵消输入偏置电流所产生的电压。对于经常采用这一技术的精密应用,应按照以下原则选择电阻:
R2/R1比值必须具有较高精度,以设置高精度增益。
R3与R1和R2并联电阻需精确保持相等,以补偿输入偏置电流引入的误差。
这些电阻应保持相同的温度特性。
集成电阻
MAX5421 (作为一个例子)内置15kΩ电阻,采用+5V或-5V供电;类似器件MAX5431内置57kΩ电阻,采用+15V或-15V供电。这些器件不仅包括精密的集成电阻,还可以在不同电阻间切换。利用电阻设置运算放大器的增益时,可以将增益设置在1、2、4和8之间。
器件的数据资料显示它们在电阻比为2、4、8的电阻对节点具有恒定电阻。电阻比为1时,节点仅等效为一个低阻。因此,所有比例下匹配电阻应等于抽头电阻(表1)。
表1. MAX5421/MAX5431分压器匹配电阻设置

电阻容差如表2所示。
表2. MAX5421/MAX5431分压电阻容差

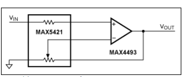
需注意这些容差是在整个-40°C至+85°C工作温度范围能够保证的最大值,从而保证了高精度增益容限。图4给出了典型的集成电阻设计(一个精密放大器)。

图4. 该精密放大器由精密电阻(MAX5421 IC)和通用的满摆幅运算放大器(MAX4493)组成。
MAX5421或MAX5431集成电阻芯片的主要技术优势在于电阻之间的匹配度和一致的温度特性。通过在增益设置电阻之间进行电子切换可以选择所要求的系统增益。
集成电阻的绝对阻值具有较大的误差,但在这些电路中不会造成任何影响,因为增益值取决于电阻比的精度,可以保证在±0.025%以内。如果使用外部电阻进行匹配,则很难得到适当的阻值,集成电阻则很容易达到匹配。集成电阻可以由工厂调整,保证增益设置电阻具有一致的温度特性。R1和R2的误差还会影响R3,R3应该与R1和R2的并联阻值保持相同。
如果系统中不需要R3,利用数字编程的精密电阻分压器MAX5420和MAX5430可以降低系统成本。这些器件具有与MAX5421和MAX5431相同的性能,但不包含匹配电阻。对于固定增益应用,可以采用MAX5490、MAX5491和MAX5492电阻分压器,该系列器件只包括一路固定增益电阻对,不含匹配电阻。
分立电阻方案
我们现在转向用分立元件设置增益的方案,并对该方案进行分析。分立电阻对不仅需要具有±0.025%的比例容差,还必须在整个温度范围内将变化率保持在容限以内。实际上,这意味着每个电阻必须具有0.0125%的容差。电阻的数据资料通常给出了初始容差和温度系数。由此我们可以计算出在整个温度范围内的最大容差。下面给出的例子基于具有低温度系数的超高精度分立电阻:
初始容差:0.005%
温度系数:2ppm
工作温度范围:-40°C至+85°C
因此,在整个工作范围内电阻容差为:

为了达到与采用集成电阻的运算放大器方案相同的增益精度,必须使用上述超高精度电阻。虽然可以得到这样的分立电阻,但成本非常昂贵,每个电阻的价格在几个美元左右。即使降低对输入失调匹配的要求,为了达到与集成电阻方案接近的性能,分立元件的成本也很难接受。一对电阻的成本要远远高于MAX542x或MAX543x (示例器件),这些器件集成了四种增益设置所需的全部电阻,另外还包括匹配电阻和切换增益设置所需的全部开关和逻辑电路。
结论
我们分析了由于输入偏置电流所造成的电压失调误差。经过对分立和集成电阻两种方案的比较,可以看出,采用集成电阻能够获得优于昂贵的分立方案的性能。
编辑:hfy
龙腾半导体SGT MOSFET LSGT085R018在智慧农业无