时间:2021-01-12 12:02
人气:
作者:admin
来源:Antoniu Miclaus 和 Doug Mercer
在《模拟对话》2017年12月文章中介绍SMUADALM1000之后,我们希望进行一些小的基本测量,这是ADALM1000系列的第三部分。本实验活动的目的是通过获得给定电路的戴维宁等效电压(VTH)和戴维宁等效电阻(RTH)来验证戴维宁定理,然后验证最大功率传输定理。

图1. ADALM1000原理图。
现在我们开始下一个实验。
目标
本实验活动的目的是通过获得给定电路的戴维宁等效电压(VTH)和戴维宁等效电阻(RTH)来验证戴维宁定理,然后验证最大功率传输定理。
背景知识
利用戴维宁定理可以将一个复杂电路简化为由一个电压源(VTH)与一个电阻(RTH)和负载电阻(RL)串联组成的等效电路。创建戴维宁等效电路之后,很容易确定负载电压VL或负载电流IL。
戴维宁定理的主要用途之一是用一个简单的等效电路替换一个电路的很大一部分,通常是较复杂且意义不大的部分。相比于更复杂的原始电路,利用新的更简单电路可以快速计算出输送给负载的电压、电流和功率。该定理还有助于选择负载(电阻)的最佳值以实现最大功率传输。

图2. 图1的戴维宁等效电路。
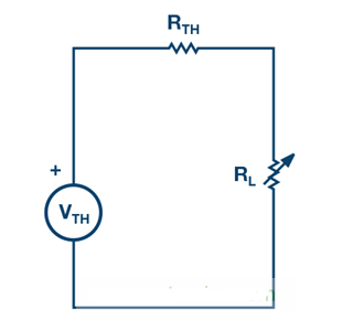
最大功率传输定理是指,一个独立电压源与一个电阻RS串联,或一个独立电流源与一个电阻RS并联,当负载电阻RL= RS时,输送给RL的功率最大。
就戴维宁等效电路而言,当负载电阻RL等于电路的戴维宁等效电阻RTH时,输送给RL的功率最大。

图3. 最大功率传输。
材料
● ADALM1000 硬件模块
● 各种电阻(100 Ω、330 Ω、470 Ω、1 kΩ 和1.5 kΩ)
程序
1. 验证戴维宁定理:
a. 利用下列元件值构建图2 所示电路:
● R1= 330 Ω
● R2= 470 Ω
● R3= 470 Ω
● R4= 330 Ω
● R5= 1 kΩ
● RL= 1.5 kΩ
● RS= 5 V
b. 使用ALM1000 电压表工具精确测量负载电阻两端的电压VL。使用电压表工具,将通道CA 连接到VL的正端,将通道CB连接到负端。VL将是CA 电压与CB 电压之差。该值稍后将与您使用戴维宁等效电路得出的值进行比较。
c. 测出VTH:移除负载电阻RL,测量端子上的开路电压VOC。使用电压表工具,将通道CA 连接到VOC的正端,将通道CB 连接到负端。VOC将是CA 电压与CB 电压之差。它等于VTH。参见图4。

图4. 测量戴维宁电压。
d. 测出RTH:移除电源电压VS并构建图5 所示电路。使用ALM1000 欧姆表工具测量原先RL所在开口处的电阻。这就是RTH。使用欧姆表进行测量之前,确保没有电源施加到电路上,并且接地连接已按照图示移动。

图5. 测量戴维宁电阻RTH。
e. 获得VTH和RTH之后,构建图2 所示电路。利用零件箱中电阻的串联和/ 或并联组合得到RTH的值。使用仪表源工具,连接通道CA 以提供VTH源,并将该值设置为步骤c 中测量的VTH值。

图6. 戴维宁等效结构。
f. RL设置为步骤b 中使用的1.5kΩ,测量等效电路的VL,并将其与步骤b 中获得的VL进行比较,由此验证戴维宁定理。
g. 可选步骤:设置RL= 2.2kΩ,重复步骤1b 至步骤1f。
2. 验证最大功率传输定理:
利用下列值构建图7 所示电路:
● VS= 5 V
● R1= R2 = 470 Ω
● R3= 1 kΩ
● RL= 1 kΩ 和100 Ω 电阻的组合(图8)

图7. 验证最大功率定理的电路。
b. 使用电压表工具,将通道CA 连接到VL的正端,将通道CB连接到RL的负端。VL将是CA 电压与CB 电压之差。
c. 为找到传输最大功率的RL值,构建1 kΩ 和100 Ω 的串/ 并联组合,以100 Ω 步进将负载电阻RL从500 Ω 改变到1400 Ω,如图8 所示。对于每个RL值,记下VL。

图8. RL配置。
d. 使用PL = VL²/RL计算每个负载电阻值对应的功率。然后在测量结果之间进行插值,以计算对应于最大功率(PL-max) 的负载电阻值。该值应等于图7 中电路的RTH(相对于负载端子)。
问题
1. 对图2 电路使用分压,计算VL。将其与测量值进行比较。解释为何存在差异。
2. 计算传输到图3 电路所获得的负载RL的最大功率。
您可以在学子专区博客上找到问题答案。
注释
与所有ALM实验室一样,当涉及与ALM1000连接器的连接和配置硬件时,我们使用以下术语。绿色阴影矩形表示与ADALM1000模拟I/O连接器的连接。模拟I/O通道引脚被称为CA和CB。当配置为驱动电压/测量电流时,添加-V,例如CA-V;当配置为驱动电流/测量电压时,添加-I,例如CA-I。当通道配置为高阻态模式以仅测量电压时,添加-H,例如CA-H。
示波器迹线同样按照通道和电压/电流来指称,例如:CA-V和CB-V指电压波形,CA-I和CB-I指电流波形。
对于本文示例,我们使用的是ALICE 1.1版软件。
文件:alice-desktop-1.1-setup.zip。请点击此处下载。
ALICE桌面软件提供如下功能:
● 双通道示波器,用于时域显示和电压/ 电流波形分析。
● 双通道任意波形发生器(AWG) 控制。
● X 和Y 显示,用于绘制捕捉的电压/ 电流与电压/ 电流数据,以及电压波形直方图。
● 双通道频谱分析仪,用于频域显示和电压波形分析。
● 波特图绘图仪和内置扫描发生器的网络分析仪。
● 阻抗分析仪,用于分析复杂RLC 网络,以及用作RLC 仪和矢量电压表。
● 一个直流欧姆表相对于已知外部电阻或已知内部50 Ω 电阻测量未知电阻。
● 使用ADALP2000 模拟器件套件中的AD584 精密2.5 V 基准电压源进行电路板自校准。
● ALICE M1K 电压表。
● ALICE M1K 表源。
● ALICE M1K 桌面工具。
注:需要将ADALM1000连接到您的PC才能使用该软件。
编辑:hfy
龙腾半导体SGT MOSFET LSGT085R018在智慧农业无