时间:2021-02-13 10:15
人气:
作者:admin
参数放大器电路如何工作
参数放大器电路提供输入模拟信号的可调放大和上/下转换。这是通过将第二个正弦信号(称为泵信号)施加到非线性电抗电路元件来完成的。泵浦信号使非线性电路元件的电抗以与泵浦信号频率相同的频率呈正弦变化。
如果“非线性电抗电路元件”的概念含糊不清,请记住您有两个选择:
铁氧体电感器或变压器在磁化饱和下运行
甲变容二极管,其具有电容是二极管两端的电压降的非线性函数
铁氧体需要在高磁场(即输入电流)下运行才能达到饱和。结果,变容二极管通常用于参数放大器电路中以提供非线性电抗。原则上,对输入电压/电流具有非线性电抗的任何组件都可以在参数放大器电路中使用。基本的参数放大器电路如下所示。

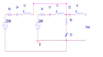
简单的参数放大器电路
在上面的电路中,变容二极管是元件C3。该RLC电路的腿在泵和输入信号可以被设计为欠阻尼,所以泵和输入信号会产生一定的谐振。这允许通过简单地调整输入和泵浦频率来改变变容二极管上的电容调制。
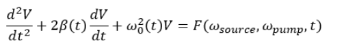
根据基尔霍夫电压定律,由于输入源,其RLC支路,R2和C3形成闭环,因此该环路形成了一个具有固有频率和阻尼的周期性调制的阻尼振荡器。这种类型的系统称为参量振荡器,通过阻尼Mathieu方程进行描述。
阻尼Mathieu方程
取决于参量放大器电路的拓扑,随着泵浦信号的振荡,阻尼,固有频率或两者都可能呈正弦变化。在仿真参数放大器电路时,SPICE仿真器的作用是在时域中求解阻尼的Mathieu方程。
阻尼Mathieu方程是一个描述具有正弦变化参数的振荡器的通用方程,它可用于力学,人口动力学,量子力学,经济学和天体物理学。阻尼Mathieu方程如下所示:

参数放大器电路的阻尼Mathieu方程。
注意,由于电路参数都可以是两个电压源的函数,两个电压源都随时间振荡,因此出现上式中的时间相关性。该电路的目的是通过调节泵浦信号的幅度和/或频率来放大(或减小)输入信号。
上面的参数放大器电路将通过混频产生高次谐波和低次谐波。这些谐波在C3处产生,并输出到惰轮电路中。仅通过使用非线性电抗组件(上面的变容二极管)进行混频。电路产生的每个谐波以及每个组件的增益在下面的公式中定义。

上图所示的参数放大器电路的输出频率和增益。
惰轮电路接收C3产生的所有频率。惰轮电路的目的是提供带通滤波。最后,惰轮电路提供带通滤波,然后输出所需的频率。
编辑:hfy
龙腾半导体SGT MOSFET LSGT085R018在智慧农业无