时间:2019-06-26 15:45
人气:
作者:admin
许多初学者对二极管很“熟悉”,提起二极管的特性可以脱口而出它的单向导电特性,说到它在电路中的应用第一反应是整流,对二极管的其他特性和应用了解不多,认识上也认为掌握了二极管的单向导电特性,就能分析二极管参与的各种电路,实际上这样的想法是错误的,而且在某种程度上是害了自己,因为这种定向思维影响了对各种二极管电路工作原理的分析,许多二极管电路无法用单向导电特性来解释其工作原理。
二极管除单向导电特性外,还有许多特性,很多的电路中并不是利用单向导电特性就能分析二极管所构成电路的工作原理,而需要掌握二极管更多的特性才能正确分析这些电路,例如二极管构成的简易直流稳压电路,二极管构成的温度补偿电路等。
二极管简易直流稳压电路及故障处理
二极管简易稳压电路主要用于一些局部的直流电压供给电路中,由于电路简单,成本低,所以应用比较广泛。
二极管简易稳压电路中主要利用二极管的管压降基本不变特性。
二极管的管压降特性:二极管导通后其管压降基本不变,对硅二极管而言这一管压降是0.6V左右,对锗二极管而言是0.2V左右。
如图9-40所示是由普通3只二极管构成的简易直流稳压电路。电路中的VD1、VD2和VD3是普通二极管,它们串联起来后构成一个简易直流电压稳压电路。

图9-40 3只普通二极管构成的简易直流稳压电路
1.电路分析思路说明
分析一个从没有见过的电路工作原理是困难的,对基础知识不全面的初学者而言就更加困难了。
关于这一电路的分析思路主要说明如下。
1)从电路中可以看出3只二极管串联,根据串联电路特性可知,这3只二极管如果导通会同时导通,如果截止会同时截止。
2)根据二极管是否导通的判断原则分析,在二极管的正极接有比负极高得多的电压,无论是直流还是交流的电压,此时二极管均处于导通状态。从电路中可以看出,在VD1正极通过电阻R1接电路中的直流工作电压+V,VD3的负极接地,这样在3只串联二极管上加有足够大的正向直流电压。由此分析可知,3只二极管VD1、VD2和VD3是在直流工作电压+V作用下导通的。
3)从电路中还可以看出,3只二极管上没有加入交流信号电压,因为在VD1正极即电路中的A点与地之间接有大容量电容C1,将A点的任何交流电压旁路到地端。
2.二极管能够稳定直流电压原理说明
电路中,3只二极管在直流工作电压的正向偏置作用下导通,导通后对这一电路的作用是稳定了电路中A点的直流电压。
众所周知,二极管内部是一个PN结的结构,PN结除单向导电特性之外还有许多特性,其中之一是二极管导通后其管压降基本不变,对于常用的硅二极管而言导通后正极与负极之间的电压降为0.6V。
根据二极管的这一特性,可以很方便地分析由普通二极管构成的简易直流稳压电路工作原理。3只二极管导通之后,每只二极管的管压降是0.6V,那么3只串联之后的直流电压降是0.6×3=1.8V。
3.故障检测方法
检测这一电路中的3只二极管最为有效的方法是测量二极管上的直流电压,如图9-41所示是测量时接线示意图。如果测量直流电压结果是1.8V左右,说明3只二极管工作正常;如果测量直流电压结果是0V,要测量直流工作电压+V是否正常和电阻R1是否开路,与3只二极管无关,因为3只二极管同时击穿的可能性较小;如果测量直流电压结果大于1.8V,检查3只二极管中有一只开路故障。

图9-41 测量二极管上直流电压接线示意图
4.电路故障分析
如表9-40所示是这一二极管电路故障分析:
表9-40 二极管电路故障分析

5.电路分析细节说明
关于上述二极管简易直流电压稳压电路分析细节说明如下。
1)在电路分析中,利用二极管的单向导电性可以知道二极管处于导通状态,但是并不能说明这几只二极管导通后对电路有什么具体作用,所以只利用单向导电特性还不能够正确分析电路工作原理。
2)二极管众多的特性中只有导通后管压降基本不变这一特性能够最为合理地解释这一电路的作用,所以依据这一点可以确定这一电路是为了稳定电路中A点的直流工作电压。
3)电路中有多只元器件时,一定要设法搞清楚实现电路功能的主要元器件,然后围绕它进行展开分析。分析中运用该元器件主要特性,进行合理解释。
二极管温度补偿电路及故障处理
众所周知,PN结导通后有一个约为0.6V(指硅材料PN结)的压降,同时PN结还有一个与温度相关的特性:PN结导通后的压降基本不变,但不是不变,PN结两端的压降随温度升高而略有下降,温度愈高其下降的量愈多,当然PN结两端电压下降量的绝对值对于0.6V而言相当小,利用这一特性可以构成温度补偿电路。如图9-42所示是利用二极管温度特性构成的温度补偿电路。

图9-42 二极管温度补偿电路
对于初学者来讲,看不懂电路中VT1等元器件构成的是一种放大器,这对分析这一电路工作原理不利。
在电路分析中,熟悉VT1等元器件所构成的单元电路功能,对分析VD1工作原理有着积极意义。了解了单元电路的功能,一切电路分析就可以围绕它进行展开,做到有的放矢、事半功倍。
1.需要了解的深层次电路工作原理
分析这一电路工作原理需要了解下列两个深层次的电路原理。
1)VT1等构成一种放大器电路,对于放大器而言要求它的工作稳定性好,其中有一条就是温度高低变化时三极管的静态电流不能改变,即VT1基极电流不能随温度变化而改变,否则就是工作稳定性不好。了解放大器的这一温度特性,对理解VD1构成的温度补偿电路工作原理非常重要。
2)三极管VT1有一个与温度相关的不良特性,即温度升高时,三极管VT1基极电流会增大,温度愈高基极电流愈大,反之则小,显然三极管VT1的温度稳定性能不好。由此可知,放大器的温度稳定性能不良是由于三极管温度特性造成的。
2.三极管偏置电路分析
电路中,三极管VT1工作在放大状态时要给它一定的直流偏置电压,这由偏置电路来完成。电路中的R1、VD1和R2构成分压式偏置电路,为三极管VT1基极提供直流工作电压,基极电压的大小决定了VT1基极电流的大小。如果不考虑温度的影响,而且直流工作电压+V的大小不变,那么VT1基极直流电压是稳定的,则三极管VT1的基极直流电流是不变的,三极管可以稳定工作。
在分析二极管VD1工作原理时还要搞清楚一点:VT1是NPN型三极管,其基极直流电压高,则基极电流大;反之则小。
3.二极管VD1温度补偿电路分析
根据二极管VD1在电路中的位置,对它的工作原理分析思路主要说明下列几点:
1)VD1的正极通过R1与直流工作电压+V相连,而它的负极通过R2与地线相连,这样VD1在直流工作电压+V的作用下处于导通状态。理解二极管导通的要点是:正极上电压高于负极上电压。
2)利用二极管导通后有一个0.6V管压降来解释电路中VD1的作用是行不通的,因为通过调整R1和R2的阻值大小可以达到VT1基极所需要的直流工作电压,根本没有必要通过串入二极管VD1来调整VT1基极电压大小。
3)利用二极管的管压降温度特性可以正确解释VD1在电路中的作用。假设温度升高,根据三极管特性可知,VT1的基极电流会增大一些。当温度升高时,二极管VD1的管压降会下降一些,VD1管压降的下降导致VT1基极电压下降一些,结果使VT1基极电流下降。由上述分析可知,加入二极管VD1后,原来温度升高使VT1基极电流增大的,现在通过VD1电路可以使VT1基极电流减小一些,这样起到稳定三极管VT1基极电流的作用,所以VD1可以起温度补偿的作用。
4)三极管的温度稳定性能不良还表现为温度下降的过程中。在温度降低时,三极管VT1基极电流要减小,这也是温度稳定性能不好的表现。接入二极管VD1后,温度下降时,它的管压降稍有升高,使VT1基极直流工作电压升高,结果VT1基极电流增大,这样也能补偿三极管VT1温度下降时的不稳定。
4.电路分析细节说明
电路分析的细节说明如下。
1)在电路分析中,若能运用元器件的某一特性去合理地解释它在电路中的作用,说明电路分析很可能是正确的。例如,在上述电路分析中,只能用二极管的温度特性才能合理解释电路中VD1的作用。
2)温度补偿电路的温度补偿是双向的,即能够补偿由于温度升高或降低而引起的电路工作的不稳定性。
3)分析温度补偿电路工作原理时,要假设温度的升高或降低变化,然后分析电路中的反应过程,得到正确的电路反馈结果。在实际电路分析中,可以只设温度升高进行电路补偿的分析,不必再分析温度降低时电路补偿的情况,因为温度降低的电路分析思路、过程是相似的,只是电路分析的每一步变化相反。
4)在上述电路分析中,VT1基极与发射极之间PN结(发射结)的温度特性与VD1温度特性相似,因为它们都是PN结的结构,所以温度补偿的结果比较好。
5)在上述电路中的二极管VD1,对直流工作电压+V的大小波动无稳定作用,所以不能补偿由直流工作电压+V大小波动造成的VT1管基极直流工作电流的不稳定性。
5.故障检测方法和电路故障分析
这一电路中的二极管VD1故障检测方法比较简单,可以用万用表欧姆档在路测量VD1正向和反向电阻大小的方法。
当VD1出现开路故障时,三极管VT1基极直流偏置电压升高许多,导致VT1管进入饱和状态,VT1可能会发烧,严重时会烧坏VT1。如果VD1出现击穿故障,会导致VT1管基极直流偏置电压下降0.6V,三极管VT1直流工作电流减小,VT1管放大能力减小或进入截止状态。
二极管控制电路及故障处理
二极管导通之后,它的正向电阻大小随电流大小变化而有微小改变,正向电流愈大,正向电阻愈小;反之则大。
利用二极管正向电流与正向电阻之间的特性,可以构成一些自动控制电路。如图9-43所示是一种由二极管构成的自动控制电路,又称ALC电路(自动电平控制电路),它在磁性录音设备中(如卡座)的录音电路中经常应用。

图9-43 二极管构成的自动控制电路
1.电路分析准备知识说明
二极管的单向导电特性只是说明了正向电阻小、反向电阻大,没有说明二极管导通后还有哪些具体的特性。
二极管正向导通之后,它的正向电阻大小还与流过二极管的正向电流大小相关。尽管二极管正向导通后的正向电阻比较小(相对反向电阻而言),但是如果增加正向电流,二极管导通后的正向电阻还会进一步下降,即正向电流愈大,正向电阻愈小,反之则大。
不熟悉电路功能对电路工作原理很不利,在了解电路功能的背景下能有的放矢地分析电路工作原理或电路中某元器件的作用。
ALC电路在录音机、卡座的录音卡中,录音时要对录音信号的大小幅度进行控制,了解下列几点具体的控制要求有助于分析二极管VD1自动控制电路。
1)在录音信号幅度较小时,不控制录音信号的幅度。
2)当录音信号的幅度大到一定程度后,开始对录音信号幅度进行控制,即对信号幅度进行衰减,对录音信号幅度控制的电路就是ALC电路。
3)ALC电路进入控制状态后,要求录音信号愈大,对信号的衰减量愈大。
通过上述说明可知,电路分析中要求自己有比较全面的知识面,这需要在不断的学习中日积月累。
2.电路工作原理分析思路说明
关于这一电路工作原理的分析思路主要说明下列几点:
1)如果没有VD1这一支路,从第一级录音放大器输出的录音信号全部加到第二级录音放大器中。但是,有了VD1这一支路之后,从第一级录音放大器输出的录音信号有可能会经过C1和导通的VD1流到地端,形成对录音信号的分流衰减。
2)电路分析的第二个关键是VD1这一支路对第一级录音放大器输出信号的对地分流衰减的具体情况。显然,支路中的电容C1是一只容量较大的电容(C1电路符号中标出极性,说明C1是电解电容,而电解电容的容量较大),所以C1对录音信号呈通路,说明这一支路中VD1是对录音信号进行分流衰减的关键元器件。
3)从分流支路电路分析中要明白一点:从第一级录音放大器输出的信号,如果从VD1支路分流得多,那么流入第二级录音放大器的录音信号就小,反之则大。
4)VD1存在导通与截止两种情况,在VD1截止时对录音信号无分流作用,在导通时则对录音信号进行分流。
5)在VD1正极上接有电阻R1,它给VD1一个控制电压,显然这个电压控制着VD1导通或截止。所以,R1送来的电压是分析VD1导通、截止的关键所在。
分析这个电路最大的困难是在VD1导通后,利用了二极管导通后其正向电阻与导通电流之间的关系特性进行电路分析,即二极管的正向电流愈大,其正向电阻愈小,流过VD1的电流愈大,其正极与负极之间的电阻愈小,反之则大。
3.控制电路的一般分析方法说明
对于控制电路的分析通常要分成多种情况,例如将控制信号分成大、中、小等几种情况。就这一电路而言,控制电压Ui对二极管VD1的控制要分成下列几种情况。
1)电路中没有录音信号时,直流控制电压Ui为0,二极管VD1截止,VD1对电路工作无影响,第一级录音放大器输出的信号可以全部加到第二级录音放大器中。
2)当电路中的录音信号较小时,直流控制电压Ui较小,没有大于二极管VD1的导通电压,所以不足以使二极管VD1导通,此时二极管VD1对第一级录音放大器输出的信号也没有分流作用。
3)当电路中的录音信号比较大时,直流控制电压Ui较大,使二极管VD1导通,录音信号愈大,直流控制电压Ui愈大,VD1导通程度愈深,VD1的内阻愈小。
4)VD1导通后,VD1的内阻下降,第一级录音放大器输出的录音信号中的一部分通过电容C1和导通的二极管VD1被分流到地端,VD1导通愈深,它的内阻愈小,对第一级录音放大器输出信号的对地分流量愈大,实现自动电平控制。
5)二极管VD1的导通程度受直流控制电压Ui控制,而直流控制电压Ui随着电路中录音信号大小的变化而变化,所以二极管VD1的内阻变化实际上受录音信号大小控制。
4.故障检测方法和电路故障分析
对于这一电路中的二极管故障检测最好的方法是进行代替检查,因为二极管如果性能不好也会影响到电路的控制效果。
当二极管VD1开路时,不存在控制作用,这时大信号录音时会出现声音一会儿大一会儿小的起伏状失真,在录音信号很小时录音能够正常。
当二极管VD1击穿时,也不存在控制作用,这时录音声音很小,因为录音信号被击穿的二极管VD1分流到地了。
二极管限幅电路及故障处理
二极管最基本的工作状态是导通和截止两种,利用这一特性可以构成限幅电路。所谓限幅电路就是限制电路中某一点的信号幅度大小,让信号幅度大到一定程度时,不让信号的幅度再增大,当信号的幅度没有达到限制的幅度时,限幅电路不工作,具有这种功能的电路称为限幅电路,利用二极管来完成这一功能的电路称为二极管限幅电路。
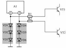
如图9-44所示是二极管限幅电路。在电路中,A1是集成电路(一种常用元器件),VT1和VT2是三极管(一种常用元器件),R1和R2是电阻器,VD1~VD6是二极管。

图9-44 二极管限幅电路
1.电路分析思路说明
对电路中VD1和VD2作用分析的思路主要说明下列几点:
1)从电路中可以看出,VD1、VD2、VD3和VD4、VD5、VD6两组二极管的电路结构一样,这两组二极管在这一电路中所起的作用是相同的,所以只要分析其中一组二极管电路工作原理即可。
2)集成电路A1的①脚通过电阻R1与三极管VT1基极相连,显然R1是信号传输电阻,将①脚上输出信号通过R1加到VT1基极,由于在集成电路A1的①脚与三极管VT1基极之间没有隔直电容,根据这一电路结构可以判断:集成电路A1的①脚是输出信号引脚,而且输出直流和交流的复合信号。确定集成电路A1的①脚是信号输出引脚的目的是为了判断二极管VD1在电路中的具体作用。
3)集成电路的①脚输出的直流电压显然不是很高,没有高到让外接的二极管处于导通状态,理由是:如果集成电路A1的①脚输出的直流电压足够高,那么VD1、VD2和VD3导通,其导通后的内阻很小,这样会将集成电路A1的①脚输出的交流信号分流到地,对信号造成衰减,显然这一电路中不需要对信号进行这样的衰减,所以从这个角度分析得到的结论是:集成电路A1的①脚输出的直流电压不会高到让VD1、VD2和VD3导通的程度。
4)从集成电路A1的①脚输出的是直流和交流叠加信号,通过电阻R1与三极管VT1基极,VT1是NPN型三极管,如果加到VT1基极的正半周交流信号幅度出现很大的现象,会使VT1的基极电压很大而有烧坏VT1的危险。加到VT1基极的交流信号负半周信号幅度很大时,对VT1没有烧坏的影响,因为VT1基极上负极性信号使VT1基极电流减小。
5)通过上述电路分析思路可以初步判断,电路中的VD1、VD2、VD3是限幅保护二极管电路,防止集成电路A1的①脚输出的交流信号正半周幅度太大而烧坏VT1。
从上述思路出发对VD1、VD2、VD3二极管电路进一步分析,分析如果符合逻辑,可以说明上述电路分析思路是正确的。
2.二极管限幅电路
分析各种限幅电路工作是有方法的,将信号的幅度分两种情况:
1)信号幅度比较小时的电路工作状态,即信号幅度没有大到让限幅电路动作的程度,这时限幅电路不工作。
2)信号幅度比较大时的电路工作状态,即信号幅度大到让限幅度电路动作的程度,这时限幅电路工作,将信号幅度进行限制。
用画出信号波形的方法分析电路工作原理有时相当管用,用于分析限幅电路尤其有效,如图9-45所示是电路中集成电路A1的①脚上信号波形示意图。

图9-45 集成电路A1的①脚上信号波形示意图
图中,U1是集成电路A1的①脚输出信号中的直流电压,①脚输出信号中的交流电压是“骑”在这一直流电压上的。U2是限幅电压值。
结合上述信号波形来分析这个二极管限幅电路,当集成电路A1的①脚输出信号中的交流电压比较小时,交流信号的正半周加上直流输出电压U1也没有达到VD1、VD2和VD3导通的程度,所以各二极管全部截止,对①脚输出的交流信号没有影响,交流信号通过R1加到VT1中。
假设集成电路A1的①脚输出的交流信号其正半周幅度在某期间很大,见图8-12中的信号波形,由于此时交流信号的正半周幅度加上直流电压已超过二极管VD1、VD2和VD3正向导通的电压值,如果每只二极管的导通电压是0.7V,那么3只二极管的导通电压是2.1V。由于3只二极管导通后的管压降基本不变,即集成电路A1的①脚最大为2.1V,所以交流信号正半周超出部分被去掉(限制),其超出部分信号其实降在了集成电路A1的①脚内电路中的电阻上(图中未画出)。
当集成电路A1的①脚直流和交流输出信号的幅度小于2.1V时,这一电压又不能使3只二极管导通,这样3只二极管再度从导通转入截止状态,对信号没有限幅作用。
3.电路分析细节说明
对于这一电路的具体分析细节说明如下。
1)集成电路A1的①脚输出的负半周大幅度信号不会造成VT1过电流,因为负半周信号只会使NPN型三极管的基极电压下降,基极电流减小,所以无须加入对于负半周的限幅电路。
2)上面介绍的是单向限幅电路,这种限幅电路只能对信号的正半周或负半周大信号部分进行限幅,对另一半周信号不限幅。另一种是双向限幅电路,它能同时对正、负半周信号进行限幅。
3)引起信号幅度异常增大的原因是多种多样的,例如偶然的因素(如电源电压的波动)导致信号幅度在某瞬间增大许多,外界的大幅度干扰脉冲窜入电路也是引起信号某瞬间异常增大的常见原因。
4)3只二极管VD1、VD2和VD3导通之后,集成电路A1的①脚上的直流和交流电压之和是2.1V,这一电压通过电阻R1加到VT1基极,这也是VT1最高的基极电压,这时的基极电流也是VT1最大的基极电流。
5)由于集成电路A1的①脚和②脚外电路一样,所以其外电路中的限幅保护电路工作原理一样,分析电路时只要分析一个电路即可。
6)根据串联电路特性可知,串联电路中的电流处处相等,这样可以知道VD1、VD2和VD3三只串联二极管导通时同时导通,否则同时截止,绝不会出现串联电路中的某只二极管导通而某几只二极管截止的现象。
4.故障检测方法和电路故障分析
对这一电路中的二极管故障检测主要采用万用表欧姆档在路测量其正向和反向电阻大小,因为这一电路中的二极管不工作在直流电路中,所以采用测量二极管两端直流电压降的方法不合适。
这一电路中二极管出现故障的可能性较小,因为它们工作在小信号状态下。如果电路中有一只二极管出现开路故障时,电路就没有限幅作用,将会影响后级电路的正常工作。
二极管开关电路及故障处理
开关电路是一种常用的功能电路,例如家庭中的照明电路中的开关,各种民用电器中的电源开关等。
在开关电路中有两大类的开关:
1)机械式的开关,采用机械式的开关件作为开关电路中的元器件。
2)电子开关,所谓的电子开关,不用机械式的开关件,而是采用二极管、三极管这类器件构成开关电路。
1.开关二极管开关特性说明
开关二极管同普通的二极管一样,也是一个PN结的结构,不同之处是要求这种二极管的开关特性要好。
当给开关二极管加上正向电压时,二极管处于导通状态,相当于开关的通态;当给开关二极管加上反向电压时,二极管处于截止状态,相当于开关的断态。二极管的导通和截止状态完成开与关功能。
开关二极管就是利用这种特性,且通过制造工艺,开关特性更好,即开关速度更快,PN结的结电容更小,导通时的内阻更小,截止时的电阻很大。
如表9-41所示是开关时间概念说明。
表6.19 开关时间概念说明

2.典型二极管开关电路工作原理
二极管构成的电子开关电路形式多种多样,如图9-46所示是一种常见的二极管开关电路。

图9-46 二极管开关电路
通过观察这一电路,可以熟悉下列几个方面的问题,以利于对电路工作原理的分析:
1)了解这个单元电路功能是第一步。从图8-14所示电路中可以看出,电感L1和电容C1并联,这显然是一个LC并联谐振电路,是这个单元电路的基本功能,明确这一点后可以知道,电路中的其他元器件应该是围绕这个基本功能的辅助元器件,是对电路基本功能的扩展或补充等,以此思路可以方便地分析电路中的元器件作用。
2)C2和VD1构成串联电路,然后再与C1并联,从这种电路结构可以得出一个判断结果:C2和VD1这个支路的作用是通过该支路来改变与电容C1并联后的总容量大小,这样判断的理由是:C2和VD1支路与C1上并联后总电容量改变了,与L1构成的LC并联谐振电路其振荡频率改变了。所以,这是一个改变LC并联谐振电路频率的电路。
关于二极管电子开关电路分析思路说明如下几点:
1)电路中,C2和VD1串联,根据串联电路特性可知,C2和VD1要么同时接入电路,要么同时断开。如果只是需要C2并联在C1上,可以直接将C2并联在C1上,可是串入二极管VD1,说明VD1控制着C2的接入与断开。
2)根据二极管的导通与截止特性可知,当需要C2接入电路时让VD1导通,当不需要C2接入电路时让VD1截止,二极管的这种工作方式称为开关方式,这样的电路称为二极管开关电路。
3)二极管的导通与截止要有电压控制,电路中VD1正极通过电阻R1、开关S1与直流电压+V端相连,这一电压就是二极管的控制电压。
4)电路中的开关S1用来控制工作电压+V是否接入电路。根据S1开关电路更容易确认二极管VD1工作在开关状态下,因为S1的开、关控制了二极管的导通与截止。
如表9-42所示是二极管电子开关电路工作原理说明。
表9-42 二极管电子开关电路工作原理说明

在上述两种状态下,由于LC并联谐振电路中的电容不同,一种情况只有C1,另一种情况是C1与C2并联,在电容量不同的情况下LC并联谐振电路的谐振频率不同。所以,VD1在电路中的真正作用是控制LC并联谐振电路的谐振频率。
关于二极管电子开关电路分析细节说明下列二点:
1)当电路中有开关件时,电路的分析就以该开关接通和断开两种情况为例,分别进行电路工作状态的分析。所以,电路中出现开关件时能为电路分析提供思路。
2)LC并联谐振电路中的信号通过C2加到VD1正极上,但是由于谐振电路中的信号幅度比较小,所以加到VD1正极上的正半周信号幅度很小,不会使VD1导通。
3.故障检测方法和电路故障分析
如图9-47所示是检测电路中开关二极管时接线示意图,在开关接通时测量二极管VD1两端直流电压降,应该为0.6V,如果远小于这个电压值说明VD1短路,如果远大小于这个电压值说明VD1开路。另外,如果没有明显发现VD1出现短路或开路故障时,可以用万用表欧姆档测量它的正向电阻,要很小,否则正向电阻大也不好。

图9-47 检测电路中开关二极管时接线示意图
如果这一电路中开关二极管开路或短路,都不能进行振荡频率的调整。开关二极管开路时,电容C2不能接入电路,此时振荡频率升高;开关二极管短路时,电容C2始终接入电路,此时振荡频率降低。
4.同类电路工作原理分析
如图所示,电路中的VD1为开关二极管,控制电压通过R1加到VD1正极,控制电压是一个矩形脉冲电压,波形见图中所示。
当控制电压为0V时,VD1不能导通,相当于开路,这时对L1和C1、L2和C2电路没有影响;当控制电压为高电平时,控制电压使开关二极管VD1导通,VD1相当于通路,电路中A点的交流信号通过导通的VD1和电容C3接地,等于将电路中的A点交流接地,使L2和C2电路不起作用。
从上述分析可知,电路中的二极管VD1相当于一只开关,控制电路中的A点交流信号是否接地。

二极管检波电路及故障处理
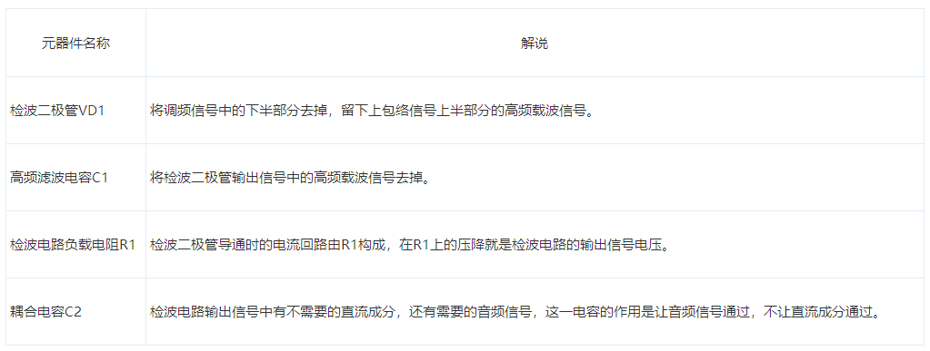
如图9-48所示是二极管检波电路。电路中的VD1是检波二极管,C1是高频滤波电容,R1是检波电路的负载电阻,C2是耦合电容。

图9-48 二极管检波电路
1.电路分析准备知识
众所周知,收音机有调幅收音机和调频收音机两种,调幅信号就是调幅收音机中处理和放大的信号。见图中的调幅信号波形示意图,对这一信号波形主要说明下列几点:
1)从调幅收音机天线下来的就是调幅信号。
2)信号的中间部分是频率很高的载波信号,它的上下端是调幅信号的包络,其包络就是所需要的音频信号。
3)上包络信号和下包络信号对称,但是信号相位相反,收音机最终只要其中的上包络信号,下包络信号不用,中间的高频载波信号也不需要。
2.电路中各元器件作用说明
如表9-43所示是元器件作用解说。
表9-43 元器件作用解说

3.检波电路工作原理分析
检波电路主要由检波二极管VD1构成。
在检波电路中,调幅信号加到检波二极管的正极,这时的检波二极管工作原理与整流电路中的整流二极管工作原理基本一样,利用信号的幅度使检波二极管导通,如图9-49所示是调幅波形展开后的示意图。

图9-49 调幅波形时间轴展开示意图
从展开后的调幅信号波形中可以看出,它是一个交流信号,只是信号的幅度在变化。这一信号加到检波二极管正极,正半周信号使二极管导通,负半周信号使二极管截止,这样相当于整流电路工作一样,在检波二极管负载电阻R1上得到正半周信号的包络,即信号的虚线部分,见图中检波电路输出信号波形(不加高频滤波电容时的输出信号波形)。
检波电路输出信号由音频信号、直流成分和高频载波信号三种信号成分组成,详细的电路分析需要根据三种信号情况进行展开。这三种信号中,最重要的是音频信号处理电路的分析和工作原理的理解。
1)所需要的音频信号,它是输出信号的包络,如图9-50所示,这一音频信号通过检波电路输出端电容C2耦合,送到后级电路中进一步处理。

图9-50 检波电路输出端信号波形示意图
2)检波电路输出信号的平均值是直流成分,它的大小表示了检波电路输出信号的平均幅值大小,检波电路输出信号幅度大,其平均值大,这一直流电压值就大,反之则小。这一直流成分在收音机电路中用来控制一种称为中频放大器的放大倍数(也可以称为增益),称为AGC(自动增益控制)电压。AGC电压被检波电路输出端耦合电容隔离,不能与音频信号一起加到后级放大器电路中,而是专门加到AGC电路中。
3)检波电路输出信号中还有高频载波信号,这一信号无用,通过接在检波电路输出端的高频滤波电容C1,被滤波到地端。
一般检波电路中不给检波二极管加入直流电压,但在一些小信号检波电路中,由于调幅信号的幅度比较小,不足以使检波二极管导通,所以给检波二极管加入较小的正向直流偏置电压,如图所示,使检波二极管处于微导通状态。

从检波电路中可以看出,高频滤波电容C1接在检波电路输出端与地线之间,由于检波电路输出端的三种信号其频率不同,加上高频滤波电容C1的容量取得很小,这样C1对三种信号的处理过程不同。
1)对于直流电压而言,电容的隔直特性使C1开路,所以检波电路输出端的直流电压不能被C1旁路到地线。
2)对于音频信号而言,由于高频滤波电容C1的容量很小,它对音频信号的容抗很大,相当于开路,所以音频信号也不能被C1旁路到地线。
3)对于高频载波信号而言,其频率很高,C1对它的容抗很小而呈通路状态,这样惟有检波电路输出端的高频载波信号被C1旁路到地线,起到高频滤波的作用。
如图9-51所示是检波二极管导通后的三种信号电流回路示意图。负载电阻构成直流电流回路,耦合电容取出音频信号。

图9-51 检波二极管导通后三种信号电流回路示意图
4.故障检测方法及电路故障分析
对于检波二极管不能用测量直流电压的方法来进行检测,因这这种二极管不工作在直流电压中,所以要采用测量正向和反向电阻的方法来判断检波二极管质量。
当检波二极管开路和短路时,都不能完成检波任务,所以收音电路均会出现收音无声故障。
5.实用倍压检波电路工作原理分析
如图9-52所示是实用倍压检波电路,电路中的C2和VD1、VD2构成二倍压检波电路,在收音机电路中用来将调幅信号转换成音频信号。电路中的C3是检波后的滤波电容。通过这一倍压检波电路得到的音频信号,经耦合电容C5加到音频放大管中。

图9-52 实用倍压检波电路
继电器驱动电路中二极管保护电路及故障处理
继电器内部具有线圈的结构,所以它在断电时会产生电压很大的反向电动势,会击穿继电器的驱动三极管,为此要在继电器驱动电路中设置二极管保护电路,以保护继电器驱动管。
如图9-53所示是继电器驱动电路中的二极管保护电路,电路中的J1是继电器,VD1是驱动管VT1的保护二极管,R1和C1构成继电器内部开关触点的消火花电路。

1.电路工作原理分析
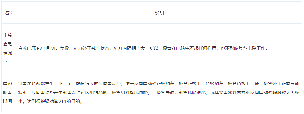
继电器内部有一组线圈,如图9-54所示是等效电路,在继电器断电前,流过继电器线圈L1的电流方向为从上而下,在断电后线圈产生反向电动势阻碍这一电流变化,即产生一个从上而下流过的电流,见图中虚线所示。根据前面介绍的线圈两端反向电动势判别方法可知,反向电动势在线圈L1上的极性为下正上负,见图中所示。如表9-44所示是这一电路中保护二极管工作原理说明。
表9-44 保护二极管工作原理说明

2.故障检测方法和电路故障分析
对于这一电路中的保护二极管不能采用测量二极管两端直流电压降的方法来判断检测故障,也不能采用在路测量二极管正向和反向电阻的方法,因为这一二极管两端并联着继电器线圈,这一线圈的直流电阻很小,所以无法通过测量电压降的方法来判断二极管质量。应该采用代替检查的方法。
当保护二极管开路时,对继电器电路工作状态没有大的影响,但是没有了保护作用而很有可能会击穿驱动管;当保护二极管短路时,相当于将继电器线圈短接,这时继电器线圈中没有电流流过,继电器不能动作。
今天的内容就到这了,如果您对文章内容方面还有疑问,可以扫描下方二维码,会有专门的老师帮你解决。加入VIP获取更多学习资料请点击下方链接:
工程师你可能命里缺我
扫描失败可添加微信号:18138814636
﹌﹌﹌﹌﹌﹌﹌﹌﹌﹌﹌﹌﹌﹌﹌﹌﹌﹌﹌﹌﹌﹌﹌﹌﹌﹌﹌﹌﹌﹌﹌﹌﹌﹌﹌﹌﹌﹌﹌﹌﹌﹌﹌﹌﹌﹌﹌﹌﹌﹌﹌﹌
免责声明:内容整理自网络,版权归原作者所有,如涉及作品版权问题,请及时与我们联系,谢谢!
————你可能错过的往期干货,更多干货请点击文末阅读原文————
向上划动即可查看更多哦
电子发烧友热文推荐
1、华为卷入美国政府权力“黑洞”漩涡,中国芯能否遇强则强?
2、经典!一文讲透静电保护(ESD)原理和设计
3、55条模电数电学习笔记,记得一定要看!
4、114个实用电子小常识,一般人都不知道!
5、关于射频芯片,看这一篇就够了!(干货收藏)
6、无刷电机与有刷电机的区别,这样看一目了然!
7、55页PPT!很火的MOS管电路工作原理及详解,没有之一!
8、超经典的机械原理动图合集,足足看了十遍,过瘾!
9、这些元器件基础知识都不懂,怎么混电子圈!
10、史上最强单片机科普,看完给跪了!
11、震悍!80张传感器工作原理动图汇总
12、终于有人讲透了什么是机器视觉!
13、盘点当今市面主流单片机,总有一款适合你!
14、只需7步,秒懂MOS管选型!
15、单片机实用工具大全,超级赞,工程师必备!
电子发烧友拆解及DIY推荐
1、大神教你DIY | 如何用一块FPGA开发板制作音乐盒?!
2、DIY一个太阳充电器,仅需六步!准工程师表示:秒懂!
3、四旋翼 DIY高大上!用STM32单片机搞定四旋翼无人机飞控
4、简单实用,5分钟教你DIY个人电子名片(工程师标配)
5、史上最具创意鬼才10大DIY详细集锦,你赶紧看看吧!(收藏版)
6、重磅!国外牛人教你DIY固态特斯拉线圈(附详细流程)
7、四轴飞行器DIY全教程合集(程序+原理图+四轴PID)
8、暴力拆解特斯拉电池组,探究美帝黑科技!(惊呆了!)
电子发烧友学院精选
1、限时!免费!3节FPGA课程,快抢!
2、【学院推荐】LabVIEW与PLC如何进行Modbus通信?
3、【学院推荐】什么是 BLDC 电机换向的最有效方法?
4、【学院推荐】LabVIEW编程实例:手把手教你按键监视小软件的实现
5、【学院推荐】PCB工程师不得不看:超级实用AD常用快捷键总结
6、想升职加薪走向人生巅峰?你需要了解一下LabVIEW了
电子发烧友活动推荐
1、关于ESD原理及防护,这篇文章太专业了!点赞!(征文)
2、工程师搞PCB设计,到底该学哪款软件?——PADS篇
3、超强的四轴无人机飞控源代码,支持STM32所有系列(附项目资料)
4、11个电源设计小技巧,看完提高一半的工作效率!(附资料下载)
5、从菜鸟到高手,学习arm32位单片机的必经之路,给大家分享个人经验!
6、2G资料!FPGA入门进阶必看资源合集(免费下载)
7、学好LLC开关电源设计,你必须要弄懂的原理知识(文末送资料大礼包)
电子发烧友电路精选
1、【汇总】led灯驱动电源电路图大全(收藏版)
2、20个超经典模拟电路,工程师你知道几个?(收藏:附答案下载)
3、学好单片机必须要了解的的8个电路设计
4、单片机11种常见的电路设计模块
5、新手如何看懂电路图?有哪些必要的知识点?
6、99%的工程师都不了解三极管放大电路原理
7、太牛了!电路图符号超强科普,不懂物理也能轻松看懂电路图!(推荐收藏)
8、555定时器常见应用及50个经典设计电路
电子发烧友资料精选
1、最全STM32智能小车资料!带原理图、源代码、完整论文
2、STM32大神笔记,超详细单片机学习汇总资料(干货分享)
3、工程师快速提升技能就看这份资料——固态继电器(SSR)使用指南
4、承包你的电路图资料!请收下这份国内外精选电路图集
5、一年的精华都在这里了!2018年度精选资料大集合
6、测量电子电路设计资料大全(电路图集+设计方案+制作流程)
7、无刷电机资料大全(基本原理+接线方法+解决方案)
电子发烧友热文推荐
1、华为卷入美国政府权力“黑洞”漩涡,中国芯能否遇强则强?
2、经典!一文讲透静电保护(ESD)原理和设计
3、55条模电数电学习笔记,记得一定要看!
4、114个实用电子小常识,一般人都不知道!
5、关于射频芯片,看这一篇就够了!(干货收藏)
6、无刷电机与有刷电机的区别,这样看一目了然!
7、55页PPT!很火的MOS管电路工作原理及详解,没有之一!
8、超经典的机械原理动图合集,足足看了十遍,过瘾!
9、这些元器件基础知识都不懂,怎么混电子圈!
10、史上最强单片机科普,看完给跪了!
11、震悍!80张传感器工作原理动图汇总
12、终于有人讲透了什么是机器视觉!
13、盘点当今市面主流单片机,总有一款适合你!
14、只需7步,秒懂MOS管选型!
15、单片机实用工具大全,超级赞,工程师必备!
电子发烧友拆解及DIY推荐
1、大神教你DIY | 如何用一块FPGA开发板制作音乐盒?!
2、DIY一个太阳充电器,仅需六步!准工程师表示:秒懂!
3、四旋翼 DIY高大上!用STM32单片机搞定四旋翼无人机飞控
4、简单实用,5分钟教你DIY个人电子名片(工程师标配)
5、史上最具创意鬼才10大DIY详细集锦,你赶紧看看吧!(收藏版)
6、重磅!国外牛人教你DIY固态特斯拉线圈(附详细流程)
7、四轴飞行器DIY全教程合集(程序+原理图+四轴PID)
8、暴力拆解特斯拉电池组,探究美帝黑科技!(惊呆了!)
电子发烧友学院精选
1、限时!免费!3节FPGA课程,快抢!
2、【学院推荐】LabVIEW与PLC如何进行Modbus通信?
3、【学院推荐】什么是 BLDC 电机换向的最有效方法?
4、【学院推荐】LabVIEW编程实例:手把手教你按键监视小软件的实现
5、【学院推荐】PCB工程师不得不看:超级实用AD常用快捷键总结
6、想升职加薪走向人生巅峰?你需要了解一下LabVIEW了
电子发烧友活动推荐
1、关于ESD原理及防护,这篇文章太专业了!点赞!(征文)
2、工程师搞PCB设计,到底该学哪款软件?——PADS篇
3、超强的四轴无人机飞控源代码,支持STM32所有系列(附项目资料)
4、11个电源设计小技巧,看完提高一半的工作效率!(附资料下载)
5、从菜鸟到高手,学习arm32位单片机的必经之路,给大家分享个人经验!
6、2G资料!FPGA入门进阶必看资源合集(免费下载)
7、学好LLC开关电源设计,你必须要弄懂的原理知识(文末送资料大礼包)
电子发烧友电路精选
1、【汇总】led灯驱动电源电路图大全(收藏版)
2、20个超经典模拟电路,工程师你知道几个?(收藏:附答案下载)
3、学好单片机必须要了解的的8个电路设计
4、单片机11种常见的电路设计模块
5、新手如何看懂电路图?有哪些必要的知识点?
6、99%的工程师都不了解三极管放大电路原理
7、太牛了!电路图符号超强科普,不懂物理也能轻松看懂电路图!(推荐收藏)
8、555定时器常见应用及50个经典设计电路
电子发烧友资料精选
1、最全STM32智能小车资料!带原理图、源代码、完整论文
2、STM32大神笔记,超详细单片机学习汇总资料(干货分享)
3、工程师快速提升技能就看这份资料——固态继电器(SSR)使用指南
4、承包你的电路图资料!请收下这份国内外精选电路图集
5、一年的精华都在这里了!2018年度精选资料大集合
6、测量电子电路设计资料大全(电路图集+设计方案+制作流程)
7、无刷电机资料大全(基本原理+接线方法+解决方案)
最具有学习价值的电子发烧友社群邀请你加入
添加发烧友小助手
加入“发烧友微信群”交流,
THE END
1、加Lwangzi312为好友,进入电子行业交流大群
嵌入式软件|可编程逻辑|C语言|linux|单片机|LabVIEW|微机原理|RF/无线|PCB设计|IC设计|电源设计|模拟技术|机器人|测试测量|Java|AR/VR|前端开发|大数据|python|STM32|FPGA|四轴算法|BLDC
2、加Lwangzi312为好友,进入电子行业城市交流群
深圳39591|北京26276|上海24794|广州15554|西安11854|成都10678|杭州10600|苏州10141|南京9735|武汉9204|东莞7960|天津6610|重庆6319|合肥5096|长沙4832|青岛4427|郑州4425|佛山4176|宁波3774|无锡3617|厦门3569|惠州2893
更多精彩内容,请戳阅读原文
龙腾半导体SGT MOSFET LSGT085R018在智慧农业无