时间:2019-02-05 01:56
人气:
作者:admin
60Hz脉冲信号是时钟电路常用到的信号。本文介绍一种60Hz脉冲信号发生电路,分析其存在的误差,并给出减少误差的改进电路。
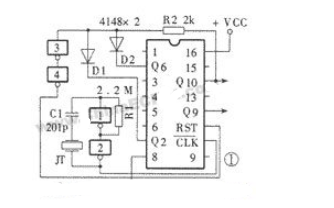
电路组成图1示出的60Hz脉冲信号发生电路,由石英晶体多谐振荡器和分频器两部分电路组成,其中IC1为“非”门电路CD4069,IC2为分频集成电路CD4040,JT为32768Hz石英晶体。石英晶体、“非”门1和“非”门2组成石英晶体多谐振荡器,晶体JT和电容C1在电路中形成正反馈。晶体在它的固有串联谐振频率点f0的等效阻抗最小,所以电路的振荡频率就取决于晶体的固有串联谐振频率,与外接电阻R1、电容C1的参数无关。由于石英晶体的频率稳定度可达10-10~10-11,所以可获得频率非常稳定的振荡信号。IC2、“非”门3、“非”门4和D1、D2组成分频电路,它对石英晶体振荡器所产生的32768Hz的脉冲信号进行分频,在输出端Q10或Q9可获取60Hz的脉冲信号。

分频比及频率误差CD4040是一片12级脉动进位二进制计数分频电路,它在时钟的下降沿进行计数,其复位端输入高电平时,可取得与时钟输入无关的直接复位。由于石英晶体的固有谐振频率f0=32768Hz,从Q9端输出的信号是f0的29分频,其数值是64Hz,所以不采取一定的措施是不能获得60Hz的信号的。所采取的措施是,把CD4040的Q10输出端通过R2、“非”门3和“非”门4连接到它的复位端,同时通过D1、D2分别连接到它的Q2和Q6输出端,即D1、D2、“非”门3和“非”门4组成复位控制电路,让Q10、Q6、Q2的输出共同控制CD4040的复位。
Q10端输出的信号是振荡频率的210分频,该信号的一个周期为振荡脉冲信号的1024个周期时间,低电平和高电平时间各为振荡脉冲的512个周期时间。同理,Q6端输出信号一个周期的高、低电平各为振荡脉冲的32个周期时间,Q2端输出信号一个周期的高、低电平时间各为振荡脉冲的2个周期时间。它们在Q10上升沿处的波形如图2所示。由于CD4040是下降沿触发,所以在Q10的上升沿处对应着Q6的下降沿。从图1可见,CD4040在Q10、Q6和Q2均为高电平(即Q10.Q6.Q1=1)时复位。从图2可以看出,电路复位出现在Q10高电平,Q6也高电平之后,Q2输出第一个高电平的时刻。电路复位时Q10、Q6、Q2均回到低电平,Q10以及Q9输出脉冲结束一个周期,开始新的周期。

从上面分析可以得出Q9、Q10输出脉冲信号的周期为512+32+2=546振荡脉冲周期时间,它们的频率就是振荡脉冲信号的546次分频,因此其频率为:f=32768/546≈60.01465201Hz,其误差为δ=(60.01465201-60)/60≈2.442×10-4。
减小误差的电路为了减小输出脉冲信号的频率误差,可以适当修正振荡脉冲信号的频率,具体做法是在电路上把图1的石英器件多谐振荡电路改为图3所示的可微调频率的石英晶体多谐振荡电路。石英晶体JT仍作为反馈元件,“非”门电路工作在线性放大状态,R1为其提供偏置。当振荡频率接近晶体的固有串联谐振频率时,电路满足振荡条件。该电路仍具有十分稳定的振荡频率。图3中C1、C2和石英晶体JT组成π形反馈网络,调整C1或C2的值,可以微调电路的振荡频率。
该电路的输出端接到图1中CD4040的端,输出的脉冲信号作为CD4040的计数脉冲。要使图1中CD4040的Q9和Q10输出60Hz的脉冲信号,计数脉冲的频率应为:f0=60×546=32760Hz。这一振荡频率在图3所示的电路中可通过调整C1或C2的数值来实现。

上一篇:运算放大器15个常见指标介绍
龙腾半导体SGT MOSFET LSGT085R018在智慧农业无