时间:2018-08-10 01:20
人气:
作者:admin
电子电路通常都工作在正稳压输出电压下,而这些电压一般都是由降压稳压器来提供的。如果同时还需要负输出电压,那么在降压—升压拓扑中就可以配置相同的降压控制器。负输出电压降压—升压有时称之为负反向,其工作占空比为 50%,可提供相当于输入电压但极性相反的输出电压。其可以随着输入电压的波动调节占空比,以“降压”或“升压”输出电压来维持稳压。
图 1 显示了一款精简型降压—升压电路,以及电感上出现的开关电压。这样一来该电路与标准降压转换器的相似性就会顿时明朗起来。实际上,除了输出电压和接地相反以外,它和降压转换器完全一样。这种布局也可用于同步降压转换器。这就是与降压或同步降压转换器端相类似的地方,因为该电路的运行与降压转换器不同。
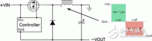
FET 开关时出现在电感上的电压不同于降压转换器的电压。正如在降压转换器中一样,平衡伏特-微秒 (V-μs) 乘积以防止电感饱和是非常必要的。当 FET 为开启时(如图 1 所示的 ton 间隔),全部输入电压被施加至电感。这种电感“点”侧上的正电压会引起电流斜坡上升,这就带来电感的开启时间 V-μs 乘积。FET 关闭 (toff) 期间,电感的电压极性必须倒转以维持电流,从而拉动点侧为负极。电感电流斜坡下降,并流经负载和输出电容,再经二极管返回。电感关闭时V-μs 乘积必须等于开启时 V-μs 乘积。由于 Vin 和 Vout 不变,因此很容易便可得出占空比 (D) 的表达式:D=Vout/(Vout " Vin)。这种控制电路通过计算出正确的占空比来维持输出电压稳压。上述表达式和图 1 所示波形均假设运行在连续导电模式下。

图 1 降压—升压电感要求平衡其伏特-微秒乘积
降压—升压电感必须工作在比输出负载电流更高的电流下。其被定义为 IL = I/(1-D),或只是输入电流与输出电流相加。对于和输入电压大小相等的负输出电压(D = 0.5)而言,平均电感电流为输出的 2 倍。<>
有趣的是,连接输入电容返回端的方法有两种,其会影响输出电容的 rms 电流。典型的电容布局是在 +Vin 和 Gnd 之间,与之相反,输入电容可以连接在 +Vin和 "V之间。利用这种输入电容配置可降低输出电容的rms电流。然而,由于输入电容连接至 "Vout,因此 "Vout 上便形成了一个电容性分压器。这就在控制器开始起作用以前,在开启时间的输出上形成一个正峰值。为了最小化这种影响,最佳的方法通常是使用一个比输出电容要小得多的输入电容,请参见图 2 所示的电路。输入电容的电流在提供 dc 输出电流和吸收平均输入电流之间相互交替。rms 电流电平在最高输入电流的低输入电压时最差。因此,选择电容器时要多加注意,不要让其 ESR 过高。陶瓷或聚合物电容器通常是这种拓扑较为合适的选择。<>

图 2 降压控制器在降压—升压中的双重作用
必须要选择一个能够以最小输入电压减去二极管压降上电的控制器,而且在运行期间还必须能够承受得住 Vin 加 Vout 的电压。FET 和二极管还必须具有适用于这一电压范围的额定值。通过连接输出接地的反馈电阻器可实现对输出电压的调节,这是由于控制器以负输出电压为参考电压。只需精心选取少量组件的值,并稍稍改动电路,降压控制器便可在负输出降压—升压拓扑中起到双重作用。
龙腾半导体SGT MOSFET LSGT085R018在智慧农业无