时间:2018-07-02 09:27
人气:
作者:admin
在大多数系统中,为了确保电源轨电压不会出现压降,电容器遍布于整个设计中。当电源刚刚被施加到系统中时,为这些电容器充电会导致一个涌入电流,如果不加以处理的话,这个电流会造成数个系统问题。
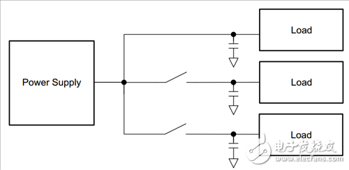
图1显示的是一个使用一个电源—DC/DC,低压降 (LDO) 稳压器,或者外部电源—为一个下游负载供电的系统示例。

图1:典型配电电路
系统启动时,电源将上升到经稳压电压。随着电压增加,一股涌入电流进入未被充电的电容器。当电容负载被切换到一个电源轨,并且必须被充电至那个电压电平时,也会产生涌入电流。进入这个电容器的涌入电流的数量由电压斜升的斜率决定,由方程式1表示:

(1)
在这里,IINRUSH表示由电容所导致的涌入电流的数量,C代表总电容值,dV是斜升期间电压的变化量,而dt是电压斜升时的上升时间。
涌入电流带来的问题
主要有两个与涌入电流相关的顾虑。第一个顾虑就是电路板上的迹线和组件的绝对最大电流额定值。全部接头和端子块都具有特定的电流额定值,如果超过了这些额定值的话,会损坏这些部件。相似的,在进行PCB迹线设计时,都要将特定的电流承载能力考虑在内,而这些PCB迹线也存在被损坏的风险。
不过,在针对较大涌入电流峰值进行设计时,将会导致较厚的PCB迹线和更加耐用的接头,而这会增加总体设计的尺寸和成本。随着涌入电流的减少,你可以优化这些迹线和接头,以实现更小巧、价格更低的设计。
第二个担心就是当电容负载接通至已经稳定的电压轨时会出现问题。如果这个电源不能处理为这个电容器重现所需要的涌入电流数量,那么这个电压轨上的电压将被下拉。图2显示了这一运行方式。

图2:由涌入电流所导致的电源暂降
该如何设计来应对涌入电流:TPS22965应用
你可以通过增加负载电容的电压上升时间,并且减慢电容器的充电率来减少涌入电流。所有TI负载开关(TPS229xx产品)均特有一个受控输出转换率来减轻涌入电流。图3显示的是针对一个负载开关的常见应用电路。

图3:常见负载开关应用电路
图4显示的是一个5V电源,其电压被一个降压转换器降低至1.8V。在这个1.8V电压轨加电时,在这个系统中施加了一个100µF的电容值。

图4:没有转换率控制时的系统方框图
在没有受控上升时间时,这个开关不提供任何的涌入电流管理;图5中显示了其结果。

图5:没有转换率控制时的涌入电流和压降
图6显示的是同一个系统,不过其中的TPS22965负载开关(具有受控上升时间)控制电容负载。图7显示的是对应的波形。

图6:具有TPS22965的系统方框图

图7:在进行转换率控制时的涌入电流和压降
受控上升时间防止了电源电压的压降,并且将涌入电流减少到可以管理的范围内。
较大的电容值会导致涌入电流,从而造成器件损坏、系统不稳定或有害的运行方式。对于涌入电流的管理来说,TI负载开关的使用是一个既小巧又省钱的解决方案。
上一篇:ST加快物联网传感器设计进程
下一篇:IC安全烧录量产设计的一种机制
龙腾半导体SGT MOSFET LSGT085R018在智慧农业无