时间:2018-06-21 09:27
人气:
作者:admin
凌力尔特的μModule4开关降压 - 升压型稳压器为输入电压可高于或低于所需输出电压的应用提供集成高效解决方案。这些固定频率的电流模式器件仅需要少量外部元件即可提供最短的设计时间电源解决方案。该产品系列中的最新IC是LTM8055和LTM8056。所述LTM8055(图1)是一个5V至36V IN装置,其能够从一个24V电源提供12V @ 8.5A。该LTM8056具有5V至58V的输入电压范围,并可通过24V电源提供12V @ 5.4A电流。这两款器件都集成了电感,将外部元件数量减少到检测电阻,设置输出电压的电阻分压器,设置开关频率的电阻和大容量输入和输出电容。

图1.具有I OUT = 3A至7.5A的LTM8055 取决于V IN
输出电流限制
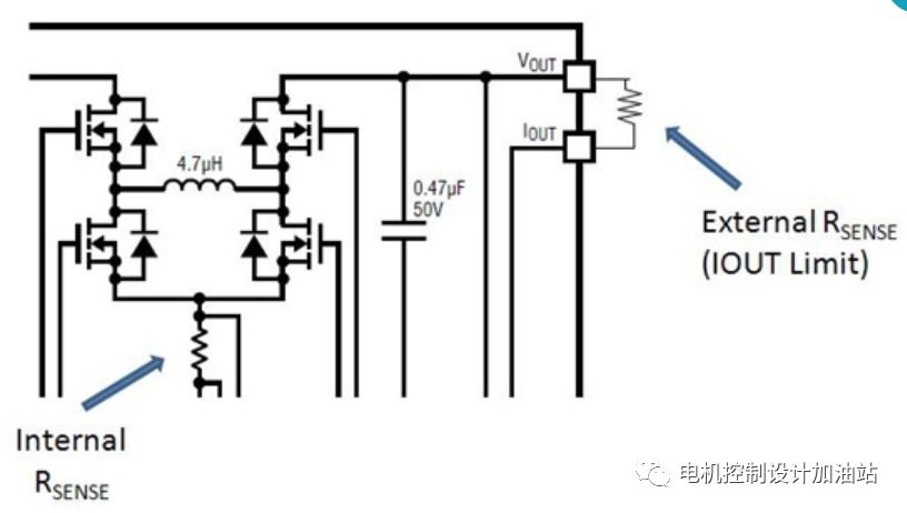
LTM8055 / LTM8056具有外部输出电流检测电阻(图2),可为诸如驱动LED或为电池或电池组充电等应用提供精确的平均电流。当使用多个器件增加可用输出电流时,它还可以提高准确的电流分配。大多数应用应该使用输出检测电阻作为一般指导原则。

图2.外部输出电流检测电阻
V OUT和I OUT内部连接到一个差分放大器,当电压V OUT -I OUT达到58mV 时,限制电流。输出电流监控引脚(I OUTMON)产生一个与V OUT和I OUT之间的电压成正比的电压。I OUTMON等于1.2V 时会发生限流。当器件用作电池充电器时,轻负载指示器(LL)引脚可用于C / 10指示或C / 10终端,因为当输出检测电阻两端的电压降至约1 /满量程编程电流限制的十分之一。
均流
两个或多个LTM8055可以组合使用,通过将它们配置为主机和从机来提供增加的输出电流,如图3所示。每个LTM8055配备有输出电流监视器和电流检测调整(CTL)引脚。I OUTMON引脚的0V至1.2V信号表示通过输出检测电阻的电流。此外,施加于电流感测调节(CTL)引脚的低于1.2V的电压进一步限制了检测电阻电流。

图3.主从均流配置
假设输出电流检测电阻器具有相同的值,通过将主机的I OUTMON引脚的电压施加到从机的CTL引脚,两个单元将向负载提供相同的电流。主从电源设计非常简单,请参见LTM8055数据手册的第12页或LTM8056数据手册的第13页。数据手册中的表1参见特定元件值。
输入电流限制
LTM8055 / LTM8056还具有平均输入电流限制选项(图4)。在V IN和I IN之间放置一个检测电阻会导致输入端出现类似的电流限制,这对于电流受限的输入电源非常理想。输入电流限制由I IN(LIM)= 50mV / R SENSE给出。

图4.使用输入电流限制
输出电流限制提供过流保护
LTM8055 / LTM8056具有两个电流检测电阻(不包括可选的输入电流检测电阻),一个位于4开关配置底部的内部检测电阻和外部平均输出电流检测。我们以前的降压 - 升压转换器系列(LTM4605 / 7/9)没有外部电流检测电阻选项。

图5. LTM8055 / LTM8056框图
当输入电压低于输出电压时,转换器工作在升压模式。在此模式下,开关S4是电源开关,S3是转向开关,S1始终打开,S2始终关闭。当S4闭合时,电流在电感器中上升,通过S4,通过监视并接地的低侧检测电阻(R SENSE)。这导致峰值电流逐周期限流。当电源开关S4关闭时,开关S3导通,电感电流斜坡下降,电流传输至负载。
现在观察调节器处于降压模式的情况。在降压模式下(如图6所示),开关S1是电源开关,S3一直处于开启状态,S4一直处于关闭状态,S2是转向开关。当S1导通时,电感电流流过S1,通过电感并流向输出。请注意,在低边检测电阻上,当电感电流斜升时,电流不会流过它; 没有峰值电流限制或逐周期限流。

图6.闭合开关S1时的LTM8055降压模式电流
当开关S1打开时,电流流过检测电阻,通过开关S2和电感并流向输出端(图7)。但这是在电感电流的下降斜坡上。如果没有检测电阻来监控峰值电流,峰值电流完全由开关频率,所使用的电路元件以及所需的输入和输出电压决定。

图7.开关S1打开时的LTM8055降压模式电流
当电流升高时,确定峰值电流的公式(假设开关无损耗)由下式给出:I PEAK = I OUT + I / 2 * I RAMP,
我在哪里给予RAMP

这假设t (OFF)时间足够长以允许电流回落到其初始起始点(可能会或可能不是这样),并且假设电流不会由于大的V IN - V OUT电感两端的差分电压。t (ON)由输入输出电压差和开关频率决定; 并且具有大的差动,可能会损坏电路中的大峰值电流。
LTM8055 / LTM8556的输出电流限制可通过限制最大平均输出电流来防止过流情况; 这就是为什么大多数应用应该使用外部检测电阻的附加保护。凌力尔特致力于提供不仅满足您的功耗预算需求的器件,而且还提供可提供增值功能且足够强大以支持凌特科技名称的器件。除μModule降压 - 升压型稳压器外,我们还提供各种单片和基于控制器的升降压解决方案。
上一篇:选择珀尔帖模块以及设计控制电路
龙腾半导体SGT MOSFET LSGT085R018在智慧农业无