时间:2018-06-27 15:05
人气:
作者:admin
作者:德州仪器 Errol Leon, Richard Barthel, Tamara Alani
引言
零漂移放大器采用独特的自校正技术,可提供适用于通用和精密应用的超低输入失调电压(Vos)和接近零的随时间和温度输入失调电压漂移(dVos/dT)。TI的零漂移拓扑结构还提供了其他优势,包括无1/f噪声,低宽带噪声和低失真——简化了开发复杂性并降低了成本。这可以通过两种方式中的一种来完成;斩波器或自动调零。本技术说明将解释标准的连续时间和零漂移放大器之间的差异。
适用零漂移放大器的应用
零漂移放大器适用于各种通用和精密应用,使其从信号路径的稳定性中受益。这些放大器出色的失调和漂移性能使其在信号路径的早期特别有用,其中高增益配置和连接微伏信号的接口很常见。受益于此技术的常见应用还包括精密应变计和体重秤、电流分流测量、热电偶、热电堆和桥式传感器接口。
轨到轨零漂移放大器
系统性能可通过使用标准的连续时间放大器和系统级自动校准机制进行优化。但是,这种额外的自动校准需要复杂的硬件和软件,从而增加了开发的时间、成本和电路板空间。另一种更有效的解决方案是使用零漂移放大器,如OPA388。
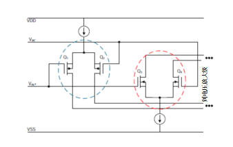
传统的轨到轨输入CMOS架构具有两个差分对;一个PMOS晶体管对(蓝色)和一个NMOS晶体管对(红色)。具有轨到轨输入操作的零漂移放大器使用图1所示的相同互补p沟道(蓝色)和n沟道(红色)输入配置。

图1.简化的PMOS/NMOS差分对
这种输入架构的结果表现出一定程度的交越失真(有关交越失真的更多信息,请参阅零交越放大器:特性和优势)。但是,放大器的失调会通过其内部定期的校准来纠正,所以失调变化的幅度和交越失真大大减小。图2显示了标准CMOS轨到轨和零漂移放大器之间的失调的比较。

图2.CMOS和零漂移输入失调电压比较
零漂移如何工作
斩波零漂移放大器的内部结构可以具有与连续时间放大器一样多的级数——主要区别在于第一级的输入和输出具有一组开关,用于在每个校准周期内反转输入信号。图3显示了前半个周期。在前半周期,两组开关都配置为翻转输入信号两次,但失调翻转一次。这使输入信号保持同相,但失调误差极性相反。

图3.内部结构的前半个周期
图4显示了后半个周期。在这里,两组开关都配置为通过未改变的方式传递信号和失调误差。实际上,输入信号永远不会发生相位变化,始终保持不变。由于来自第一时钟相位和第二时钟相位的失调误差极性相反,因此误差被平均为零。

图4.内部结构的后半个周期
在相同的开关频率下使用同步陷波滤波器来衰减任何残留误差。这个原理在整个放大器的输入、输出和环境操作过程中依然有效。从本质上讲,TI的零漂移技术凭借这种自我修正机制提供超高性能和卓越的精度。
表1显示了连续时间和零漂移放大器的Vos和dVos/dT的比较。请注意,零漂移放大器的Vos和dVos/dT要小三个数量级。

自动调零需要不同的拓扑结构,但功能相似。自动调零技术在输出端失真较少。斩波使得宽带噪声更低。
零漂移放大器中的噪声
通常,零漂移放大器具有最低的1/f噪声(0.1Hz - 10Hz)。1/f噪声(也称为闪烁或粉红噪声)是低频率的主要噪声源,并且可能对精密直流应用有害。零漂移技术使用周期性自我校正机制有效地抵消缓慢变化的失调误差(如温漂和低频噪声)。
图5显示了零漂移(红色)和连续时间(黑色)放大器的1/f和宽带电压噪声频谱密度。注意零漂移曲线没有1/f电压噪声。

图5.电压噪声比较
再次,为什么选择零漂移放大器?
零漂移放大器可提供超低输入失调电压,接近零的随温度和时间输入失调电压漂移,并且无1/f 电压噪声——这些设计因素对通用和精密应用至关重要。
其它资源
下面的表2重点介绍了TI的一些零漂移放大器。有关完整列表,请点击查看德州仪器的参数搜索工具结果。

龙腾半导体SGT MOSFET LSGT085R018在智慧农业无