时间:2018-04-16 09:10
人气:
作者:admin
电信、工业和航空电子应用中的电源电压可能由于许多原因而变化,例如线路和负载瞬变;停电;或低电量。电压检测器和监控器/复位集成电路(IC)提供了与这些问题相关的电源电压偏差的预指示,以帮助保护系统。
尽管电压检测器和监控器/复位IC具有相同的功能,但它们用于不同类型的系统中。电压检测器监测电压(如电池电压),并向用户指示电压低。电压检测器通常不具有延迟,但是它们具有内置的滞后,以防止电压悬浮在阈值电压附近时产生的假触发现象。
若电源电压低,则监控器/复位IC监视电源电压,并复位或关闭另一个设备,如微处理器。这些设备通常具有可编程输出延迟,以防止系统在电源电压稳定之前从复位状态恢复。
电压检测器和监控器/复位IC具有不同的特征和参数,使得很难为给定应用选择合适的集成线路。选择电压监控器的关键是了解您需要的功能,然后根据所需的尺寸、封装类型和价格进行选择。此系列具有两部分。在第一部分中,我将讨论最简单的电压检测器和一些不同的输出选项。在第二部分中,我将介绍电压检测器和监控器中的高级监控和各种功能。
监控电压的最简单的方法
对于某些应用,您可能只需要一个基本的、小型且易于实现的电压检测器或监控器/复位IC。当电源电压低于出厂设置的复位阈值时,这些设备提供低输出电压或复位信号。在电源电压上升到该阈值之上后,输出信号给定时间内保持有源状态。可用的阈值选项因设备而异。典型值包括2.63V,2.93V,3.0V,3.08V,4.38V和4.63V。精度也不同;尽管通常约为3%,但对于一些设备,其可以精确到0.75%的过热。
基本电压检测器或复位IC无需任何外部组件(除可能在输出端有一个上拉电阻外),并且采用小型三引脚封装。图1所示为一个简易电压监控器TI LM809的示例。

图1:LM809典型应用电路
当VCC电源电压下降到低于LM809的复位阈值时,复位引脚下降为低电平,并触发微处理器复位。
输出类型:有源低电平、有源高电平、推挽与开漏
有源低电平和有源高电平指的是复位类型。有源低电平复位高开;当电源电压下降到低于电压复位阈值时,复位引脚变为低电平。有源高电平复位正好相反。复位开始为低电平,且当电源电压下降到低于电压复位阈值时,复位引脚变为高电平。
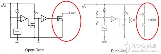
推挽和开漏指输出类型。推挽在输出端使用两个晶体管,顶部晶体管导通,将输出设置为高电平;底部晶体管导通,将输出设置为低电平。开漏使用一个晶体管将输出设置为低电平,并使用上拉电阻而非顶部晶体管将输出设置为高电平。推挽的优点是速度更快、功耗更低。但开漏输出可连接在一起,以创建OR / AND逻辑输出配置。图3所示为开漏输出和推挽输出。

图3:输出类型
现在我已经介绍了电压检测器和监控器/复位IC的基础知识。请继续关注第2部分了解监控电压的各种功能和更复杂的方式。
龙腾半导体SGT MOSFET LSGT085R018在智慧农业无