时间:2018-04-18 11:36
人气:
作者:admin
日前,ADI 市场经理 张松刚参加了『成套与低压智能配电技术论坛』,在现场为大家分享了一种针对塑壳断路器智能脱扣器的解决方案。
ADI 市场经理 张松刚
低压断路器有塑壳断路器(MCCB)、框架断路器(ACB),由于它们的结构都非常紧凑,所以基本无法维修。
低压断路器的脱扣装置由分为两种:热磁及电磁式脱扣器和电子式脱扣器(也就是智能脱扣器 ETU)。其中低压断路器的ETU的主要过流保护功能包括长延时、短延时、瞬动、接地保护和漏电保护,此外,它还具备三个辅助功能: 电压电流测量功能、谐波检测和通讯和远程控制。
塑壳断路器ETU
先来一张塑壳断路器ETU系统框图~

从系统框图我们可以看到塑壳断路器ETU电路设计的主要应用特点——
从电流互感器中感应能量来供给电路板
电流源转换成电压源
目前绝大多数塑壳断路器的ETU任然是单线圈方式,供电和信号来自于同一个电流互感器
最小启动电流- 单相0.2倍额定电流
启动速度和整体电路的启动的先后顺序控制
整板启动电流需要有一定的滞回控制
兼容单线圈和双线圈的信号调理要求
一个框架下一种电流互感器需要应对不同额定电流的增益要求
两种不同的信号调理的拓扑结构(单线圈半/全波整流vs 双线圈空心线圈双极性输出)
模拟脱扣电路使得在MCU初始化完成前,电路有对特大电流做出保护的能力
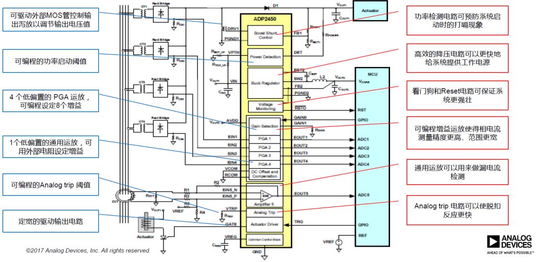
ADP2450,是 ADI 开发的一款专用CT取电控制器,适合较大输出电流(mA级~10A级)的CT自取电应用。该产品集成了4.5V~36V可调电流源(CT输出)转电压源、500mA Buck稳压器、CT上电功率滞洄监测、输出电压监控、执行器驱动电路等等。
辣么,采用ADP2450后的塑壳断路器ETU系统又哪些优势呢?

采用ADP2450的塑壳断路器ETU系统框图
很明显,采用 ADP2450 的塑壳断路器ETU系统的电路板体积大大减小,兼容单线圈和双线圈……想知道是ADP2450的哪些功能实现这些“超越”的吗?
深度剖析 ADP2450
使用 Shunt Boost 整流控制器进行 CT 取电

Vboost 电压最高可以到 36V
如果需要兼容辅助电源,只需要外加一对二极管做 OR逻辑即可
Shunt Boost控制器耗电只需 400uA的静态电流
使用 Buck 整流器进行系统供电

前级从Shunt Boost中构建的电压源进行次级整流成系统5V或者3.3V供整个电路板工作
最大可以达到500mA电流输出
快速软启动时间为400us
高开关频率,降低外部电感要求,对于低功耗的应用(假如后级供电电流只有几十mA的这种case),一个普通的1206的电感便可满足要求
内部上电时序的逻辑控制
Vboost超过Vpth设置电压后Buck输出开始启动
Buck输出到达90%设置值以后,Analog Trip电路,PGA输出等开始使能,同时Reset输出信号经过delay后被解锁
单线圈的信号调理拓扑

负电压输入=>正电压输出+放大
+/-8V过压保护
双线圈的信号调理拓扑

信号线圈为双极性输出
可以外加RC积分电路用来接口空心线圈
PGA对信号做放大后加1/2 Vref的直流偏置,用来接口通用处理器的ADC输入量程
PGA动态调整信号增益

PGA的输出可以在几十us内快速建立,使得MCU在一个采样周期中对于信号的两种不同增益分别采样成为可能。
模拟脱扣电路逻辑

一张图总结ADP2450方案

利用ADP2450搭建的ETU系统板
利用 ADP2450 搭建的 ETU 系统板的特点:
40mm x 30mm
4通道(ABCN)LSI过流保护
系统启动电流(单相)18% (18A@100A额定电流)
Vboost设定电压为9.2V
10 x In 电源冷启脱扣时间4ms


|
利用 ADP2450 的塑壳断路器(MCCB)ETU方案 |

|
利用 ADP245 的框架断路器(ACB)ETU方案 |
下一篇:BLE连接光学心率监视器参考设计
龙腾半导体SGT MOSFET LSGT085R018在智慧农业无