时间:2018-04-20 08:51
人气:
作者:admin
很多人的眼光聚焦于IGBT,功率器件是很贵,确实也很难做,但是如果出点事情,把ADC这一层的模拟芯片给拿掉了,我们的电池管理系统也就没了根。
插入一句:我认识两家芯片企业,都想做这个AFE,第一家好久之前提过估计后面项目下马;另一位姐姐的项目,到底什么样了,感兴趣的话可以找她聊聊看。
如下,某车企IGBT是自己的,AFE电池前端采集芯片呢?
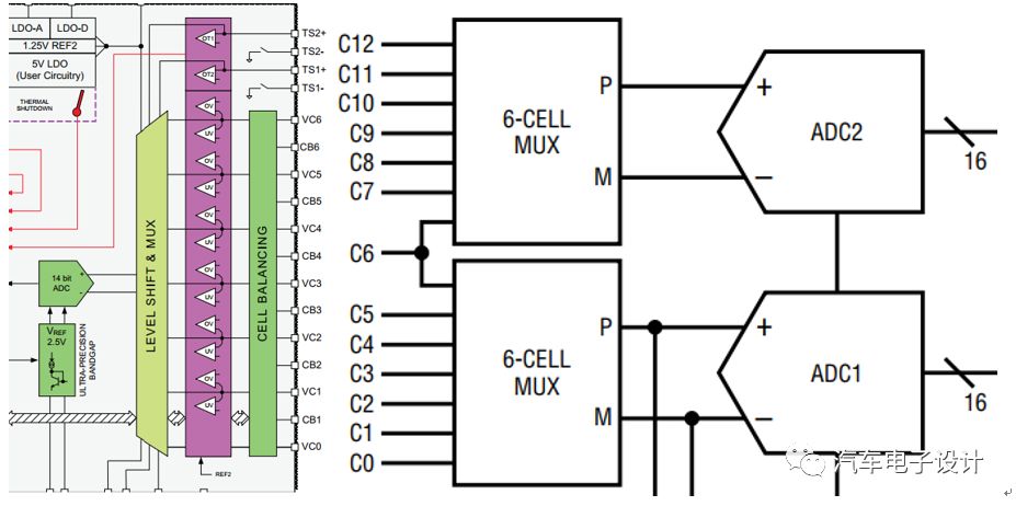
模拟前端采集芯片:主要用于对电芯电压进行采集的多通道芯片

这里面最贵的就是这颗BMIC

我大概做了一个梳理,目前国内主流用的三家,LT、美信和TI都是米国公司

结合Davide Andrea在2018年3月做的更新,从2013年开始,他把使用的AFE的情况也做了一些推荐处理。

单片采集通道

长期来看,在外部比的是通道数量、面积和成本,里面比的是稳定性

在不同通道和采集性能(电压采集误差、速度、漏电流),每个芯片企业在模拟采集处理这里的公里还是差异挺大的。


这个AFE实质上最早,A123的工程师

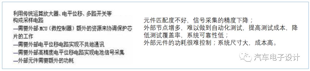
没有集成方案,就只能退回去设计完整的电路了
如果真有点什么事情,就真退回来了。

还有如果依靠现在的电路做功能安全,这个工作量就不大好做了,芯片把我们大量的工作给做掉了,也在芯片层面解决了相当一部分的系统稳定性和功能安全的问题。BMS的事情,很多都是BMIC来解决的

小结:现实点来看,短期内我们很难在车载应用上脱离这些芯片,也很难用国内的芯片来代替。国内同等芯片,要么在储能(小储能)上面先用,到一定的应用量,去解决芯片的稳定性的问题再来,实际上这个BMIC由于连接着电芯,存在大量的浪涌脉冲的问题,前端设计不好,后面芯片的压力可不小,加上共模电压和上电工作时间的问题,这颗芯片其实对材料和设计的要求一点都不低。再挣扎,短期内该用还是要用,但是就要挖深入一些,一有问题把他们FAE叫过来,在芯片层面多挑战一些^_^
上一篇:在降压转换器中DCR电流检测
龙腾半导体SGT MOSFET LSGT085R018在智慧农业无